EasyManua.ls Logo

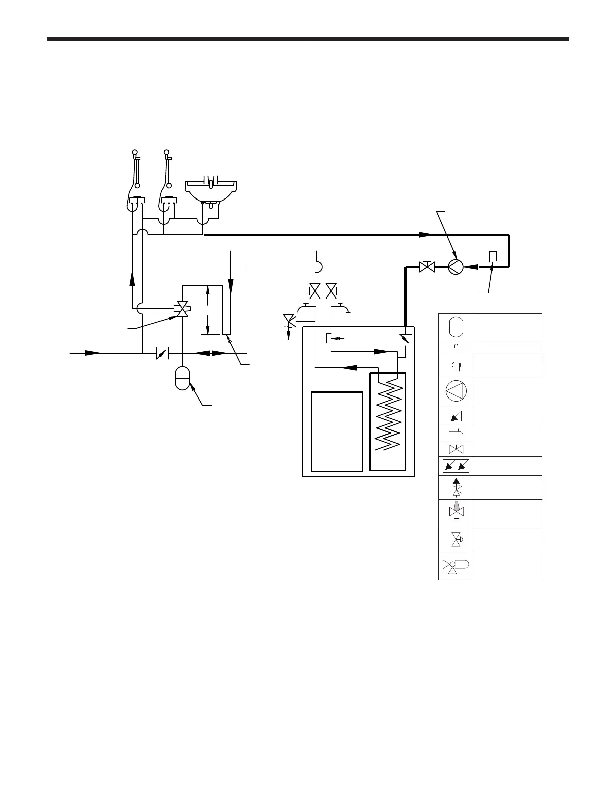
Laars FT Series - DHW Piping and Recirculation; DHW Piping and Recirculation Diagram

Laars FT Series
100 pages
Print Icon
To Next Page IconTo Next Page
To Next Page IconTo Next Page
To Previous Page IconTo Previous Page
To Previous Page IconTo Previous Page
Loading...
Page 44
LLH
C
H
HOT
COLD
FLOW
SENSOR
3/4"
DHW
OUTLET
COLD WATER
SUPPLY
8" min
RECIRCULATION LINE 1/2" or 3/4"
and COMPONENTS (BY OTHERS)
DHW RECIRC. PUMP
(BY OTHERS)
BOILER POWERED
DHW RECIRC.
SENSOR
(BY OTHERS)
CHECK
VALVE
EXPANSION
TANK
BACKFLOW
PREVENTER
PURGE
VALVE
AIR
SEPARATOR
SHUT-OFF
VALVE
P R V
THERMAL
TRAP
AIR
VENT
CIRCULATOR
T&P RELIEF
VALVE
ZONE
VALVE
ANTI-SCALD
MIX. VALVE
POTABLE
EXPANSION
TANK
ANTI-SCALD
MIXING VALVE
B
O
I
L
E
R
4.16.4 DHW Piping including DHW Recirculation Piping
The FTCF199 boiler is capable of operating a DHW
recirc pump along with receiving an input signal from
either an DHW aquastat or 10 KOhm thermistor for
sensing DHW temperature.
An anti-scald thermostatic mixing valve is included
with each FTCF199 and MUST be installed as out-
lined below. A thermal trap as shown must be
installed.
The bold lined recirc piping is optional and would be
eld installed.
1)
This piping diagram is meant to show DHW system piping concept only. Installer
is responsible for all equipment and detailing required per code. It is strongly
recommended to properly insulate the DHW recirc line to minimize heat losses.
2)
Service and isolation valves in the potable water connections are recommended
for future service of the DHW coil.
3)
A PRV valve must be installed on the hot outlet connection before any external
shut-o󰀨s. The discharge pipe must be piped within 6" to 12" of a nearby oor
drain.
4)
Note that the 3/4" recirculation connection has a built-in ow check
installed within the rst internal elbow of the 3/4" recirc line.
5)
An optional potable water check valve and potable water thermal expansion tank
is recommended after the last cold water draw and before the mixing valve cold
tapping in case of a DHW recirculation loop. (As shown above).
6)
Manufacturer requires the use of an anti-scald mixing valve at the domestic hot
water outlet (boiler location) to reduce potential for scalding. An approved
anti-scald valve is included in the accessory box. Check with local codes.
Circulation pump
Check valve
Zone valve
Pressure
reducing valve
Drain valve
Gate valve
Backflow preventer
Pressure Relief Valve
Expansion tank
Air separator
(Diaphragm-type)
Automatic air vent
Anti-scald rated
Mixing Valve
Check Valve
Shut-off valve
Circulation pump
with built-in IFC

Table of Contents

Other manuals for Laars FT Series

Related product manuals