EasyManua.ls Logo

laguna LT18 - Electrical System Drawing with Switch (ON) Knob; Chapter 8. Electrical Drawings

laguna LT18
100 pages
Print Icon
To Next Page IconTo Next Page
To Next Page IconTo Next Page
To Previous Page IconTo Previous Page
To Previous Page IconTo Previous Page
Loading...
58
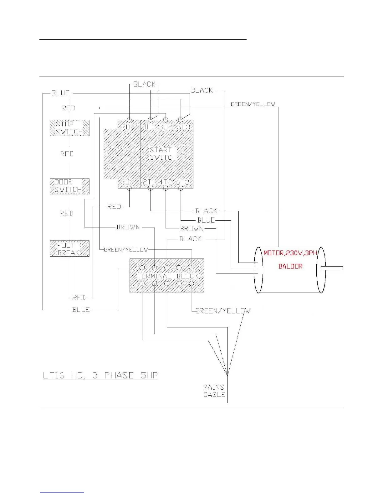
Electrical system drawing with switch (ON) knob

Table of Contents

Related product manuals