EasyManua.ls Logo

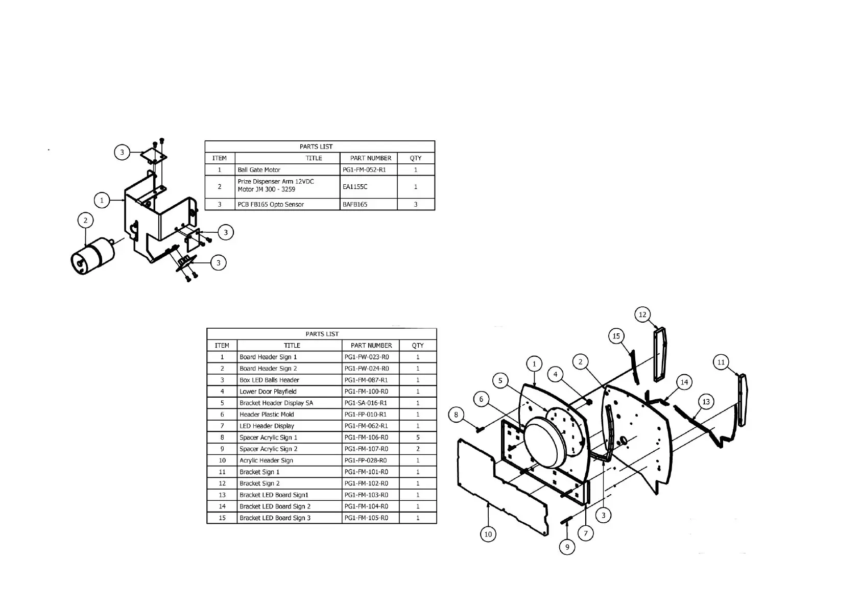
LAI Games Let’s Bounce - Ball Gate Motor and Display Sign Components; Ball Gate Motor Parts List; Display Sign Parts List

LAI Games Let’s Bounce
90 pages
Print Icon
To Next Page IconTo Next Page
To Next Page IconTo Next Page
To Previous Page IconTo Previous Page
To Previous Page IconTo Previous Page
Loading...
80
BALL GATE MOTOR AND DISPLAY SIGN

Table of Contents

Related product manuals