EasyManua.ls Logo

Leadshine ES2-DA808 - Page 14

Leadshine ES2-DA808
25 pages
Print Icon
To Next Page IconTo Next Page
To Next Page IconTo Next Page
To Previous Page IconTo Previous Page
To Previous Page IconTo Previous Page
Loading...
DatasheetoftheEasyServoDriveES2DA808
LeadshineTe c hnol ogy Co.,Ltd
11/F,BlockA3,iPark,No.1001XueyuanBlvd.Shenzhen,China Tel:19496087270Fax:19496087298
Web:www.leadshine.com Email:tech@leadshine.com  
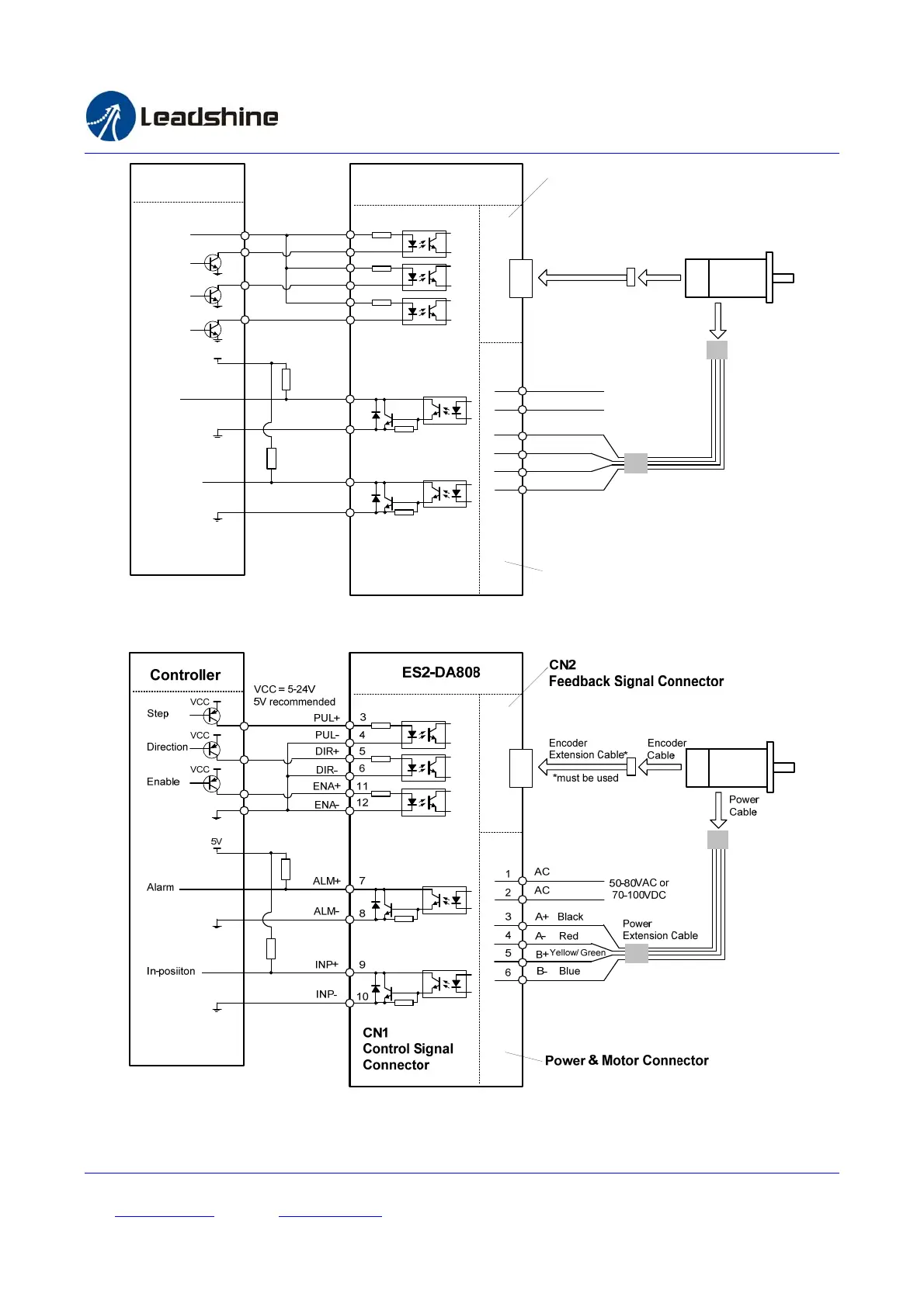
ALM+ 7
CN1
Control Signal
Connector
8
ALM-
Alarm
Controller
5V
CN2
Feedback Signal Connector
Power & Motor Connector
50-80VAC or
70-100VDC
A+
A-
3Black
Red
6
4
Encoder
Extension Cable*
Encoder
Cable
*must be used
Power
Extension Cable
Power
Cable
5
B+
B-
Yellow/ Green
Blue
1
AC
2
AC
INP+ 9
10
INP-
In-posiiton
PUL+
3
DIR+
5
PUL-
DIR-
4
6
ENA+ 11
ENA-
12
5-24V,
5V recommended
Step
Direction
Enable
ES2-DA808
Connection to controller of sinking output
Connection to controller of sourcing output

Related product manuals