EasyManua.ls Logo

Leadshine ES2-DA808 - Page 16

Leadshine ES2-DA808
25 pages
Print Icon
To Next Page IconTo Next Page
To Next Page IconTo Next Page
To Previous Page IconTo Previous Page
To Previous Page IconTo Previous Page
Loading...
DatasheetoftheEasyServoDriveES2DA808
LeadshineTe c hnol ogy Co.,Ltd
11/F,BlockA3,iPark,No.1001XueyuanBlvd.Shenzhen,China Tel:19496087270Fax:19496087298
Web:www.leadshine.com Email:tech@leadshine.com  
M
ENT
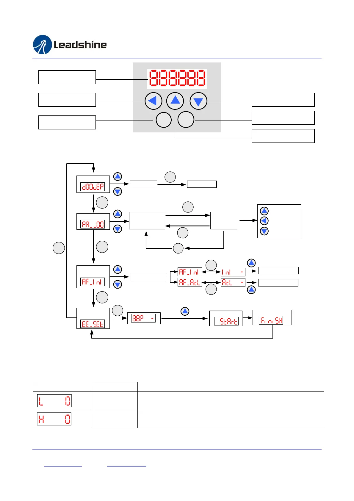
There are 4 operation modes in the on-board HMI. Users can switch between these modes by pressing the “Mode”
key. The following figure illustrates the operation procedure of this on-board HMI.
M
Display Data
Edit Parameter
Select Data
ENT
Display Data
Select Parameter
Display
parameter
Edit Parameter
Confirm
M
Cancel
ENT
ENT
Select Function
Hold on 3 seconds
Reset Parameter
Clear Error Record
ENT
ENT
Auxiliary
Function
Write to
EEPROM
Start Writing
Writing Completes
ENT
M
M
M
Operation Procedure of the on-board HMI
Display Data Mode
This mode is active initially at drive’s power-up. In this mode, users can check the monitoring data as shown in the
following table.
Display Code Name Description
“L Low order digits display.
“H “ High order digits display.
7segmentDisplay
LeftShiftDigits DecreaseorNext
Increaseorprevious
Enter,Confirm
ModeSwitching

Related product manuals