EasyManua.ls Logo

Lenze Tmd - Schaltplan

Lenze Tmd
114 pages
Print Icon
To Next Page IconTo Next Page
To Next Page IconTo Next Page
To Previous Page IconTo Previous Page
To Previous Page IconTo Previous Page
Loading...
DEUTSCH
9
Installation
Beachten Sie bei der Verwendung von FI-Schutzschaltern Folgendes:
Der FI-Schutzschalter darf nur zwischen dem Hauptversorgungsnetz und dem Regler installiert
werden.
Der FI-Schutzschalter kann folgendermaßen ausgelöst werden:
- durch kapazitive Ableitströme zwischen den Leitungsabschirmungen im Betrieb (besonders bei langen,
abgeschirmten Motorleitungen),
- durch gleichzeitiges Anschließen mehrerer Regler an das Hauptversorgungsnetz,
- durch EMV-Filter.
AIN
AIN
COM
U V W
L1 L2
9
A+ A1
2020
E1 E2 E3 71
62
7 72
COM
COM
+12 V
+15 V
+15 V
+10 V
8U
8U7
+
_
28 7
L3
7
28
E1 E2
E3 E4
E4 A2
AOUT
TXA
TXB
COM
DIGOUT
DIGOUT
PE
N
L3
L2
L1
3/PE 320V 0 % 528V + 0 %
48 Hz 62 Hz
PES
PE
PES
PES
M
3~
PES
PE
0 … +5 V
0 … +10 V
-10 … +10 V
0 … 20 mA
4 … 20 mA
1k …10k
+12 V DC - 0 %
+30 V DC + 0 %
L1 L2
PE
N
L3
L2
L1
3/PE 180V 0% 264V + 0 %
48 Hz 62 Hz
L3
L2/N
PE
N
L3
L2
L1
2/PE 180V 0% 264V + 0 %
48 Hz 62 Hz
L1
PE
N
L3
L2
L1
1/N/PE 180V 0% 264V + 0 %
48 Hz 62 Hz
L2/N
L1
8I
0 5 Nm/4 5 lb in
6 mm/0 24 in
1 2 Nm/10 lb in
9 mm/0 35 in
0 2 Nm/2 lb in
6 mm/0 24 in
< 1mm²/AWG 26 16
Tmd003
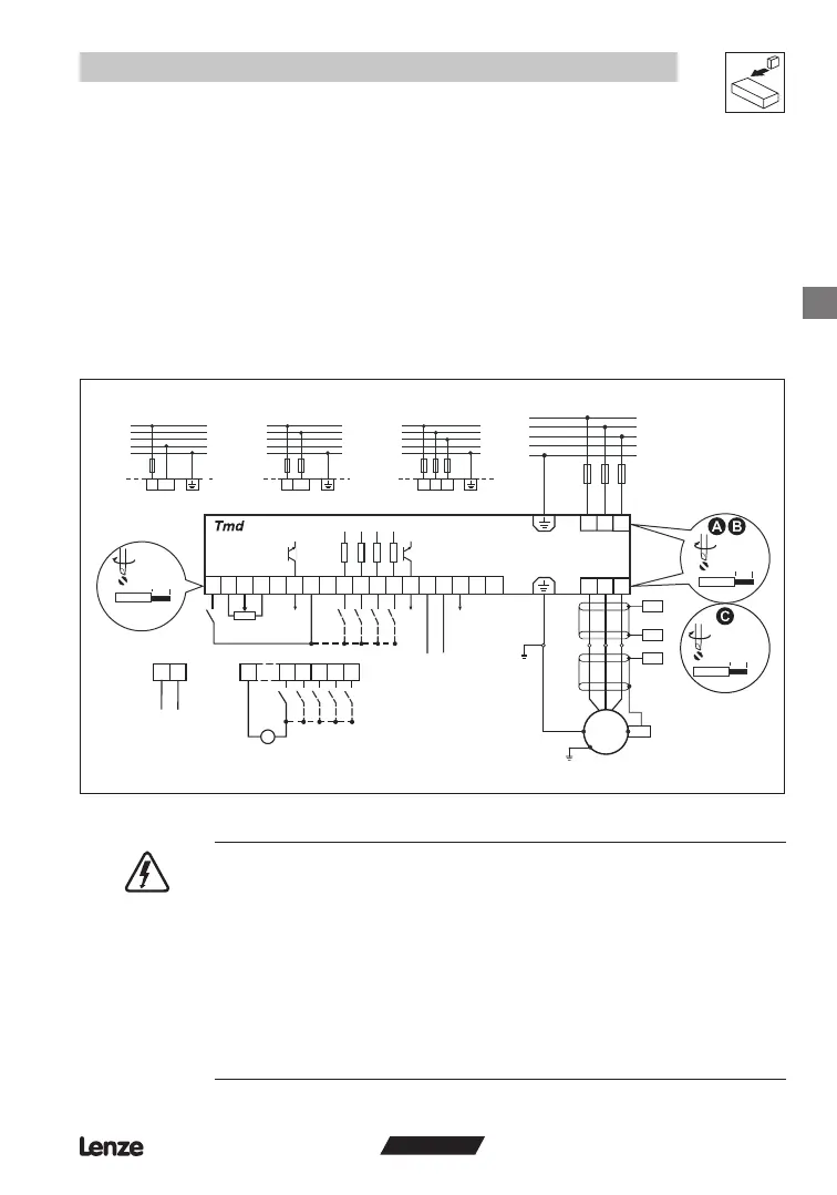
3.2.3 Schaltplan
GEFAHR!
Gefahr durch Stromschlag! Die Potenziale im Stromkreis liegen bis zu 480
VAC über dem Erdungspotenzial. Die Kondensatoren nnen auch nach
dem Abschalten der Netzspannung noch geladen sein. Schalten Sie die
Stromversorgung ab und warten Sie, bis die Spannung zwischen B+ und B- 0
VDC beträgt, bevor Sie mit den Wartungsarbeiten am Antrieb beginnen.
Schließen Sie die Hauptstromversorgung nicht an die Ausgänge (U, V, W) an!
Dies würde zu schweren Schäden am Antrieb führen.
Ändern Sie die Hauptstromversorgung nicht mehr als einmal alle drei Minuten.
Dies führt zu Schäden am Antrieb.

Table of Contents

Related product manuals