EasyManua.ls Logo

LNS Alpha ST320 S2 - Page 33

LNS Alpha ST320 S2
138 pages
Print Icon
To Next Page IconTo Next Page
To Next Page IconTo Next Page
To Previous Page IconTo Previous Page
To Previous Page IconTo Previous Page
Loading...
CHAPTER 4: ELECTRICS 4-9
ALPHA ST320 S2
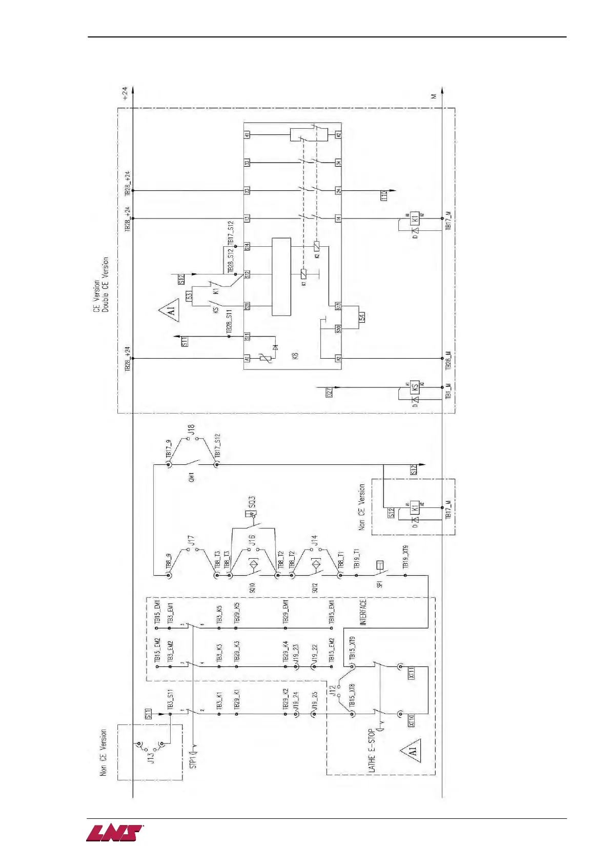
2.3.3. Emergency stop loop

Related product manuals