EasyManua.ls Logo

Marantz NR1504 /U1B - PCM1690 Functional Block Diagram; EPM3032 A (DIGITAL: IC1012) Block Diagram

Marantz NR1504 /U1B
184 pages
Print Icon
To Next Page IconTo Next Page
To Next Page IconTo Next Page
To Previous Page IconTo Previous Page
To Previous Page IconTo Previous Page
Loading...
TERMINAL
I/O
PULL-
DOWN
5-V
TOLERANT
DESCRIPTION
NAME PIN
VOUT1+ 43 O No No Positive analog output from DAC1
VOUT1- 44 O No No Negative analog output from DAC1
RSV2 45 Reserved, tied to analog ground
AGND2 46 Analog ground 2
VCC2 47 Analog power supply 2, +5 V
RSV2 48 Reserved, tied to analog ground
(1) Open-drain conguration in out mode.
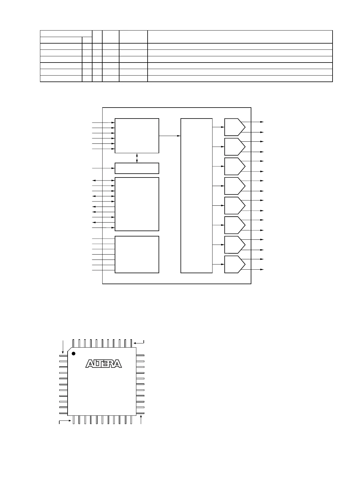
PCM1690 FUNCTIONAL BLOCK DIAGRAM
EPM3032A (DIGITAL : IC1012)
FUNCTIONAL BLOCK DIAGRAM
DAC
VOUT1+
VOUT1
DAC
VOUT2+
VOUT2
DAC
VOUT3+
VOUT3
DAC
VOUT4+
VOUT4
DAC
VOUT5+
VOUT5
DAC
VOUT6+
VOUT6
AGND2
VDD
DGND
VCOM
VCC1
AGND1
VCC2
DAC
VOUT7+
VOUT7
DAC
VOUT8+
VOUT8
DigitalFilter
and
Volume
PowerSupplyand
CommonVoltage
SCKI
SCKManager
RST
AMUTEO
AMUTEI
ZERO2
ZERO1
MODE
MD/SDA/DEMP
MC/SCL/FMT
MS/ADR0/RSV
TEST/ADR1/RSV
ControlInterface
(SPI/I C/HW)
2
LRCK
BCK
DIN4
DIN3
DIN2
DIN1
AudioInterface
PCM1690
SBAS448AOCTOBER 2008 REVISED JANUARY 2009..............................................................................................................................................
www.ti.com
8 Submit Documentation Feedback Copyright © 20082009, Texas Instruments Incorporated
Product Folder Link(s): PCM1690
Pin 12 Pin 23
Pin 34
Pin 1
I/O
I/O
I/O
VCC
INPUT/OE2/GCLK2
INPUT/GCLRn
INPUT/OE1
INPUT/GCLK1
GND
I/O
I/O
I/O
I/O/TDO
I/O
GND
VCC
I/O
I/O
I/O/TCK
I/O
GND
I/O
I/O
I/O
I/O
I/O
GND
VCC
I/O
I/O
I/O
I/O
I/O
I/O/TDI
I/O
I/O
GND
I/O
I/O
I/O/TMS
I/O
VCC
I/O
GND
EPM3032A
EPM3064A
149

Table of Contents

Related product manuals