EasyManua.ls Logo

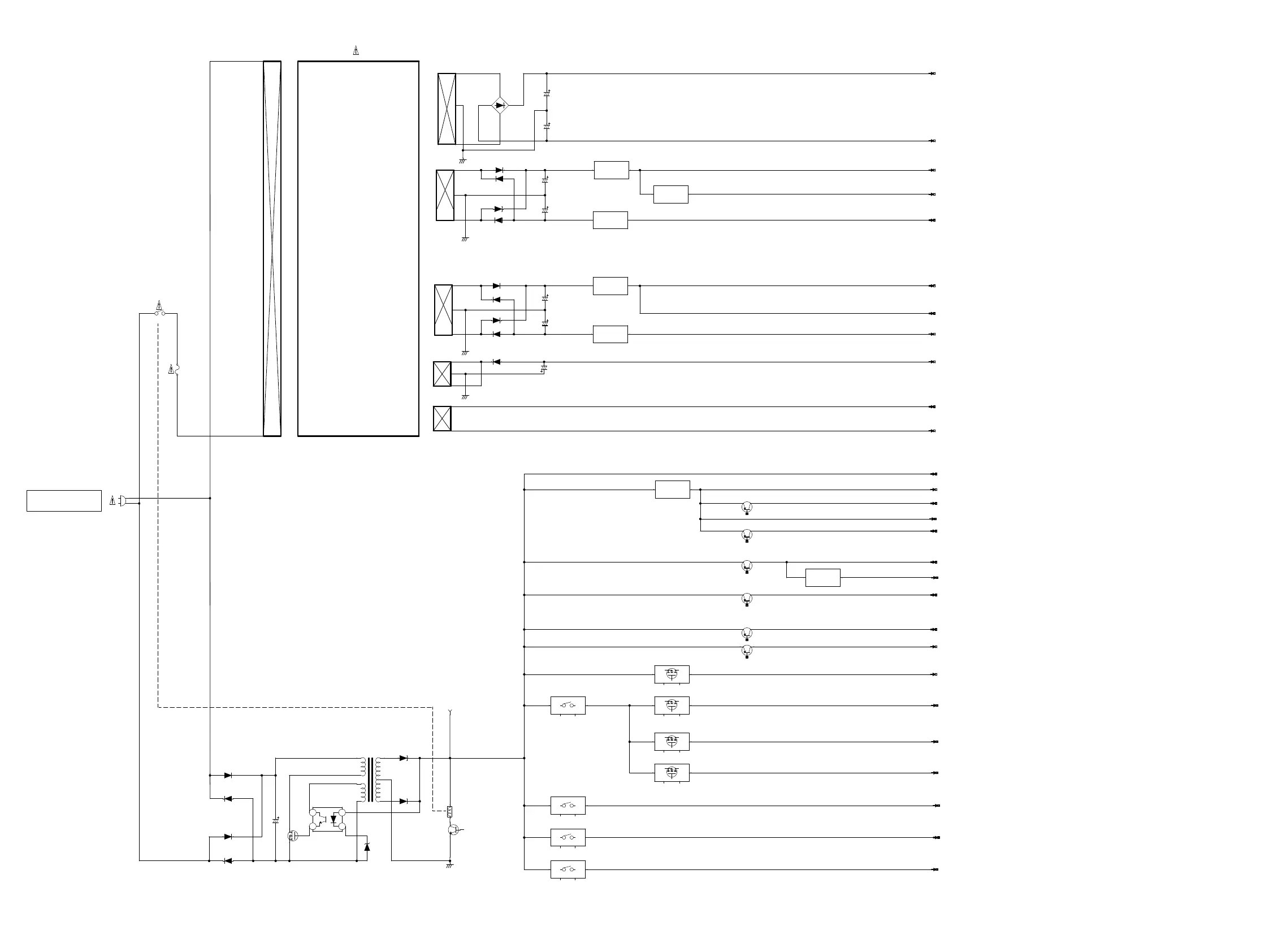
Marantz NR1504 /U1B - Power Diagram: VCC Distribution

Marantz NR1504 /U1B
184 pages
Print Icon
To Next Page IconTo Next Page
To Next Page IconTo Next Page
To Previous Page IconTo Previous Page
To Previous Page IconTo Previous Page
Loading...
VCC
DV5V
DV_POWER
NJM7805FA
NJM2845DL1
NET1.2V
E_POWER2
NET3.3V
E_POWER
D3.3V
D5V_POWER
CEC_POWER
CEC3.3V
NJM7805FA
NJM2845DL1
DA1.1V
DA_POWER
CEC1.8V
CEC_POWER
DA3.3V
DA_POWER
NJM7905FA
NJM7808FA
NJM7908FA
3
4 1
2
A.V+5.0V
DA+5.0V
MAIN -B
RELAY
5.2V
HPD5V
-VKK
A.V-5.0V
MAIN +B
S6(FILAMENT)
ADSP21487KSWZ-2B
DM860A/LAN8720A/A3V56S30FTP*2/H27U1G8F2BTR/MFI337S3959
M-X 3.3V
AC CORD
MAIN TRANS
S2(+8V,-8V)
S1(AMP +B)
DM860A/SLI11131
ADV7623
STBY 5V
S5(VKK)
S4(VIDEO)
ADV7623/AD8195/ADV3002/MX25L6406EM21-12G
CEC5V (ADV3002)
SWM5V (TC74VHCT08AFT)
FL AC (F2)
FL AC (F1)
A.TUNER+5.0V
A-8.0V (Pre)
A+8.0V (Pre)
PCM9211/EPM3023A/TC74VHCU04FT/SN74LVC244APW/ADSP21487KSWZ-2B
DV5V (HDMI_OUT)
STBY 3.3V
MUTE3.3V
M3.3V (CPU)
SWM3.3V (FLT)
D5V(MX-PORT)
NR1504 VCC DIAGRAM
MAIN PWR ON
PCM1690/OPTICAL_IN/W9864G6JH-6/MX29LV160BDTI-70G/SLI11131
POWER DIAGRAM
96

Table of Contents

Related product manuals