EasyManua.ls Logo

Marantz NR1504 /U1B - Block Diagram: HDMI Audio (TV)

Marantz NR1504 /U1B
184 pages
Print Icon
To Next Page IconTo Next Page
To Next Page IconTo Next Page
To Previous Page IconTo Previous Page
To Previous Page IconTo Previous Page
Loading...
DA-C
SR
SL
C
FR
C
DA-FL
DA-FR
DA-SR
OPEN
FL
PRE-FR
SR
SL
FR
FL
PRE-FL
DA-SW
DA-SL
PRE-FL
PRE-FR
OPEN
18.75MHz
ARC_+/-
28.6363MHz
24.576MHz
TONE
TONE
ADINL
ADINL
ADINR
DAC_FS
DAC_256FS
C
RXSPDIF
ARC
MUX
RXFS
RXMCLK
ARC_+/-
TMDS
SBCK
MCLK1
DIR_64FS1
74VHCU04
DSP_SW
DSP_FR
Tone
Tone+Mix
Bypass
SDRAM
SL
FR
FL
KEY_MATRIX
ATT
O1
C1
ADV8195
TMDS
BUFFER
HDMI
SWITCHER
ADV3002
DIR
RX64FS
4
RXI2S
ADINR
ADC
DOUT
SCK
LRCK
BCK
DIR_DATA1
SLRCK
DIR_256FS1
DIR_FS1
DSP_SR
DSP_SL
ANA_FR
DSP_C
DSP_FL
ANA_FL
DAC_64FS
Bypass
Tone+Mix
Tone
FLASH
12MHz
SR
TMDS
NETWORK
CONTROLLER
DM860A
MAIN
MICOM
74VHCU04
FLASH
MUX
DATAC
DSP1OUTFS
DSP1INSB
DSP1INS
DSP1INFS
DSP1INMCK
R5F56108VNFP
DM860SPDIF
AUDIO
PROCESSOR
R2A15218FP
INPUT SELECT & VOLUME
SDRAM
Oscillation
Amplifier
PCM9211 (DIR+A/D)
ARCSPDIF
PCM1690
MAIN ZONE DAC
DATAF
DATAS
DSP1INCSW
DSP1INF
EPM3032A
AUDIO PLD
DSP1IN64FS
ETHERNET
PHY
LAN8720
HDMI RECEIVER
PROCESSOR
ADV 7623
HDMI TRANCEIVER
MAIN
OUT
PORT
MPIO_A
SELECTOR
ADSP21487
DIGITAL AUDIO
DECODER
(300MHz)
TUNER CONT
IPOD
POWER CONT
MUTE
RELAY
FL CONT
DSP AUDIO CONT.
74LVC157.
DIR CONT.
PLD CONT
HDMI
CEC
HPD
OSD DATA
FUNCTION
DATA
DSP1OUT64FS
DSP1OUTMCK
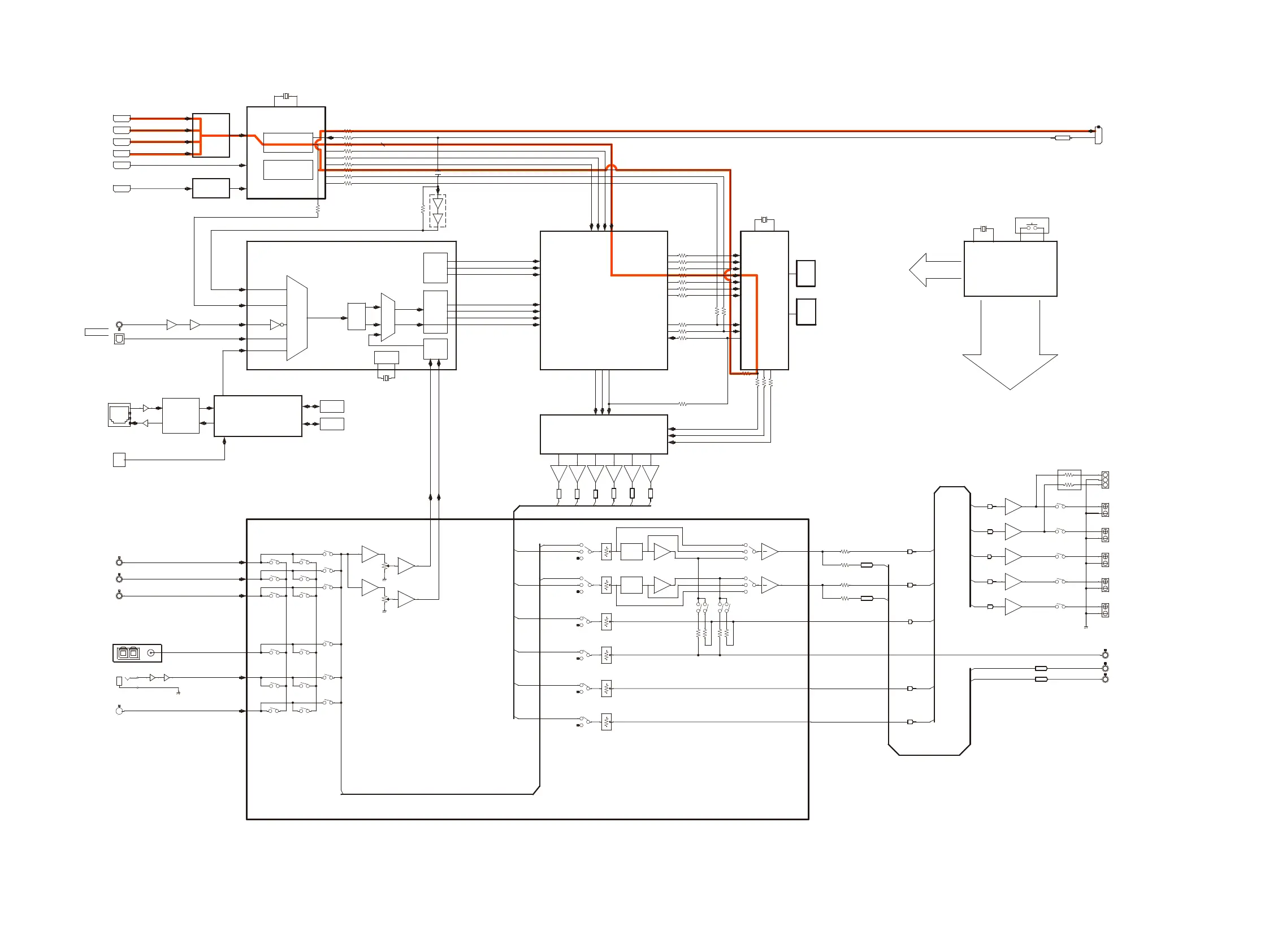
NR1504 AUDIO DIAGRAM
Fig.5:HDMI Audio(Audio : TV)
SR
SL
C
FR
FL
SW1
FR
FL
H/P-R
H/P-L
SPK OUT
HEADPHONE OUT
2.1ch PREOUT
HDMI5
FRONT
HDMI
HDMI4
HDMI3
HDMI2
HDMI1
HDMI IN
OPTICAL
COAXIAL
DIGITAL IN
ETHERNET
USB FRONT
CD
SAT_CBL
DVD
ANALOG
INPUT
M-Xport
FM/AM
TUNER
MIC
(Mini Jack)
HDMI OUT1
DSPOUT64FS_ADV
DATAF_ADV
DSPOUTFS_ADV
37

Table of Contents

Related product manuals