EasyManua.ls Logo

Marantz SR5008 - Main Unit (1;2)

Marantz SR5008
160 pages
Print Icon
To Next Page IconTo Next Page
To Next Page IconTo Next Page
To Previous Page IconTo Previous Page
To Previous Page IconTo Previous Page
Loading...
NJW1194A (AUDIO : IC484,IC489)
NJM2586AM (VIDEO : IC5003)
NJW1194
 
2-CHANNEL ELECTRONIC VOLUME
WITH INPUT SELECTOR AND TONE CONTROL
GENERAL DESCRIPTION
PACKAGE OUTLINE
       
      
       

      
        

      

FEATURES

      
   

 
   

 
 

  
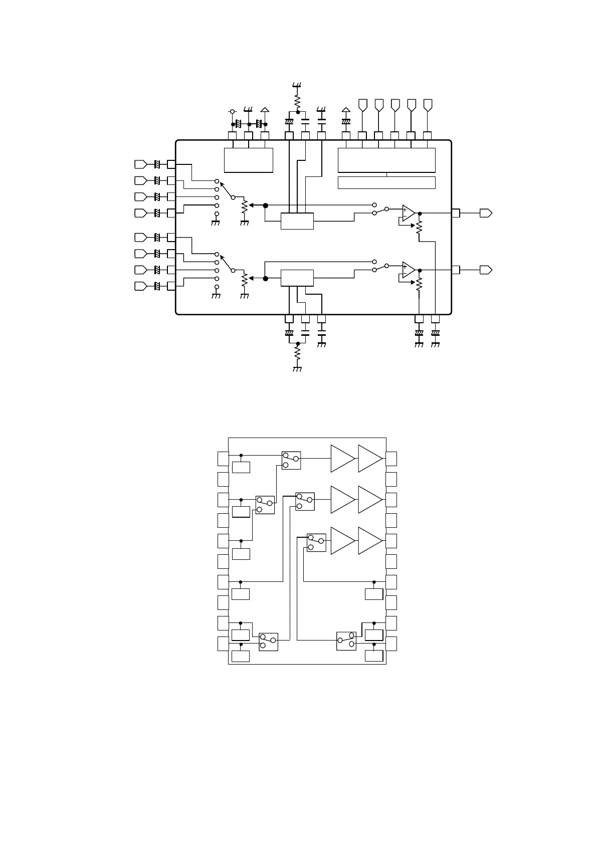
BLOCK DIAGRAM
NJW1194V

 
 





 
 
 
 
 







 
  
 

Ver.4
NJM2586
A
-
1
-
WIDE BAND 3-INPUT 1-OUTPUT 3-CIRCUIT VIDEO AMPLIFIER
QGENERAL DESCRIPTION QPACKAGE OUTLINE
The NJM2586A is a wide band 3-input 1-output 3-circuit video
amplifier. It is suitable for Y, Pb, and Pr signal because frequency
range is 50MHz.The NJM2586A is suitable for AV receiver, STB,
and other high quality AV systems.
Q FEATURES
O Operating Voltage ±4.5 to ±5.5V
O Wide frequency range 0dB at 50MHz typ.
O Internal 3 input-1output 3-circuit video switch
O Internal 6dB Amplifier
O Internal 75 Driver Circuit (2-system drive)
O Power Save Circuit
O Bipolar Technology
O Package Outline SDIP22, SSOP20-C3 (under development)
QBLOCK DIAGRAM
NJM2586AVC3 NJM2586AL
SDIP22
9
10
8
5
6
7
4
3
2
1
11 12
13
16
15
14
17
18
19
20
21
22
CH1 IN1
CH1 IN3
CH1 IN2
SW1
SW2
GND
CH1 OU
T
V
-
1
CH2 OU
T
CH3 IN2
CH3 IN3
V
+
2
CH2 IN3
CH2 IN1
CH3 OU
T
CH3 IN1
V
+
1
CH2 IN2
V
-
2
PS
75
Driver
Bias
Cont2
Cont1
Cont1
Cont2
Cont1
Cont2
6dB
A
mp
Bias
Bias
Bias
Bias
Bias
Bias
Bias
75
Driver
75
Driver
Bias
6dB
A
mp
6dB
A
mp
GNDGND
9
10
8
5
6
7
4
3
2
1
11
14
13
12
15
16
17
18
19
20
CH1 IN1
CH1 IN3
CH1 IN2
SW1
SW2
GND
CH1 OU
T
V
-
1
CH2 OU
T
CH3 IN2
CH3 IN3
V
+
2
CH2 IN3
CH2 IN1
CH3 OU
T
CH3 IN1
V
+
1
CH2 IN2
V
-
2
PS
75
Driver
Bias
Cont2
Cont1
Cont1
Cont2
Cont1
Cont2
6dB
A
mp
Bias
Bias
Bias
Bias
Bias
Bias
Bias
75
Driver
75
Driver
Bias
6dB
A
mp
6dB
A
mp
SSOP20-C3
171
www.audiodna.sk

Table of Contents

Other manuals for Marantz SR5008

Related product manuals