EasyManua.ls Logo

Marantz SR5008 - Page 34

Marantz SR5008
160 pages
Print Icon
To Next Page IconTo Next Page
To Next Page IconTo Next Page
To Previous Page IconTo Previous Page
To Previous Page IconTo Previous Page
Loading...
-6dB
-6dB
-6dB
6dB
-6dB
-6dB
Y
Y
Cr
Cr
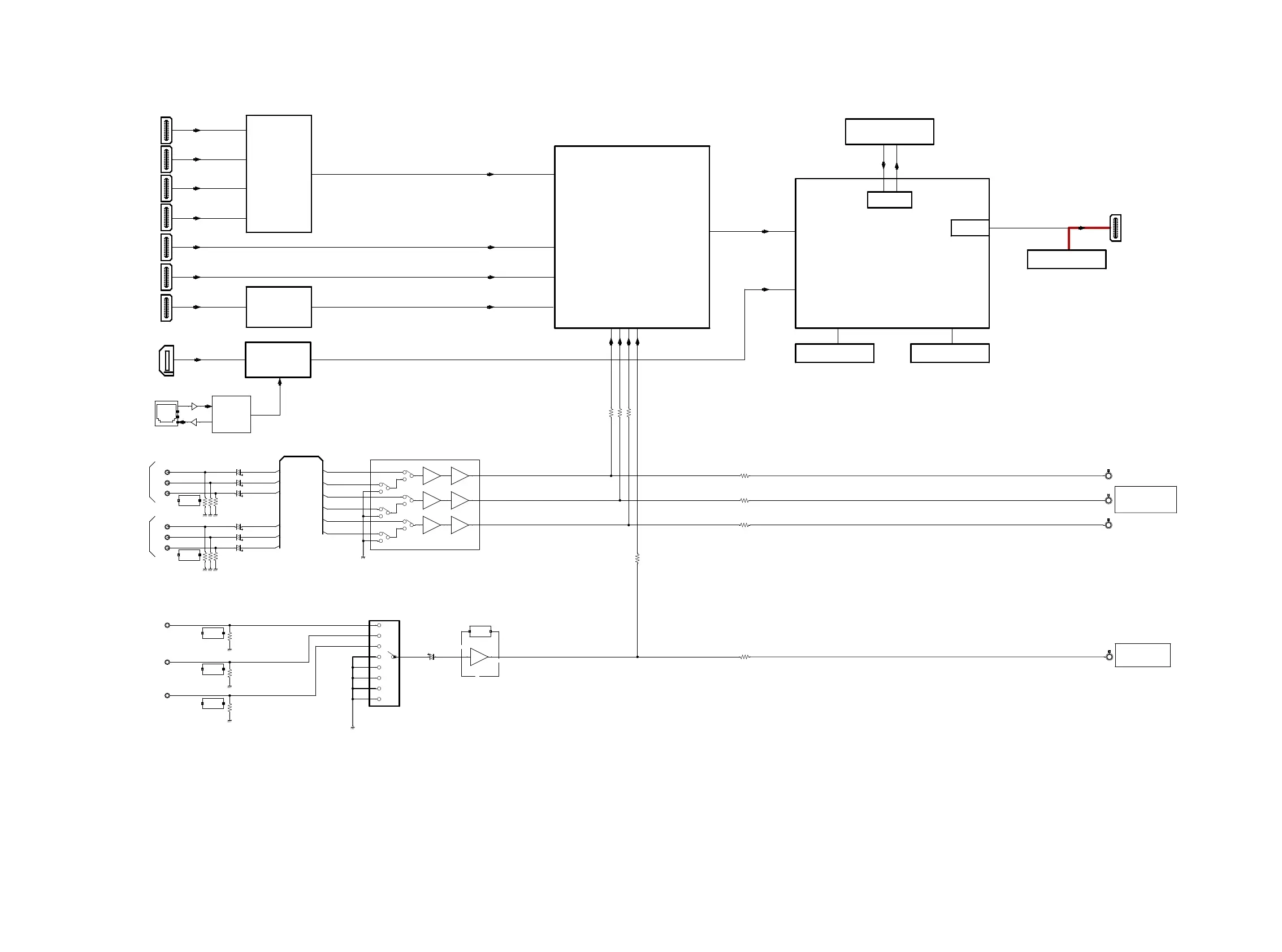
COMP2-Y
COMP1-Y
TC4051
6dB
6dB
75
TMDS IN
TMDS IN
7575
75
TMDS OUTPUT
Cb
Y
Cb
Cb
75
TMDS IN
TMDS IN
75
75
OUT1
Cr
TMDS OUTPUT
ETHERNET
PHY
LAN8720
DM860A
ADV8195
BUFFER
6dB
75
INPUT SELECT
COMP1-Cr
COMP2-Cb
COMP1-Cb
NJM2586AVC3
75
75
75
USBD+/-
COMP2-Cr
DDRII
SPI FLASH
DDRII
HDMI Rx
VIDEO DECODER
ADV7850
OSD
COMP2-Cb
COMP1-Cb
COMP1-Y
uCOM
COMP2-Cr
COMP1-Cr
TMDS SW
ADV3002
COMP2-Y
ADV8003-3
HDMI TRANSCEIVER
fig4:HDMI CEC
USB
IN3
IN2
IN2
IN1
HDMI6
HDMI4
HDMI3
HDMI2
HDMI1
IN1
HDMI5
ETHERNET
HDMI IN
FRONT HDMI
CVBS IN
COMPONENT IN
HDMI OUT
COMPONENT
MONITOR OUT
CVBS
MONITOR OUT
34
www.audiodna.sk

Table of Contents

Other manuals for Marantz SR5008

Related product manuals