EasyManua.ls Logo

Mighty Mule MM571W - Connecting Accessories; Accessory Wiring Examples

Mighty Mule MM571W
56 pages
Print Icon
To Next Page IconTo Next Page
To Next Page IconTo Next Page
To Previous Page IconTo Previous Page
To Previous Page IconTo Previous Page
Loading...
MM571W / MM572W Installation Instructions 27
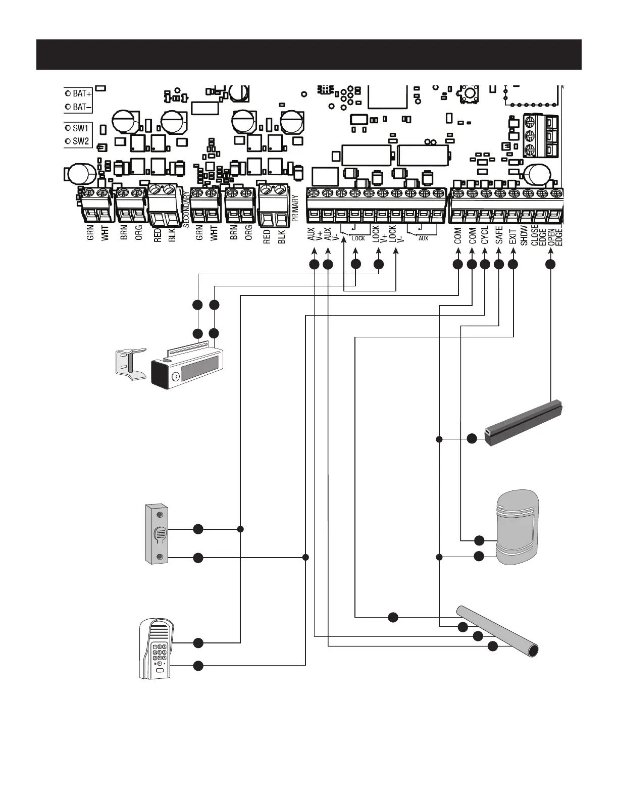
Photo Beams
Mighty Mule
Push Button Control
Mighty Mule
Vehicle Sensor
Refer to Vehicle Sensor
manual for additional
information if needed.
Edge Sensor
Automatic Gate Lock (FM143)
NOTE: Connections are for typical applications.
For additional connection options not illustrated
here refer to the accessory manual for details.
6
3
8
4
8
Mighty Mule Keypad
1
2
8
9
8
Red
Blue
Black
Shield
Yellow
10
3
5
6
10
9 3 4 56 7
+
+
-
-
+
-
For FM130/FM130-SW and FM136, see Appendix A in this manual.
CONNECTING ACCESSORIES

Table of Contents

Related product manuals