EasyManua.ls Logo

Miller INFINITY 35 - Section 5 - Electrical Diagram

Miller INFINITY 35
28 pages
Print Icon
To Next Page IconTo Next Page
To Next Page IconTo Next Page
To Previous Page IconTo Previous Page
To Previous Page IconTo Previous Page
Loading...
OM-206 360 Page 17
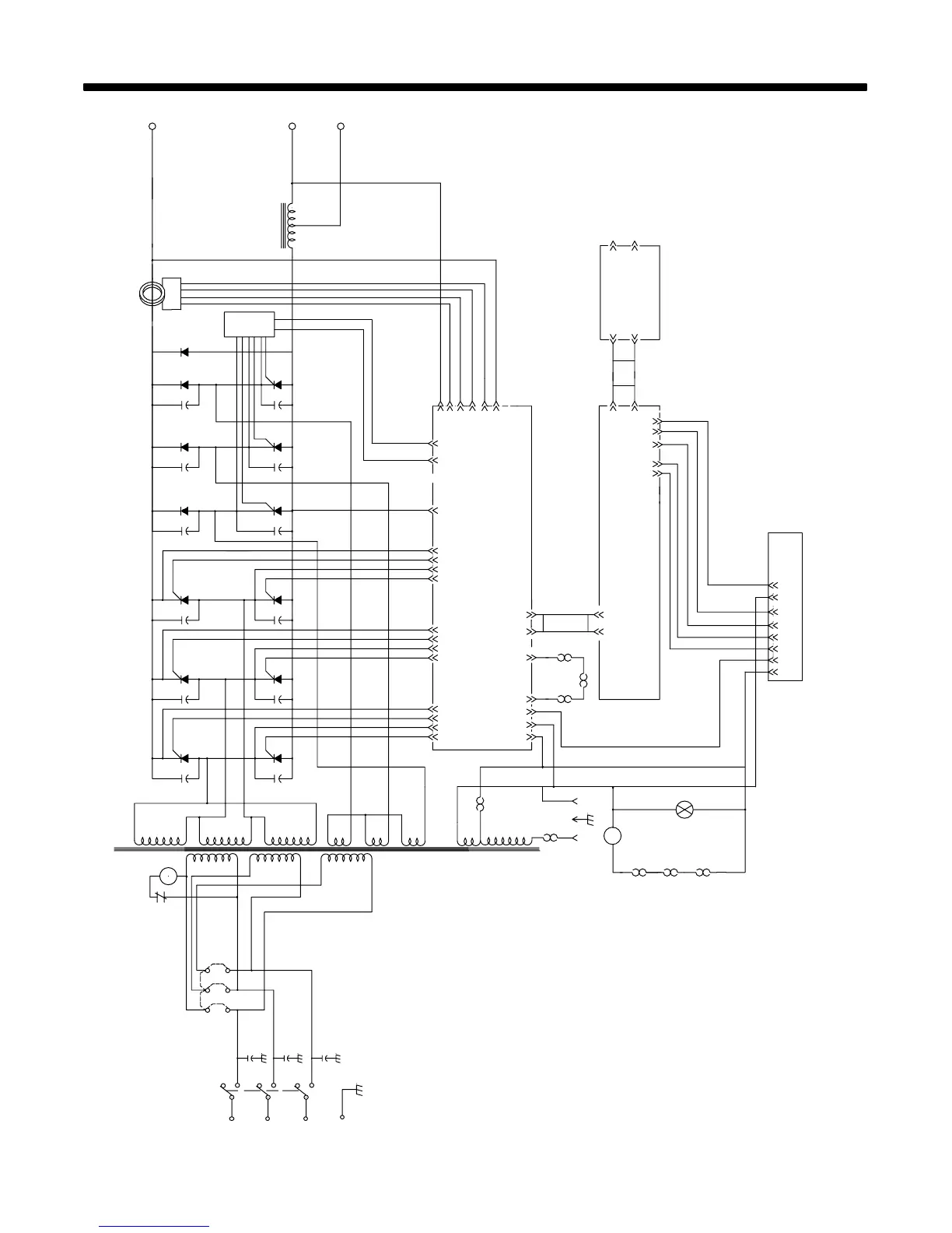
SECTION 5 - ELECTRICAL DIAGRAM
TP1
24
23
22
C10
C7
GND
FM
SEC
T1
RC2
RC1
PC1
1
SCR
C11
3
SCR SCR
C12
5
RC4
PLG1
SCR
2
C8
SCR
4
SCR
C9
6
HD1
Z1
+
+
RC2
24V
RC2
RC5
PC2
ABCDEF GH
14 PIN
S1
25
26
30
G1
K1
G2
K2
G3
K3
G4
K4
G5
K5
G6
K6
30
Marrone
Grigio
25
4
41
42
70
71
40
57
R
PRI.
TP2
TP3
56
54
55
53
Cr1
380V
220V
C1
S
C2
C3
T
TP5
TP4
CR1
in transf.
in rect.
TP6
49
48
41
Viola
Giallo
6
1
2
4
5
3
14
7
13
6
4
11
5
12
2
9
3
10
1
863 2
42 13
6
46
60
47
4
5
6
1
2
3
RC3
RC1
PC3
METER
PL
C18
D1 D2
C17 C16
D3
C15
SCR
7
SCR
8
C14 C13
SCR
9
1819
20
26
115V
RC1
35
36
ACCENDITORE
1
5
73
72
RC2
37
25
RC1
RC1
RC1
RC2
RC1
in rect.
TP2
in transf.
TP13
cod.956 142 398 Revised 11/26
21
D4
CB1

Related product manuals