EasyManua.ls Logo

Mitsubishi FR-E520-0.1KN

Mitsubishi FR-E520-0.1KN
193 pages
To Next Page IconTo Next Page
To Next Page IconTo Next Page
To Previous Page IconTo Previous Page
To Previous Page IconTo Previous Page
Loading...
INSTALLATION AND WIRING
21
Note:1. Make sure that the front cover has been installed securely.
2. The front cover has a capacity plate and the inverter a rating plate on it.
Since these plates have the same serial numbers, always reinstall the
removed cover to the inverter from where it was removed.
3. Always install the sink-source logic changing connector in either of the
positions. If two connectors are installed in these positions at the same time,
the inverter may be damaged.
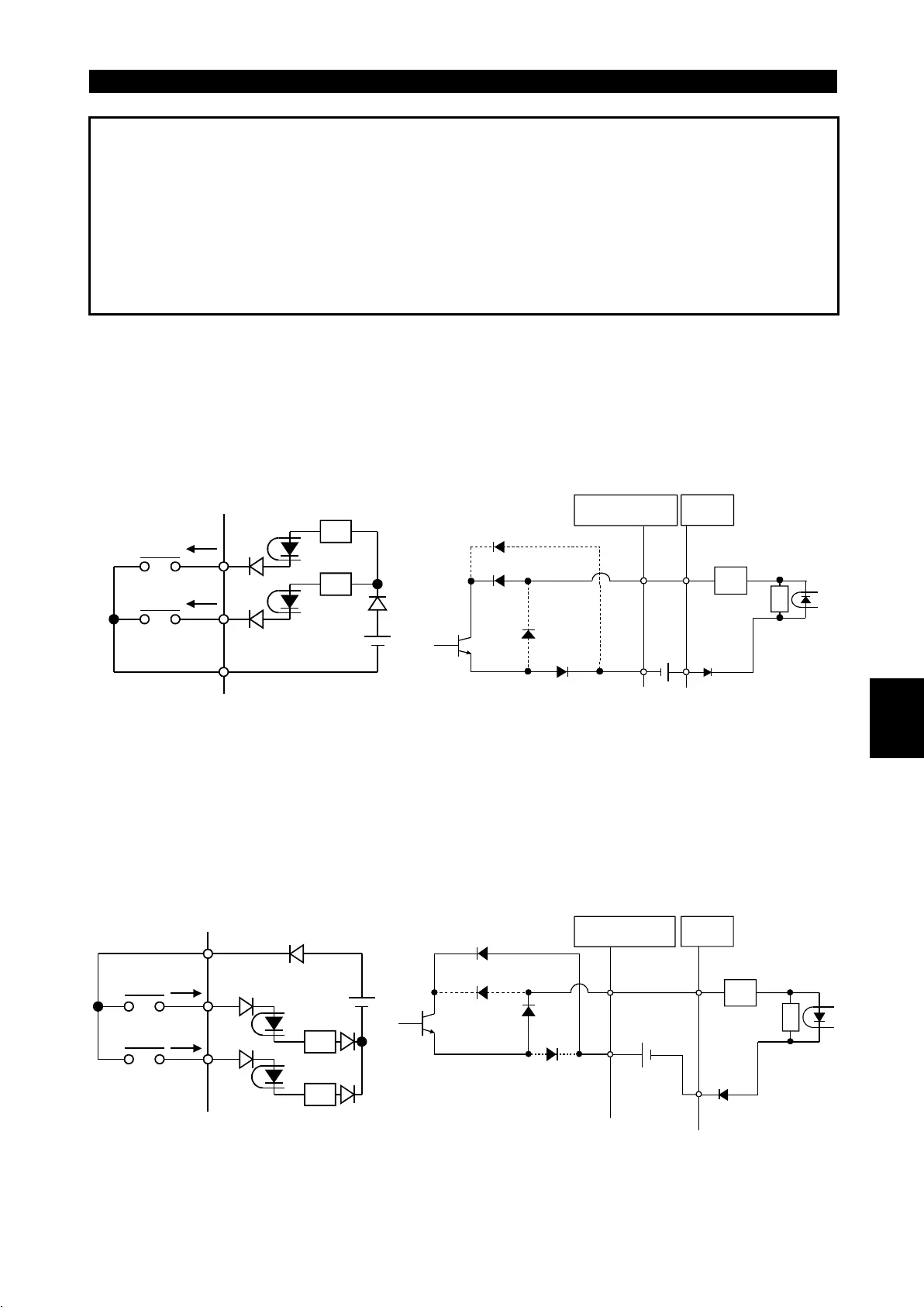
2) Sink logic type
!
In this logic, a signal switches on when a current flows out of the corresponding
signal input terminal.
Terminal SD is common to the contact input signals.
Terminal SE is common to the open collector output signals.
R
R
Current
MRS
RES
SD
AX40
SE
RUN
24VDC
R
1
9
R
• Current flow related
to RUN signal
Inverter
3) Source logic type
!
In this logic, a signal switches on when a current flows into the corresponding signal
input terminal.
Terminal P24 is common to the contact input signals.
Terminal SE is common to the open collector output signals.
R
R
Current
RES
MRS
P24
AX80
24VDC
RUN
SE
1
9
R
R
• Current flow related
to RUN signal
Inverter
2

Table of Contents

Related product manuals