EasyManua.ls Logo

Moffat turbofan E32SUBC - 208-240 Vac, 3 P+E Schematic; New Zealand Service Contacts; UK & USA Service Contacts

Moffat turbofan E32SUBC
68 pages
Print Icon
To Next Page IconTo Next Page
To Next Page IconTo Next Page
To Previous Page IconTo Previous Page
To Previous Page IconTo Previous Page
Loading...
56
9
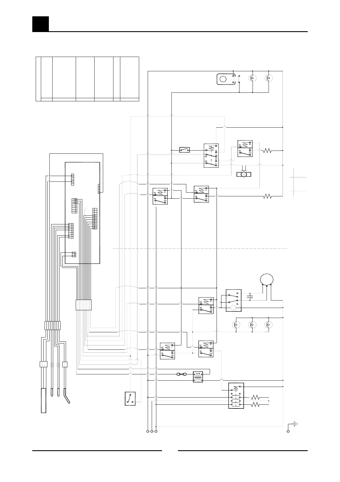
Circuit Schematics
Revision 3
© Moffat Ltd, September 2009
E32SUBC OVEN and PROOFER
208—240Vac, 3P+E
2
1
4
3
PROOFER
FAN MOTOR
M
L1
E
CIRCUIT SCHEMATIC - E32SUBC 3P+E
M
M
CC
NcNoNcNo
OVEN
MOTOR
TIMER
3uF
OVEN FAN
MOTOR
1
A
B
3
5 13
14
642
LIGHT
LIGHT
LIGHT
C
NO
NC
OVEN DOOR
MICROSWITCH
BROWN
BLACK
BLUE
800W 800W
120W
LIGHT
LIGHT
3 x 40W 88W
L2
L3
SWITCH
FLOAT
L1
L2
L3 15.3A
20.8A
18.2A 17.2A
18.0A
14.8A
21
34
567
8
J41
HUMIDITY SENSOR
OVEN TEMP PROBE
PROOFER TEMP PROBE
PROOFER WATER
TEMP PROBE
J38
21
3
J37
J17
J4
J1
21
34
5
67
8
87
6
5
4
3
21
2
1
34
5
10
98
7
6
54
321
CONTROLLER (BACKSIDE)
PURPLE
BLACK
BROWN (RED MARKER)
BLUE
WHITE
BROWN
ORANGE
YELLOW (RED MARKER)
GREEN
GREY
RED
YELLOW
208V
240V
2150W
2850W
TOP
BOTTOM
PURPLE
ORANGE
GREEN
YELLOW
RED
WHITE
GREY
BLACK
BLUE
PURPLE
ORANGE
GREEN
YELLOW
RED
WHITE
GREY
BLACK
BLUE
PURPLE
BLACK
BROWN & WHITE STRIP
BLUE
WHITE
BROWN
ORG
YELLOW (RED MARKER)
GREEN
GREY
RED
YELLOW
OVEN
HEATING
CONTACTOR
PROOFER
ON/OFF
RELAY
OVEN
ON/OFF
RELAY
OVEN
HEAT
RELAY
OVEN
FAN
RELAY
WATER
LEVEL
RELAY
PROOFER
HEATING
RELAY
WATER
TANK
RELAY
WATER
SOLENOID
OVEN INNER
COIL ELEMENT
TRANSFORMER
208/240:24V 40VA
FUSE 0.63A
PROOFER
HEATING
ELEMENT
WATER TANK
ELEMENT
OVEN
OUTER
COIL
ELEMENT
R1
C1
R2
R3
R4
R5
R7
R6
OVEN
PROOFER
J1 PIN 1 - NOT USED
PIN 2 - NOT USED
PIN 3 - NOT USED
PIN 4 - NOT USED
PIN 5 - HUMIDITY SENSOR
J4 PIN 1 - NOT USED
PIN 2 - NOT USED
PIN 3 - NOT USED
PIN 4 - OVEN FAN OUTPUT
PIN 5 - PROOFER POWER OUTPUT
PIN 6 - PROOFER WATER HEAT OUTPUT
PIN 7 - PROOFER AIR HEAT OUTPUT
PIN 8 - OVEN POWER OUTPUT
PIN 9 - OVEN HEAT OUTPUT
PIN 10 - COMMON
J7 PIN 1 - NOT USED
PIN 2 - HUMIDITY SENSOR 5V
PIN 3 - NOT USED
PIN 4 - NOT USED
PIN 5 - NOT USED
PIN 6 - HUMIDITY SENSOR GROUND
PIN 7 - NOT USED
PIN 8 - NOT USED
J37 PIN 1 - NOT USED
PIN 2 - NOT USED
PIN 3 - NOT USED
PIN 4 - NOT USED
PIN 5 - NOT USED
PIN 6 - PROOFER WATER FLOAT SWITCH INPUT
PIN 7 - OVEN DOOR MICROSWITCH INPUT
PIN 8 - 24V
J38 PIN 1 - 24V POWER INPUT TO CONTROLLER
PIN 2 - NOT USED
PIN 3 - 24V POWER INPUT TO CONTROLLER
J41 PIN 1 - PROOFER WATER TEMP PROBE
PIN 2 - PROOFER WATER TEMP PROBE
PIN 3 - NOT USED
PIN 4 - NOT USED
PIN 5 - PROOFER AIR TEMP PROBE
PIN 6 - PROOFER AIR TEMP PROBE
PIN 7 - OVEN TEMP PROBE
PIN 8 - OVEN TEMP PROBE
CONTROLLER INPUTS/OUTPUTS
8
7

Related product manuals