EasyManua.ls Logo

Moffat turbofan E32SUBC - References; Controller Setting Reference Guide

Moffat turbofan E32SUBC
68 pages
Print Icon
To Next Page IconTo Next Page
To Next Page IconTo Next Page
To Previous Page IconTo Previous Page
To Previous Page IconTo Previous Page
Loading...
57
10
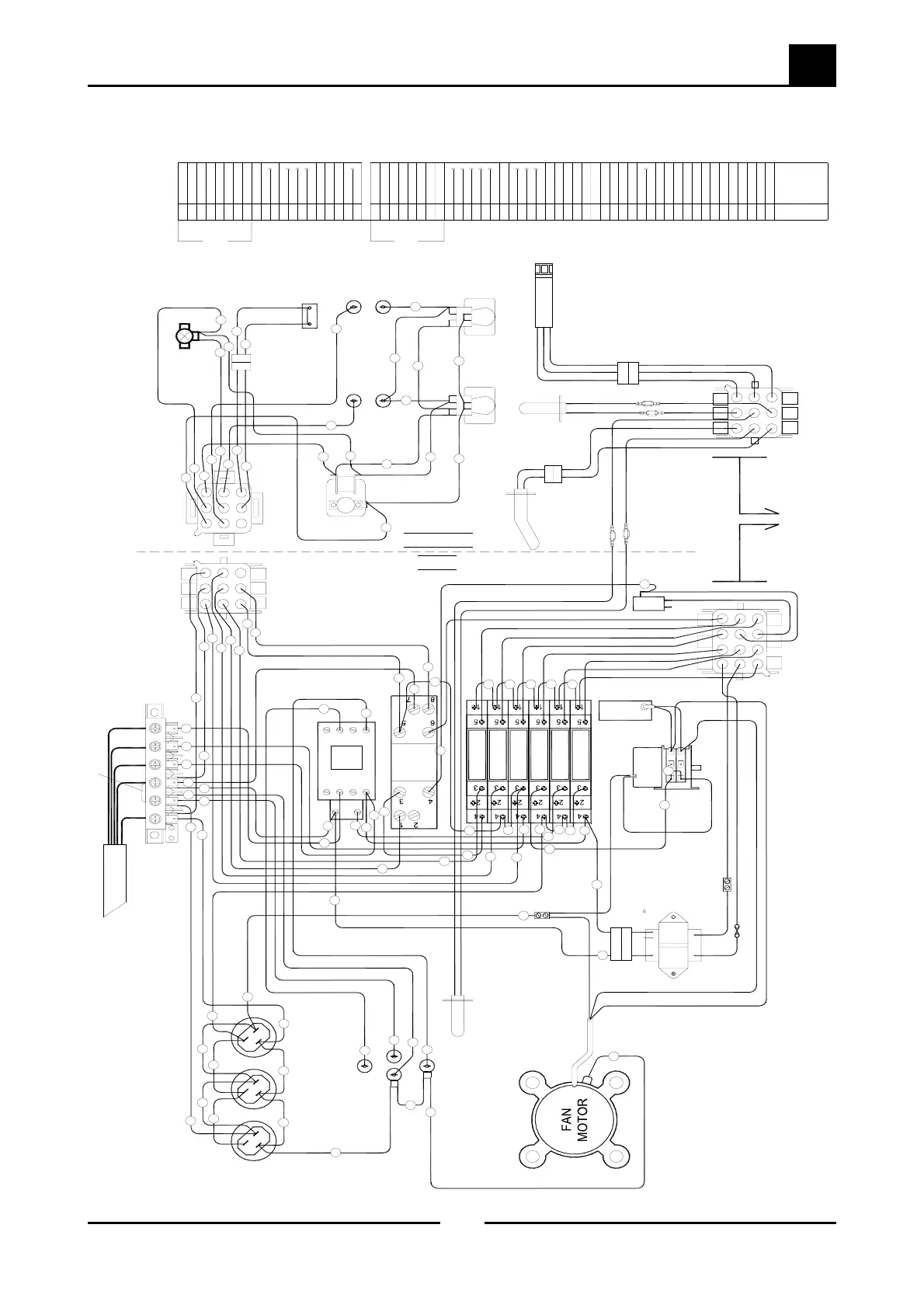
Wiring Diagrams
Revision 3
© Moffat Ltd, September 2009
E32SUBC OVEN and PROOFER
380—415Vac, 3P + N + E
COM
NO
N
P
E
E
N
P
A1
2
1
4614
3513
DOOR
MICROSWITCH
CONTACTOR
ELEMENTS
CONNECTOR
EX No.015079
OVEN LIGHTS 40W
E
P
N
FAN MOTOR
ELEMENT
800W DRY
E
L3
L2
L1
NC
LIGHT 25W
FLOAT SWITCH
WATER
SOLENOID
LIGHT 25W
800W WET
ELEMENT
CORDSET
L3 GREY
L2 BLACK
L1 BROWN
N BLUE
A2
1
4
COM
NO
MOTOR
TIMER
NC
COM
CAPACITOR
BLACK
WHITE
FUSE
24VAC
N
E GREEN
3
LENGTH
TERMINALS
TYPE
ITEM
64
63
62
61
60
59
58
57
55
54
53
52
51
50
49
48
47
46
45
44
43
41
40
39
38
37
36
35
34
33
32
31
30
29
28
27
26
25
24
23
22
21
18
17
16
15
14
13
12
11
10
9
8
7
6
5
4
2
1
PROBE
PROBE
PROBE
HUMIDITY
54
CONNECTOR
EX No.015079
C 30 FX
C 40 FX
B 30 FD
B 10 DD
B 25 DD
B 65 FD
C 30 FX
B 20 DX
B 20 DC
B 10 DD
B 10 DD
B 25 DD
B 30 FD
B 24 F
B 24 F
B 20 FD
C 40 FX
B 10 DD
F 30 FD
B 30 DC
F 15 FD
F 30 DC
G 40 FF
G 40 FF
B 30 DC
B 30 DC
B 30 DC
B 35 DC
B 35 DC
F 30 FC
K 30 FC
PROOFER
AIR TEMP
PROOFER
WATER TEMP
233310
PROOFER HUMIDITY
SENSOR 233309
OVEN
AIR TEMP
55
GREEN
PURPLE
ORANGE
GREY
BLACK
BLUE
WHITE
YELLOW
RED
ORANGE
YELLOW
RED
BROWN
GREY
GREEN
1
1
3
3
2
17
2
17
7
7
8
8
9
64
64
63
61
60
59
58
57
62
45
46
61
59
49
50
51
52
53
36
35
36
34
33
32
31
31
44
29
29
15
28
27
14
BLACK
BROWN
BLUE
25
24
24
25
22
21
21
22
12
12
11
10
4
23
23
26
30
30
30
30
30
13
13
18
18
5
5
6
6
26
16
16
43
42
41
40
39
38
37
43
42
41
40
39
38
37
WIRING HARNESS - RELAYS
233415
WIRING HARNESS - SENSORS
233470
47
48
62
60
WIRE LOOM
9 WAY CAP
233416
TRANSFORMER
WORKED 228660
WIRE LOOM
9 WAY PLUG
233417
B 25 KK
B 25 KK
B 100 FK
B 100 FK
B 100 FK
B 60 FK
F 100 FK
K 60 FK
B 60 F
B 45 F
FLOAT C
FLOAT C
F 60 F
F 35
F 20
F 20 F
F 75 FF
K 60 F
K 45 F
J
J
J
J
J
K 15 F
K 15
K 30
K 24
K 24
K 24 F
F 24
F 45 D
J
J
J
J
J
42
F 24
F 45 F
J
J
J
J
PB 08 DD
19
BLACK
PURPLE
BLUE
WHITE
YELLOW (RED MARKER)
BROWN (RED MARKER)
20
20
B 10 FF
TERMINAL BLOCK NEUTRAL JUMPER
WIRE LOOM
9 WAY CAP
233416
WIRE LOOM
9 WAY PLUG
233417
CONNECTION TO
CONTROLLER
WIRING HARNESS
OVEN
PROOFER
R1
R2
R3
R4
R5
R6
R7
C1
63
49
C1 - 240VAC - OVEN HEATING CONTACTOR
R7 - 240VAC - WATER LEVEL RELAY
R6 - 24VDC - WATER TANK ELEMENT
R5 - 24VDC - PROOFER HEATING ELEMENT
R4 - 24VDC - PROOFER ON/OFF
R3 - 24VDC - OVEN FAN
R2 - 24VDC - OVEN HEAT RELAY
R1 - 24VDC - OVEN ON/OFF
123
4
56
7
8
9
10
11
12
123
4
7
5
6
8
9
123
4
7
5
8
6
9
12
3
4
7
5
8
6
9
233314

Related product manuals