EasyManua.ls Logo

Motorola Pro3100 - Page 131

Motorola Pro3100
686 pages
To Next Page IconTo Next Page
To Next Page IconTo Next Page
To Previous Page IconTo Previous Page
To Previous Page IconTo Previous Page
Loading...
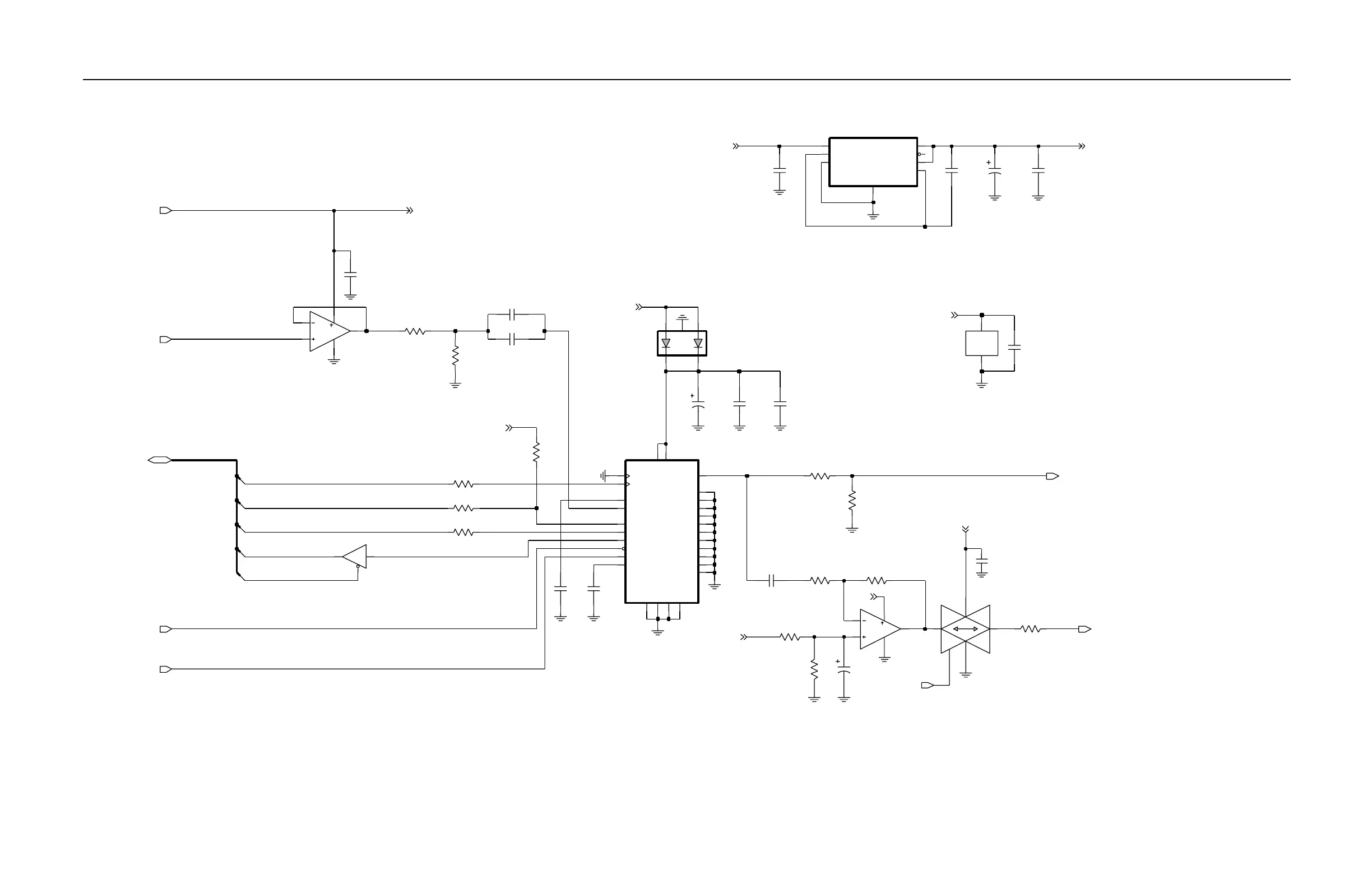
Controller T12 Schematics and Parts Lists (8471224L04) Section 3: 3-51
6881091C63-F
9
C0325
0.1uF
NU
10K
R0332
C0331
0.1uF
U0331-2
PWR_GND
3
GND
5
VCC
2
C0354
0.1uF
C0342
18K
U0341-2
LM2904
6
5
7
8
4
2
5
VDD
3
VSS
6
0.1uF
C0302
10
R0343
0
R
X_AUD_RTN
5VD
FLAT_RX_SND
3V3
SPI(0:10)
R0324
C0303
100pF
0.1uF
C0305
0.1uF
C0343
0.1uF
1uF
C0324
U0351
LP2951ACMM-3.3
2
C0351
0.1uF
74AHCT1G125
U0331-1
2
A
1
OE
4
Y
33uF
C0353
.022uF
C0352
10K
R0333
SS
9
VCCA
26
VCCD
7
VSSA1
1
VSSA2
17
VSSA3
18
VSSD
12
XCLK
6
10K
R0341
D0301
5
3
1
2
4
8
4
U0342
TC4S66F
4
CNTL
1
47K
R0346
47K
R0347
1uF
C0341
0.1uF
C0304
LM2904
U0341-1
2
3
1
C0344
0.1uF
8
0.1uF
C0301
CLK
DATA
5109152M01
VS_CS
MISO
VS_CS
56K
R0344
R0335
150K
5.1K
R0345
NC4
14
NC5
15
NC6
16
NC7
19
NC8
21
NC9
23
RAC
2
SCLK
8
INT
MISO
11
MOSI
10
NC1
3
NC10
27
NC11
28
NC2
4
NC3
13
U0301
22
AMCAP
ANA_NEG
24
ANA_POS
25
AUDOUT
20
5
10K
R0331
1.8K
R0342
ERROR
5
FEEDBACK
7
GND
4
INPUT
8
OUTPUT
1
SENSE
2
SHUTDOWN
3
VTAP
18K
R0323
VS_MIC
VS_RAC
3V3
3V3
5VD
5VD5VD
VS_INT
5VD
5VD
VS_AUDSEL
5VD
Controller T12 Schematic Diagram – Voice Storage

Table of Contents

Other manuals for Motorola Pro3100

Related product manuals