EasyManua.ls Logo

mycom 220JS-V - Separation of Suction Cover and Main Rotor Casing

Default Icon
209 pages
Print Icon
To Next Page IconTo Next Page
To Next Page IconTo Next Page
To Previous Page IconTo Previous Page
To Previous Page IconTo Previous Page
Loading...
2205B0JE-DA-J-N_2014.05.
5 Maintenance and Inspection
Screw Compressor J-series 5.4 Disassembly and Assembly of the Compressor
5-58
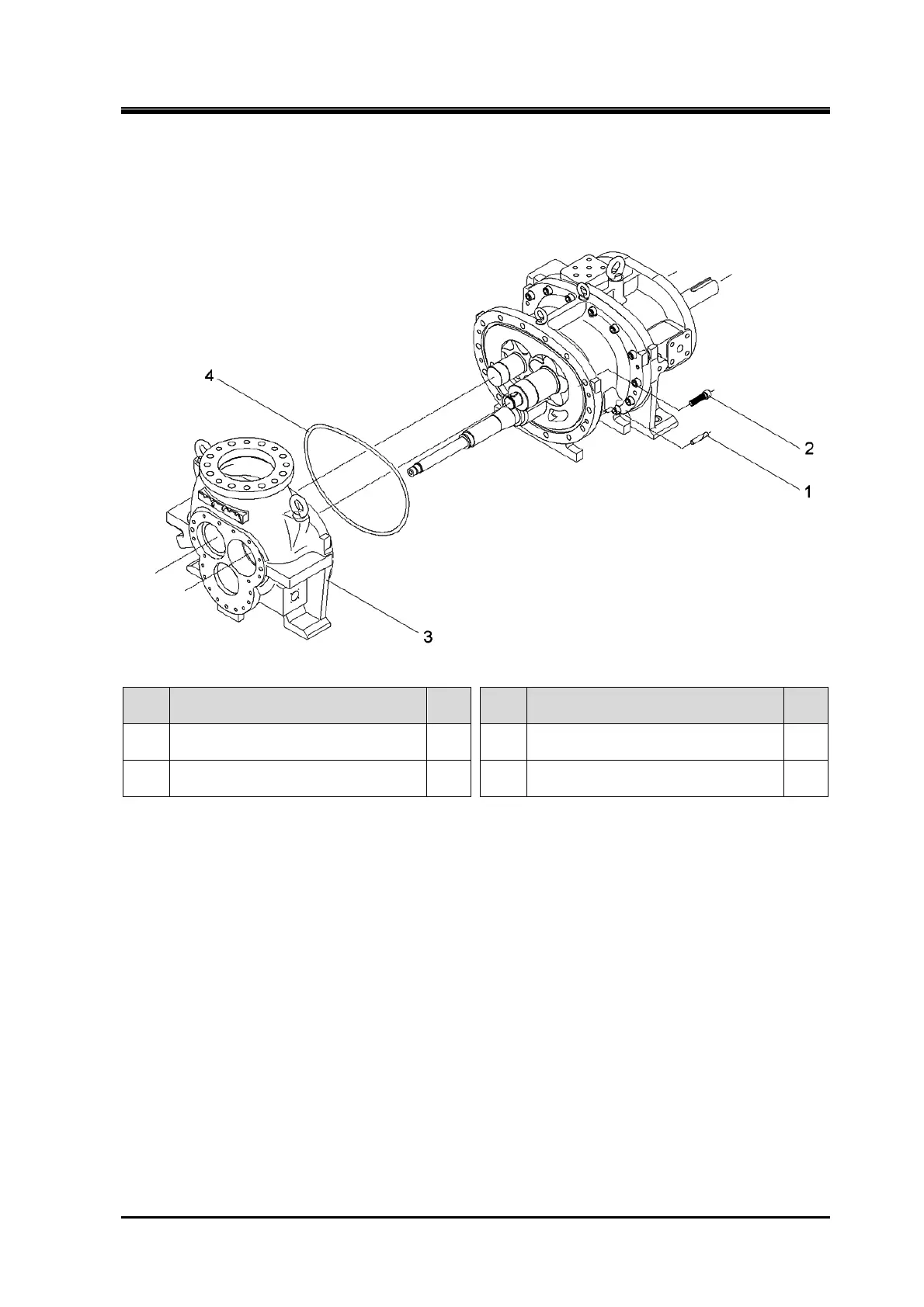
5.4.17 Separation of Suction Cover and Main Rotor Casing
170J/220J/280J
Order Description
Part
No.
Order Description
Part
No.
1
Parallel pin
(13 dia.×65/13 dia.×65/16 dia.×110)
3 3 Suction cover 5
2
Hexagon socket head cap screw
(M16×60/M16×75/M20×110)
2 4 O-ring (P375/P450/P580) 6
1. Remove the parts in the order of the numbers shown in the figure.
2. Install the parts in the reverse order of removing.

Table of Contents

Other manuals for mycom 220JS-V

Related product manuals