EasyManua.ls Logo

mycom 220JS-V - Unloader Cylinder

Default Icon
209 pages
Print Icon
To Next Page IconTo Next Page
To Next Page IconTo Next Page
To Previous Page IconTo Previous Page
To Previous Page IconTo Previous Page
Loading...
2205B0JE-DA-J-N_2014.05.
5 Maintenance and Inspection
Screw Compressor J-series 5.4 Disassembly and Assembly of the Compressor
5-42
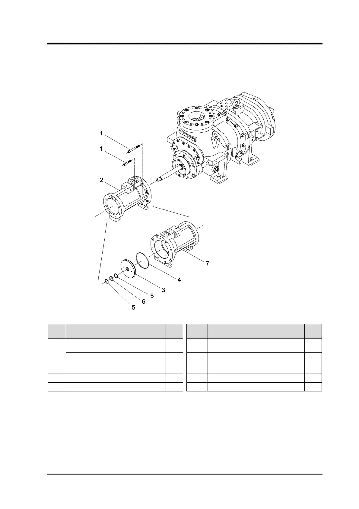
5.4.12 Unloader Cylinder
170J/220J/280J
Order Description
Part
No.
Order Description
Part
No.
1
Hexagon socket head cap screw
(M12×70/M16×90/M20×110)
61 4 O-ring (G135/G175/G230) 298
Hexagon socket head cap screw
(M12×110/ M16×140/ M20×170)
62 5
Back-up ring for O-ring
(SUN-2BP 32/ SUN-2BP 44/
SUN-2BP 58)
325-2
2 Unloader cylinder assembly 6 O-ring (P32/P44/P58) 325-1
3 Partition plate, unloader cylinder 297 7 Unloader cylinder 60
1. Remove the parts in the order of the numbers shown in the figure.
2. Install the parts in the reverse order of removing.

Table of Contents

Other manuals for mycom 220JS-V

Related product manuals