EasyManua.ls Logo

mycom 220JS-V - Page 44

Default Icon
209 pages
Print Icon
To Next Page IconTo Next Page
To Next Page IconTo Next Page
To Previous Page IconTo Previous Page
To Previous Page IconTo Previous Page
Loading...
2205B0JE-DA-J-N_2014.05.
2 Structure and Specifications of the Compressor
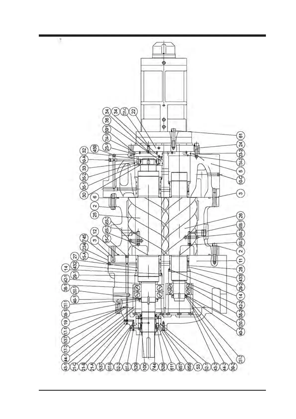
Screw Compressor J-series 2.4 Structure of the Compressor
2-22
Figure 2-14 Sectional View of the 280J-Series (2/3)

Table of Contents

Other manuals for mycom 220JS-V

Related product manuals