EasyManua.ls Logo

NAD C 720BEE - Page 13

NAD C 720BEE
38 pages
Print Icon
To Next Page IconTo Next Page
To Next Page IconTo Next Page
To Previous Page IconTo Previous Page
To Previous Page IconTo Previous Page
Loading...
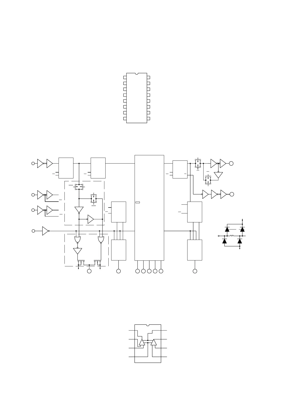
CD4094
MAIN BOARD:IC32&IC33
2
CL
CL
D
Q
1
CL
CL
D
Q
2
TR
TR
TR
TR
3
1
* VDD
VSS
* ALLINPUTS
PROTECTED BY
CMOS PROTECTION
NETWORK
CL
CL
8
CL
CL
n
p
DQ
Q
10
CL
CL
n
p
Q'S
SERIAL
OUT
11
Q8
TR
TR
LATCH
8
3
STATE
8
10
QS
SERIAL
OUT
STAGES
3 - 7
4
5
6
7121314
LATCH
2
3 -
STATE
2
CLOCK
*
STROBE
*
CL
CL
TR
TR
OUTPUT ENABLE
*
15
TR
TR
LATCH
1
p
n
n
VDD
VSS
Q1
Q2
Q3 Q4 Q5 Q6 Q7
3 - STSTE
1
1
2
3
4
5
6
7
89
10
11
12
13
14
15
16
STROBE
DATA
CLK
Q1
Q2
Q3
Q4
Q5
Q6
Q7
Q8
QS
Q'S
VSS
VDD
OUTPUT ENABLE
PIN CONFIGURATION
TL082CP/D
MAIN BOARD: IC3, IC4, IC34, IC43
-
++
-
A
B
1
2
3
45
6
7
8
V+
OUTPUT B
INVERTING INPUT B
NON-INVERTING INPUT B
V-
NON-INVERTING INPUT A
INVERTING INPUT A
OUTPUT A
KEY BOARD: IC707

Related product manuals