EasyManua.ls Logo

NAD C 720BEE - Wiring Diagram

NAD C 720BEE
38 pages
Print Icon
To Next Page IconTo Next Page
To Next Page IconTo Next Page
To Previous Page IconTo Previous Page
To Previous Page IconTo Previous Page
Loading...
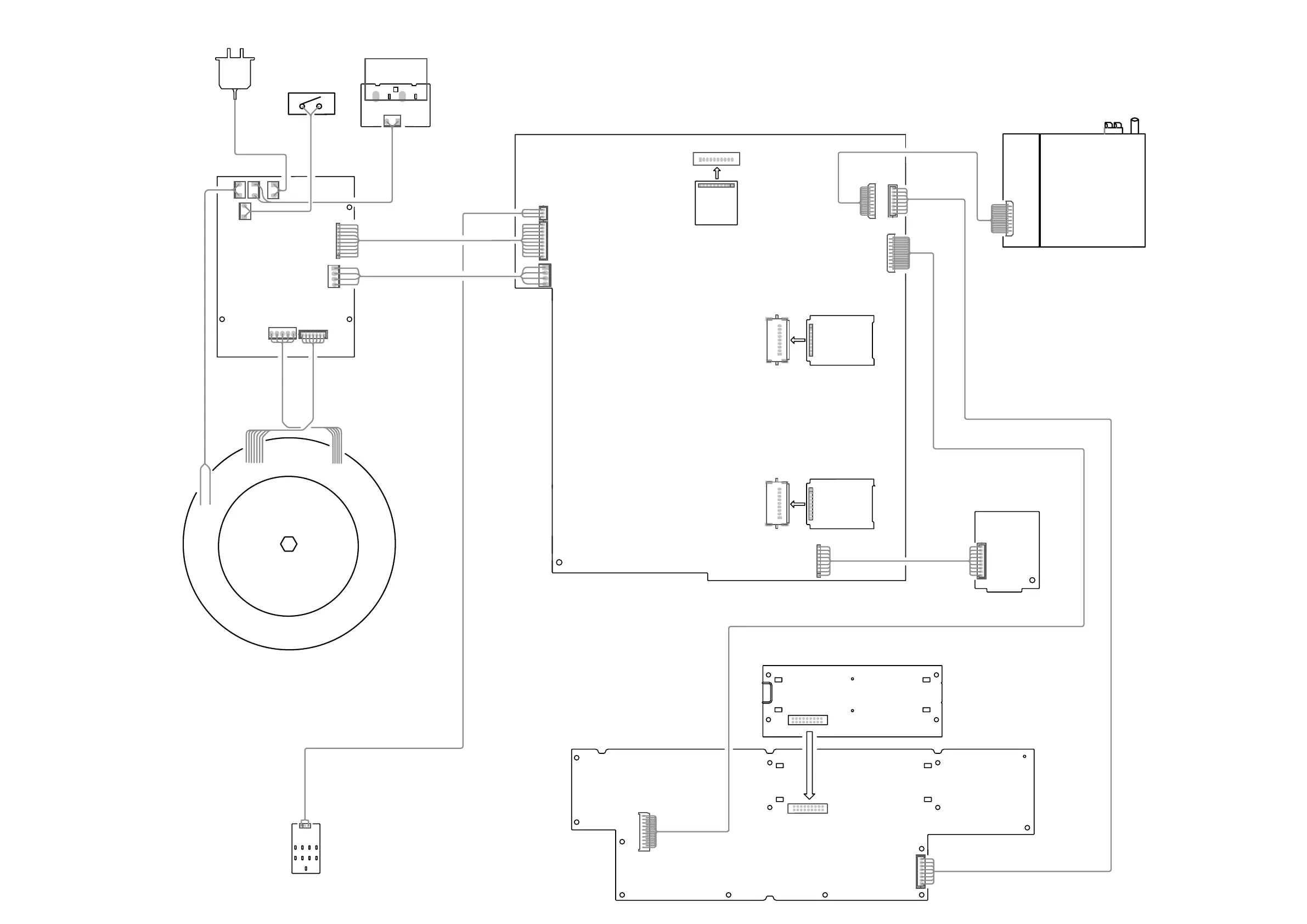
PCB-10 HEADPHONE BOARD
PCB-2 POWER BOARD
UL2468 AWG#26, WHITE, 150mm
PCB-6 AC OUTPUT BOARD
CZ45
TRANSFORMER
UL3266 AWG#18
190mm
UL1007 AWG#22
150mm
270mm
UL1672 AWG#22
CZ703
CZ702
PCB-4 VFD BOARD
PCB-7 OUT MODULE BOARD
CZ703
(Insert)
CB62
CZ701
PCB-5 POT BOARD
10
1
UL2468 AWG#26
WHITE, 130mm
CB31
PCB-3 KEY BOARD
FPC 1.25-19P-710mm
18
9
WHITE
CB33
CZ34
(Insert)
UL2468 AWG#26
WHITE, 400mm
PCB-8 IN MODULE BOARD
CB61
UL1672 AWG#18
UL1672 AWG#22, 150mm
CB49
CB47
CB45
RED, 100mm
PCB-9 MUTE BOARD
CB34
CB34
CB32
(Insert)
(Insert)
WIRING DIAGRAM
CB59
PCB-1 MAIN BOARD
FPC 1.25-17P-180mm
TUNER MODULE (KST-MB114MA0/1-23)
CZ35
WHITE, 500mm
UL2468 AWG#26
CON 01
CZ36 CZ37
WHITE
WB01HS-001(C)
UL1672 AWG#18
CB58
CB54
CB52CB51
CB55
CB53
RED, 130mm
WB05HS-001(AH)
CB56
CB57
AC POWER PLUG
POWER SWITCH

Related product manuals