EasyManua.ls Logo

NAD C 720BEE - Page 18

NAD C 720BEE
38 pages
Print Icon
To Next Page IconTo Next Page
To Next Page IconTo Next Page
To Previous Page IconTo Previous Page
To Previous Page IconTo Previous Page
Loading...
R446
56K
R445
56K
D420
1N4148
D419
1N4148
+18V
SUPPLY CIR.
+5V
C219
22n 10% 63V
RCA34D
MAIN-IN R-CH
L OUT
R OUT
D412
1N4148
D413
1N4148
+37V
R450
10K
R449
10K
R454
500
R455
500
+37V
Q416
C1815
Q417
C1815
2
3
1
8 4
IC3A
TL082CP/D
R156
470K
R157
470K
C122
1uF,63V,5%
R11
470
C121
1uF,63V,5%
C11
10u/16V
R15
22K
R14
100
Q12
A970
R158
2.2K
Q13
C2240
C12
470p
-18V
+18V
R19
39K,MF,5%
R111
82,MF,5%
R112
82,MF,5%
R110
39k,MF,5%
C14
10u/35V
C13
10u/35V
Q14
C2240
Q15
A970
R115
33
R116
33
Q16
A1015
Q17
C1815
R119
82,MF,5%
R120
82,MF,5%
C18
22p
C19
22p
C15
220uF/63V
C16
220uF/63V
Q110
KSA1220
Q111
KSC2690
R124
3.3/0.5W FP
R125
3.3/0.5W FP
R128
330/0.5W FP
R129
330/0.5W FP
R123
47K,5%,1/4
C110
47u/25V
C111
47u/25V
R126
2K7/2W FP
R127
2K7/2W FP
R130
82/1W FS
R131
82/1W FS
R142
22,MF,5%
R143
22,MF,5%
R136
10
R137
10
Q112
KSC2690
Q115
2SC5200
Q114
2SA1943
Q113
KSA1220
R144
0.068/3W CE
R145
0.068/3W CE
R139
470
R149
160/1/4W 1%
C116
2200u/6.3V
C117
0.1u 10% 63V
L11
1uH
R150
1/1W FP
R151
10/1W FS
C118
0.1u 10% 63V
C115
0.1u 10% 63V
C114
0.1u 10%
Q19
D667
Q18
B647
D13
1N4148
D15
1N4148
D14
1N4148
D16
1N4148
R121
100K,MF,5%
R122
100K,MF,5%
R21
470
R12
220K
R22
220K
C112
470p,100V,20%
C113
470p,100V,20%
R147
1K
Q11
C1815
Q12/1
A1015
R152
22K
R12/1
6K8
R148
15K
C120
22n 10%
D17
1N4148
RCA34C
MAIN-IN L-CH
R146
4K3 1W 1%
R154
10
R155
10
Q116
KSC2690
R138
390
Q47
A1015
Q45
A1015
Q46
C1815
R417
100
R419
100
R418
100
R416
100
C415
10u/25V
C416
10u/25V
R422
1.1K
R423
1.1K
R424
1.3K
R425
1.3K
R420
36K
R421
36K
D411
20V
D410
20V
1
2
3
S41A
4
5
6
S41B
ON
OFF
TP4
TP3
FS
FS
C720BEE POWER AMP CIR. R
63V
-18V
+18V +46V
-46V
+46V
-46V
D11
4.7V
D12
4.7V
R103
82,MF,5%
Q103
C2240
C103
100uF/16V
R101
39k,MF,5%
R106
82,MF,5%
Q104
A970
C104
100uF/16V
R105
39k,MF,5%
R104
220k,MF,5%
R102
220k,MF,5%
Q101
C2240
Q102
A970
R108
39,MF,5%
R107
39,MF,5%
Q48
C1815
C17
0.1uF/63V
C12/1
47uF/25V
R45
33/0.5W FS
R41
680
R43
680
R47
680
C43
220u/50V
C413
220u/35V
Q41
2SD669A
C45
22p
R49
680
R411
680
R413
680
D49
18V
C47
47u/25V
C49
47u/25V
R414
2K2
R46
33 / 0.5W FS
R42
680
R44
680
R48
680
C44
220u/50V
C414
220u/35V
Q43
C1815
C46
22p
R410
680
C48
10u/25V
C410
47u/25V
R412
2K
Q42
2SB649A
Q44
A1015
C411
0.1uF
C412
0.1u 10% 63V
R428
2K2
R429
5K1
MF
MF
-37V
+37V+18V
-18V
R427
22/1W FP
Q413
D669
Q414
C1815
+37V
+12V
R401
4K7
D403
1N4148
STANDBY
Q421
C1815
R469
10K
R468
22K
R467
T0=80 degree C
D428
1N4148
+18V
R12/2
22K
C422
330u/16V
C421
4u7/50V
C432
0.22u
R441
15K
R442
56K
C420
100u/16V
PROTECTION CIR.
0V
0V
+3.25V
+2.16V
0V
0V
+2.0V
+46V
1
2
3
4
CB49
4PIN
-46V+46V
1
2
3
CB45
R453
220/2W FP
R452
220/2W FP
R438
22K
R439
T0=90 degree C
Q412
C1815
POSISTOR
+18V
1
2
3
4
5
6
7
8
IC44
UPC1237HA
D42
1N4148
D43
1N4148
R437
47K
STANDBY
R440
2K2
+18V
R478
100K
1
2
3
IC43A
TL082D
R480
6K2
R482
4K7
R479
100K
C428
10u/25V
C425
10u/25V
R470
10K
R471
10K
D418
1N4148
D417
1N4148
R477
47K
R483
330K
R473
47K
R472
470K
C426
10u/25V
C429
10u/25V
R488
39K
R487
39K
R486
560K
R474
1K
C430
10u/25V
R476
1K
C431
10u/25V
R490
100K
R491
100K
4
5
6
7
8
IC43B
TL082D
+18V
+18V-18V
ISC CIRCUIT
VR12
300
1
2
3
4
5
6
7
8
9
10
CB47
10PIN
I-V
AC DET.
ISC TRIG
VFD AC2
VFD AC1
6
6
5
5
4
4
3
3
2
2
1
1
RL12/2
6
6
5
5
4
4
3
3
2
2
1
1
RL12/1
C435
1nF
C436
1nF
R494
10k
R493
10k
C443
0.1uF
R OUT
L OUT
HEADPHONE OUT L
HEADPHONE OUT R
JK41
1
2
3
CZ45
PHONES SOCKET
N8C320D03
R458
100,FP ,5%,2W
R459
100,FP ,5%,2W
C41
0.1uF
HEADPHONE OUT CIRCUIT FOR Vm1.7
C119
22n 10% 63V
C21
10u/16V
R25
22K
R24
100
Q22
A970
Q23
C2240
C22
470p,50V,20%
R29
39k,MF,5%
R211
82,MF,5%
R212
82,MF,5%
R210
39k,MF,5%
C24
10u/35V
C23
10u/35V
Q24
C2240
Q25
A970
R215
33
R216
33
R203
82,MF,5%
Q26
A1015
Q27
C1815
R219
82,MF,5%
R220
82,MF,5%
C28
22p
C29
22p
C25
220uF/63V
C26
220uF/63V
Q210
KSA1220
Q211
KSC2690
R224
3.3/0.5W FP
R225
3.3/0.5W
R228
330/0.5W FP
R229
330/0.5W
R223
47K
C210
47u/25V
C211
47u/25V
R226
2K7/2W
R227
2K7/2W
R230
82/1W FS
R231
82/1W FS
R242
22,MF,5%
R243
22,MF,5%
R236
10
R237
10
Q212
KSC2690
Q215
2SC5200
Q214
2SA1943
Q213
KSA1220
R244
0.068/3W CE
R245
0.068/3W CE
R239
470
R249
160 1/4 1% MF
C216 2200u/6.3V
C217
0.1u 10% 63V
L21
1uH
R250
1/1W FP
R251
10/1W FS
C218
0.1u 10% 63v
C215
0.1u 10%
C214
0.1u 10% 63V
TP1
Q29
D667
Q28
B647
D23
1N4148
D25
1N4148
D24
1N4148
D26
1N4148
R221
100K,MF
R222
100K,MF,5%
C212
470p,100V,20%
C213
470p,100V,20%
R247
1K
R248
15K
R252
22K
Q21
C1815
C220
22n 10%
D27
1N4148
R246
4K3/1W 1% MF
R254
10
R255
10
Q216
KSC2690
R238
390
FP
TP2
FP
FP
FP
FS
FS
63V
Q203
C2240
C203
100uF/16V
R201
39K,MF,5%
R206
82,MF,5%
R205
39k,MF,5%
C204
100uF/16V
Q204
A970
+18V
-18V
+46V
-46V
R202
220k,MF,5%
R204
220k,MF,5%
D21
4.7V
D22
4.7V
Q201
C2240
Q202
A970
R207
39,MF,5%
R208
39,MF,5%
C27
0.1uF/63V
6
5
7
48
IC4B
TL082CP/D
R256
470K
R257
470K
C222
1uF,63V,5%
C221
1uF,63V,5%
R258
2.2k
-18V
+18V
VR22
300
POWER AMP CIR. R
POSISTOR
Binding Posts B
Binding Posts A
SPK B
PROTECTION
SPK A
-30V
VFD AC2
VFD AC1
+18V
-18V
+12V
+5V
Name
C720BEE PREAMP Vm1.2.SCH
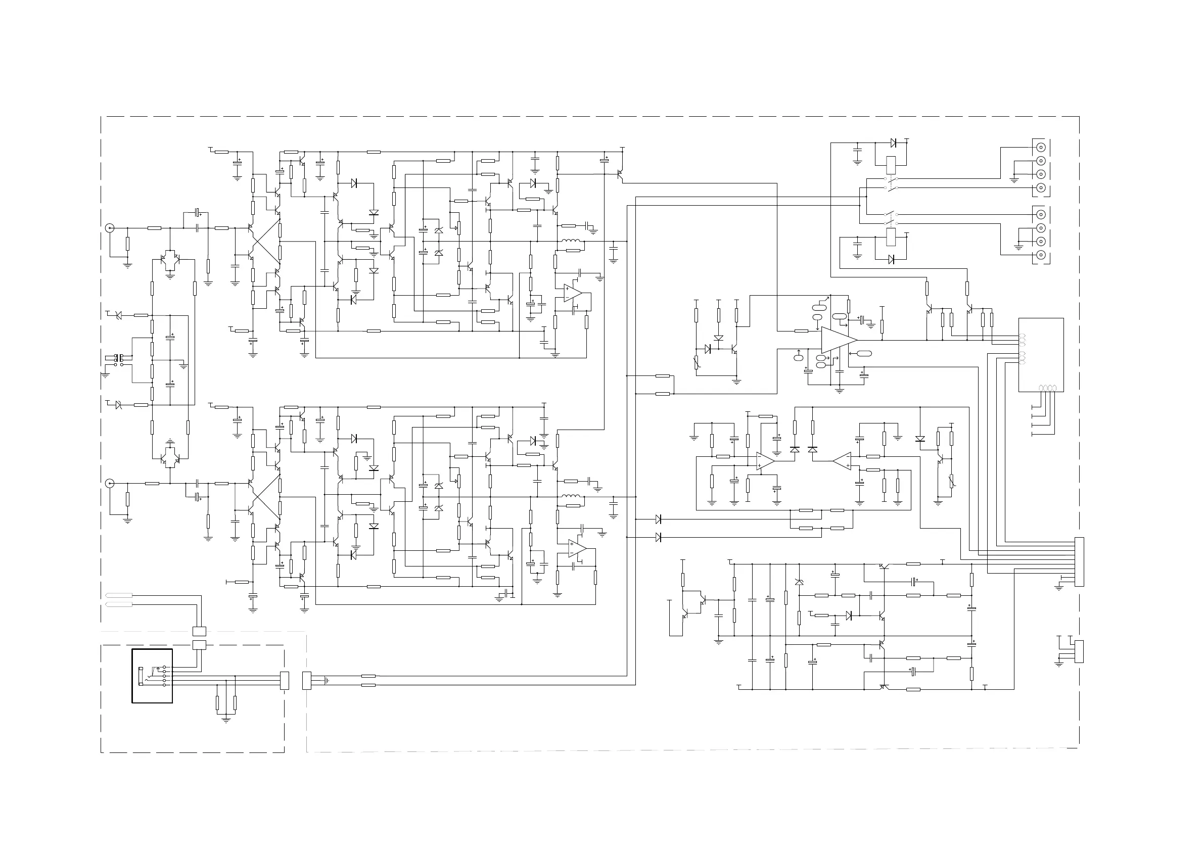
ISC Circuit:
It switches the power
supply to a lower
voltage when the load
impedance is low, or
the temperature on
the heatsink is over
80C degrees.
Mount on the heatsink
I/V For
Over
Current
Protection
+18V
-18V
+12V
+5V
-30V
-37V
+37V
PCB-10: HEADPHONE BOARD FOR Vm5.0
POWER AMP CIRCUIT FOR Vm1.7
PCB-1:MAIN BOARD FOR Vm5.0
SCHEMATIC DIAGRAM (1/4)
SUBOUT 1
SUBOUT 2
1
2
J204 2PIN
1
2
J204 2PIN
- 18 -
Over Heat Protection:
It shuts down the unit
when the temperature on
the heatsink is over 90C
degrees.
It also shuts down the unit
when the unit enters the
standby mode.

Related product manuals