EasyManua.ls Logo

Nibe ACVM 270 - Page 68

Nibe ACVM 270
96 pages
Print Icon
To Next Page IconTo Next Page
To Next Page IconTo Next Page
To Previous Page IconTo Previous Page
To Previous Page IconTo Previous Page
Loading...
NIBE™ SPLIT ACVM 27068
Miscellaneous
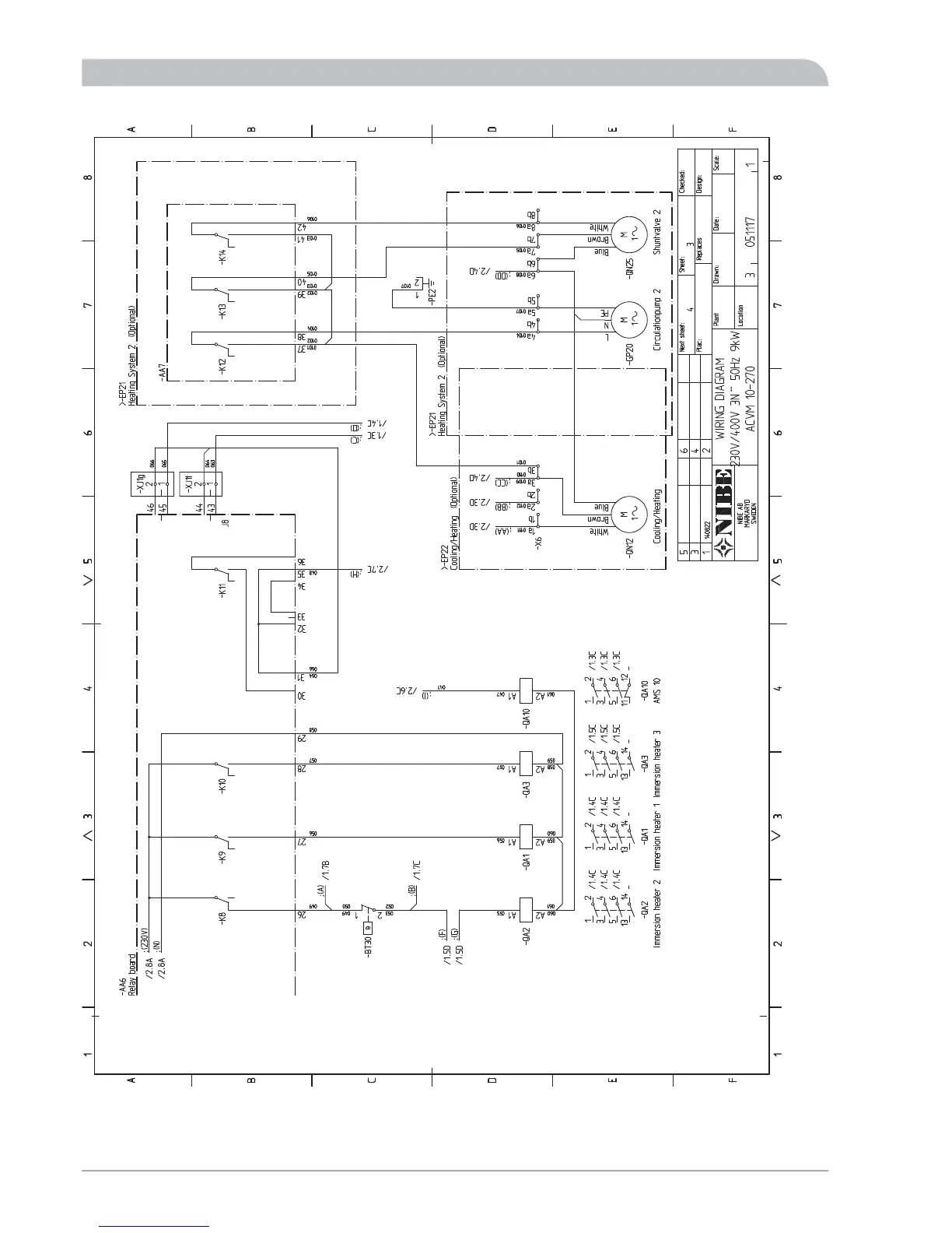
Electrical circuit diagram

Table of Contents

Related product manuals