EasyManua.ls Logo

Nidac VST62 - Fail Secure Lock Wiring with Tamper Security

Default Icon
36 pages
Print Icon
To Next Page IconTo Next Page
To Next Page IconTo Next Page
To Previous Page IconTo Previous Page
To Previous Page IconTo Previous Page
Loading...
8
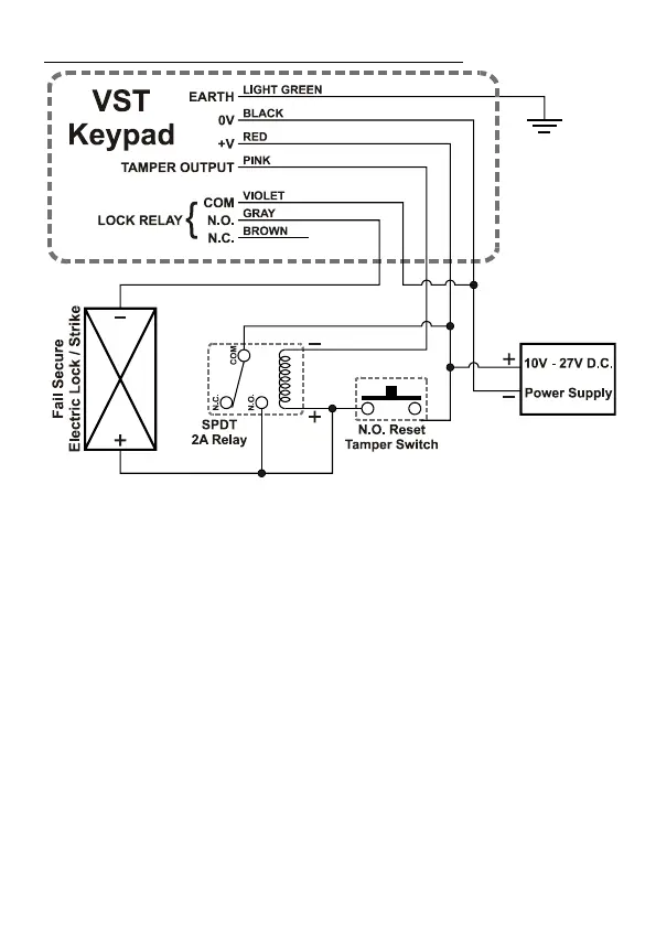
2.2.6 Fail Secure Lock Wiring with Tamper Security
This method of wiring the lock ensures that even if the keypad is forcibly
removed from the wall the lock cannot operated by manipulation of the
wiring.
The relay, reset switch and power supply are required to be situated
securely inside where they and their wiring cannot be accessed by
someone on the outside.
The reset button will need to be pressed after power up and also once
any tamper events have been cleared in order to enable the lock to
open.

Table of Contents

Related product manuals