EasyManua.ls Logo

Nortech CRC200R - Appendix A - Menu Structures

Nortech CRC200R
43 pages
Print Icon
To Next Page IconTo Next Page
To Next Page IconTo Next Page
To Previous Page IconTo Previous Page
To Previous Page IconTo Previous Page
Loading...
CRC200R USER GUIDE ISSUE 02
A-1
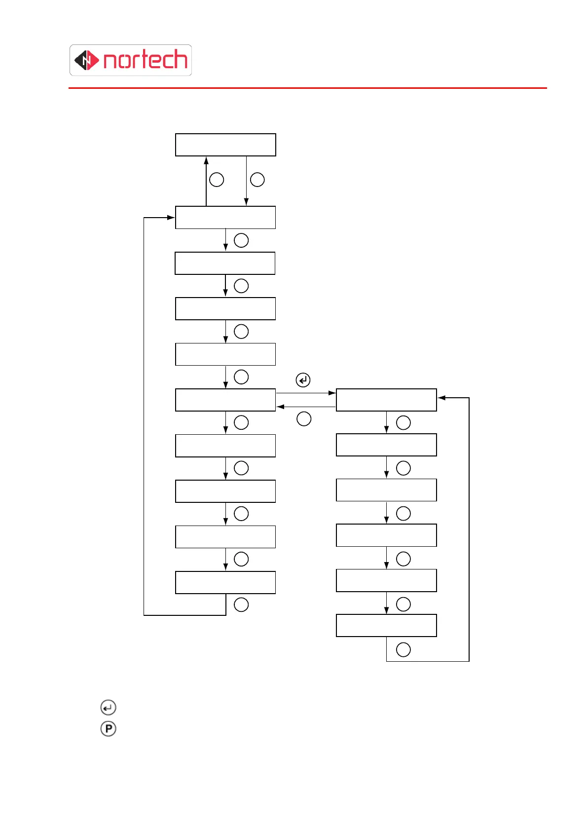
Appendix A – Menu Structures
210 Mode
Press
to enter a menu item
Press
to escape a menu item or move up a level
Operating Mode
Program Cards
Verify Cards
Set PIN Codes
Installer
Clear Cards
Clear Events
Time Zones
Access Levels
Config
Set APB Mode
Date/Time
Door Open TZ
Card Format
Card test
P
0
P
0
0
0
0
0
0
0
P
0
0
0
0
0
0
Learn Cards
0
0