EasyManua.ls Logo

Olympus CLV-U20 - 3 Construction

Olympus CLV-U20
44 pages
Print Icon
To Next Page IconTo Next Page
To Next Page IconTo Next Page
To Previous Page IconTo Previous Page
To Previous Page IconTo Previous Page
Loading...
3
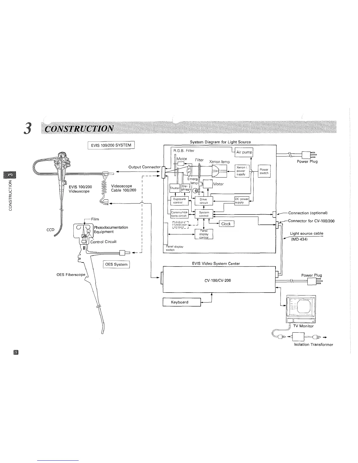
Light source cable
.---
IMD-434)
...---
Connection (optional)
....---Connector
for
CV-lOO/200
t==='~
Power Plug
Power Plug
F=:::::\'\;:::::==~
Power
switch
Xenon lamp
Filter
1-----
DC
power
~-"-;'=_
supply
EVIS Video System Center
Syslem
Diagram
for
Light Source
CV
-1
OO/CV
-200
Xenon I
'::==1--
power
rYnt;jr---l~~-
supply
Motor
R.G.B.
Filter
Keyboard
Panel displaY
switch
r---"
I
I
I
I
I
I
I
I
I
I
I
I
I
I
I
I
I
I
-~
Output Connector
Videoscope
Cable 100/200
I
OES
System I
Photodocumentation
Equipment
lEVIS
100/200 SYSTEM I
EVIS
100/200
Videoscope
CCD
z
o
f=
u
::>
ex:
I-
(J)
Z
o
u
Isolation
Transformer