EasyManua.ls Logo

OMA 504A - Chap.2 Caractéristiques Techniques; Kap.2 Technische Spezifikationen

OMA 504A
75 pages
Print Icon
To Next Page IconTo Next Page
To Next Page IconTo Next Page
To Previous Page IconTo Previous Page
To Previous Page IconTo Previous Page
Loading...
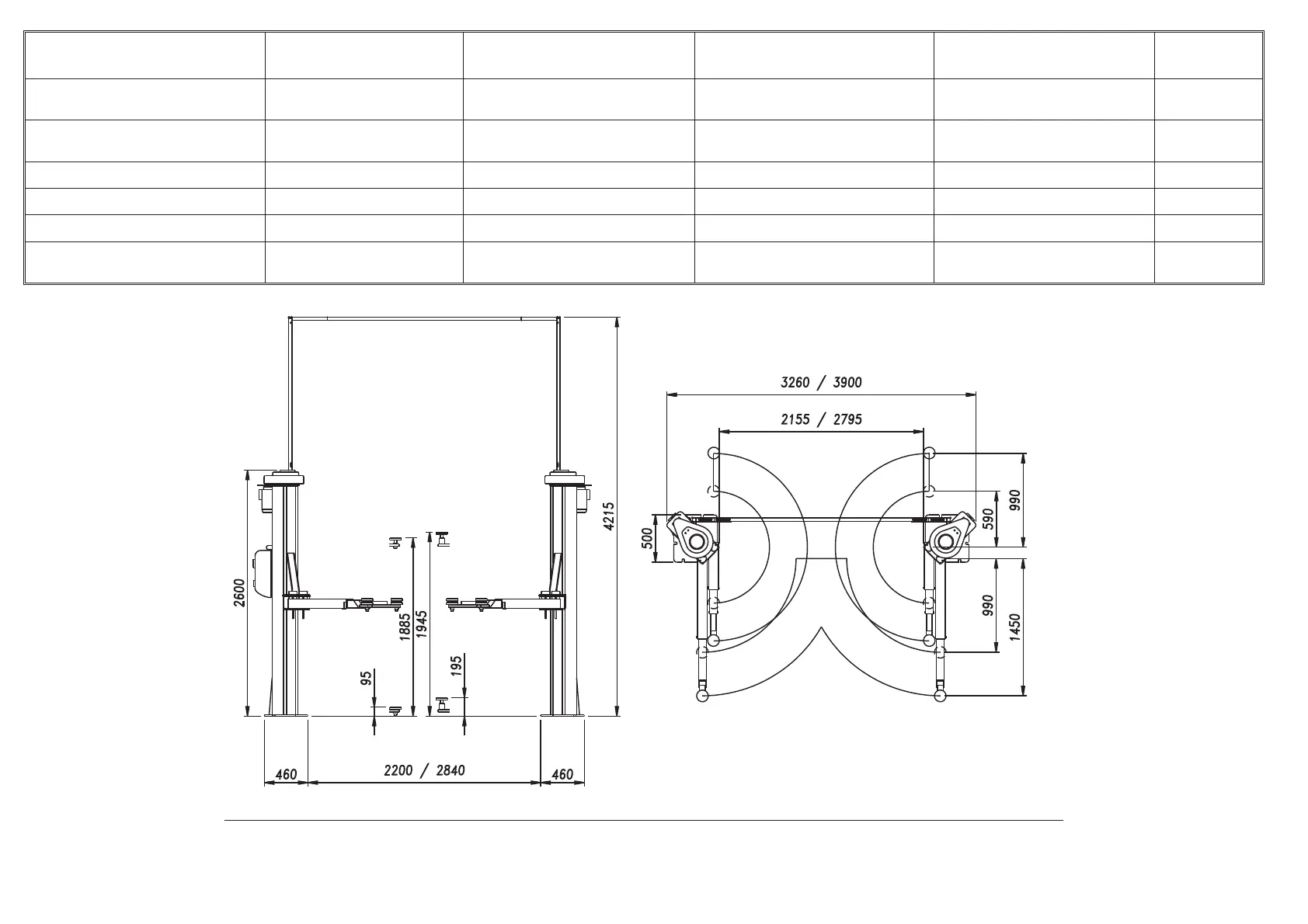
Fig.8 Dimensioniedingombri
Fig.8 Dimensions
Fig.8 Dimensionsetencombrements Abb.8 AbmessungenundRaumbedarf
Fig.8 Dimensiones
14
CAP.2
SPECIFICHETECNICHE
CHAPTER2
SPECIFICATIONS
CHAP.2
CARACTÉRISTIQUES
KAP.2TECHNISCHE
SPEZIFIKATIONEN
CAP.2
DATOSTECNICOS
PORTATA: CAPACITY: PORTÉE TRAGFÄHIGKEIT: CAPACIDAD:
3000Kg
(29400N)
Tempodisalita
TempodisalitaHS
Liftingtime
LiftingtimeHS
Tempsdemontée
TempsdemontéeHS
Aufstiegzeit
AufstiegzeitHS
Tiempodeelevación
TiempodeelevaciónHS
55sec
45sec
Tempodidiscesa Descenttime Tempsdedescente Abstiegzeit Tiempodebajada 55sec.
Pesototaledelsollevatore Totalweightofrackapprox Poidstotaldel’élévateur GesamtgewichtderHebebühne Pesototalaprox.delelevador 600Kg
Rumorosità Noiselevel Niveausonore Geräuschpegel Nivelderuido 70dB(A)/1m
Temperaturadifunzionamento: Operatingtemperature: Températuredefonctionnement: Betriebstemperatur Temperaturadefuncionamiento
-10°C
+50°C

Related product manuals