EasyManua.ls Logo

Omnicomm Optim 3.0 - Page 13

Omnicomm Optim 3.0
Print Icon
To Next Page IconTo Next Page
To Next Page IconTo Next Page
To Previous Page IconTo Previous Page
To Previous Page IconTo Previous Page
Loading...
RU
12
Электронная версия
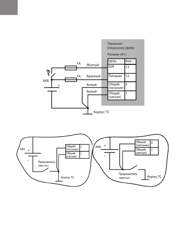
Подключение к цепи питания и к ключу зажигания зависит
от наличия на ТС прерывателя «массы» и возможности
подключения непосредственно к ключу зажигания.
Рисунок 3. Схема подключения на ТС без прерывателя «массы»
Рисунок 4. Схема подключения на ТС
после прерывателя «массы»
Рисунок 5. Схема подключения на ТС
до прерывателя «массы»

Related product manuals