EasyManua.ls Logo

Omron E3X-DA-N - Operation; Output Circuits

Omron E3X-DA-N
37 pages
Print Icon
To Next Page IconTo Next Page
To Next Page IconTo Next Page
To Previous Page IconTo Previous Page
To Previous Page IconTo Previous Page
Loading...
E3X-DA-NE3X-DA-N
6
Operation
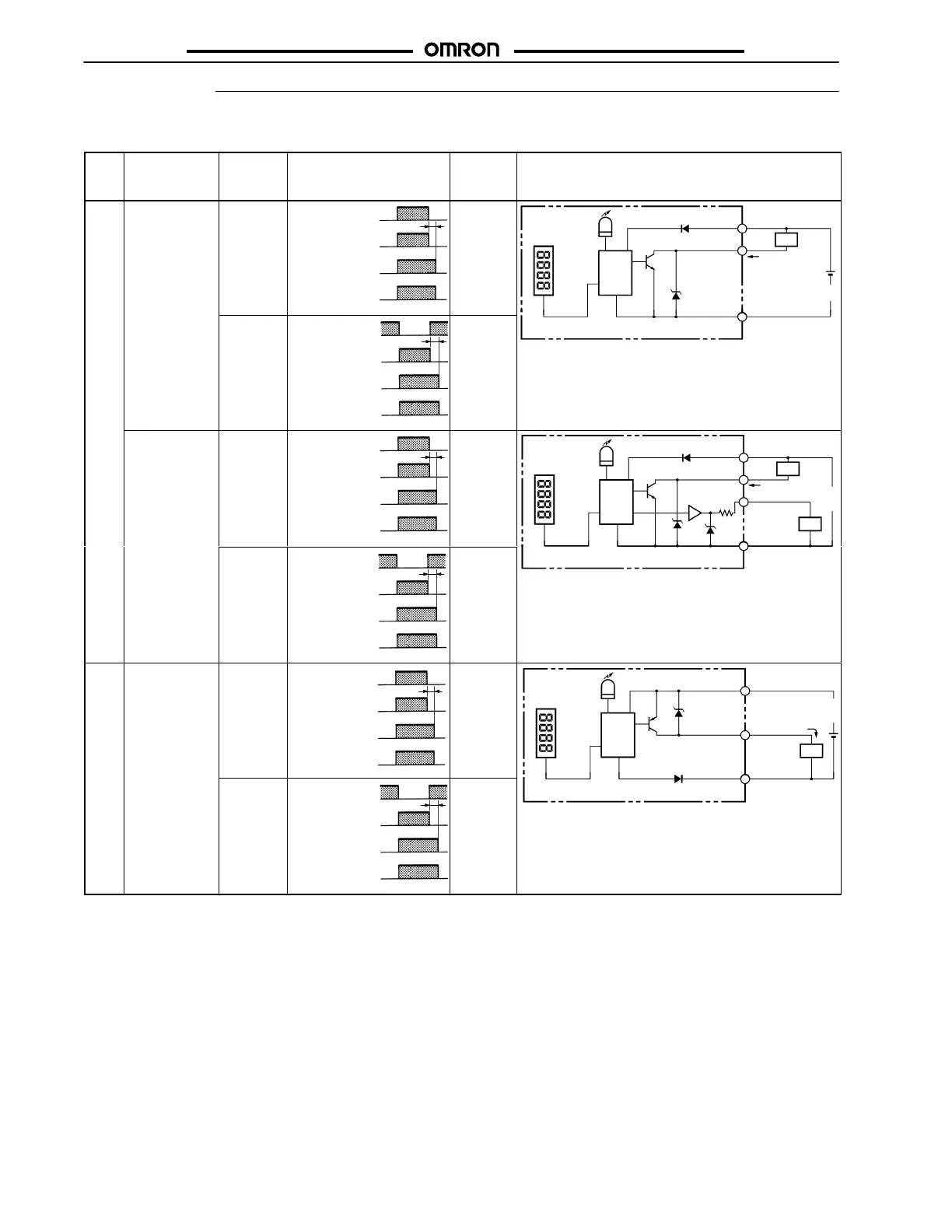
J OUTPUT CIRCUITS
Out-
put
Model Mode
selector
Timing chart State of
output
transistor
Output circuit
NPN E3X-DA11-N
E3X-DAB11-N
E3X-DA6
E3X-DA14V
LIGHT
ON
(L/ON)
T
ON
OFF
ON
OFF
Incident received
Incident not received
Operation indicator
(orange)
Output
transistor
Load (relay) Operate
Release
(Between brown and black)
Light ON
Brown
Black
Blue
Control output
Load
Operation indicator (orange)
12 to
24 VDC
Photo-
electric
Sensor
main
circuit
Display
DARK
ON
(D/ON)
T
ON
OFF
ON
OFF
Incident received
Incident not received
Operation indicator
(orange)
Output
transistor
Load (relay) Operate
Release
(Between brown and black)
Dark ON
Blue
E3X-DA21-N
E3X-DA7
LIGHT
ON
(L/ON)
T
ON
OFF
ON
OFF
Incident received
Incident not received
Operation indicator
(orange)
Output
transistor
Load (relay) Operate
Release
(Between brown and black)
Light ON
Brown
Black
Orange
Blue
Control output
Load
Load
Operation indicator (orange)
12 to
24
VDC
Photo-
electric
Sensor
main
circuit
Analog
output
1 to 5 V
47
Display
DARK
ON
(D/ON)
T
ON
OFF
ON
OFF
Incident received
Incident not received
Operation indicator
(orange)
Output
transistor
Load (relay) Operate
Release
(Between brown and black)
Dark ON
Blue
Note: Load resistance: 10 k min.
PNP E3X-DA41-N
E3X-DA8
E3X-DA44V
LIGHT
ON
(L/ON)
T
ON
OFF
ON
OFF
Incident received
Incident not received
Operation indicator
(orange)
Output
transistor
Load (relay) Operate
Release
(Between blue and black)
Light ON
Load
Brown
Black
Blue
Control output
12 to
24
VDC
Operation indicator (orange)
Photo-
electric
Sensor
main
circuit
Display
DARK
ON
(D/ON)
T
ON
OFF
ON
OFF
Incident received
Incident not received
Operation indicator
(orange)
Output
transistor
Load (relay) Operate
Release
(Between blue and black)
Dark ON
Blue
(This table continues on the next page.)

Other manuals for Omron E3X-DA-N

Related product manuals