EasyManua.ls Logo

Omron SYSMAC CS/CJ Series - Page 77

Omron SYSMAC CS/CJ Series
383 pages
Print Icon
To Next Page IconTo Next Page
To Next Page IconTo Next Page
To Previous Page IconTo Previous Page
To Previous Page IconTo Previous Page
Loading...
56
Precautions Section 2-2
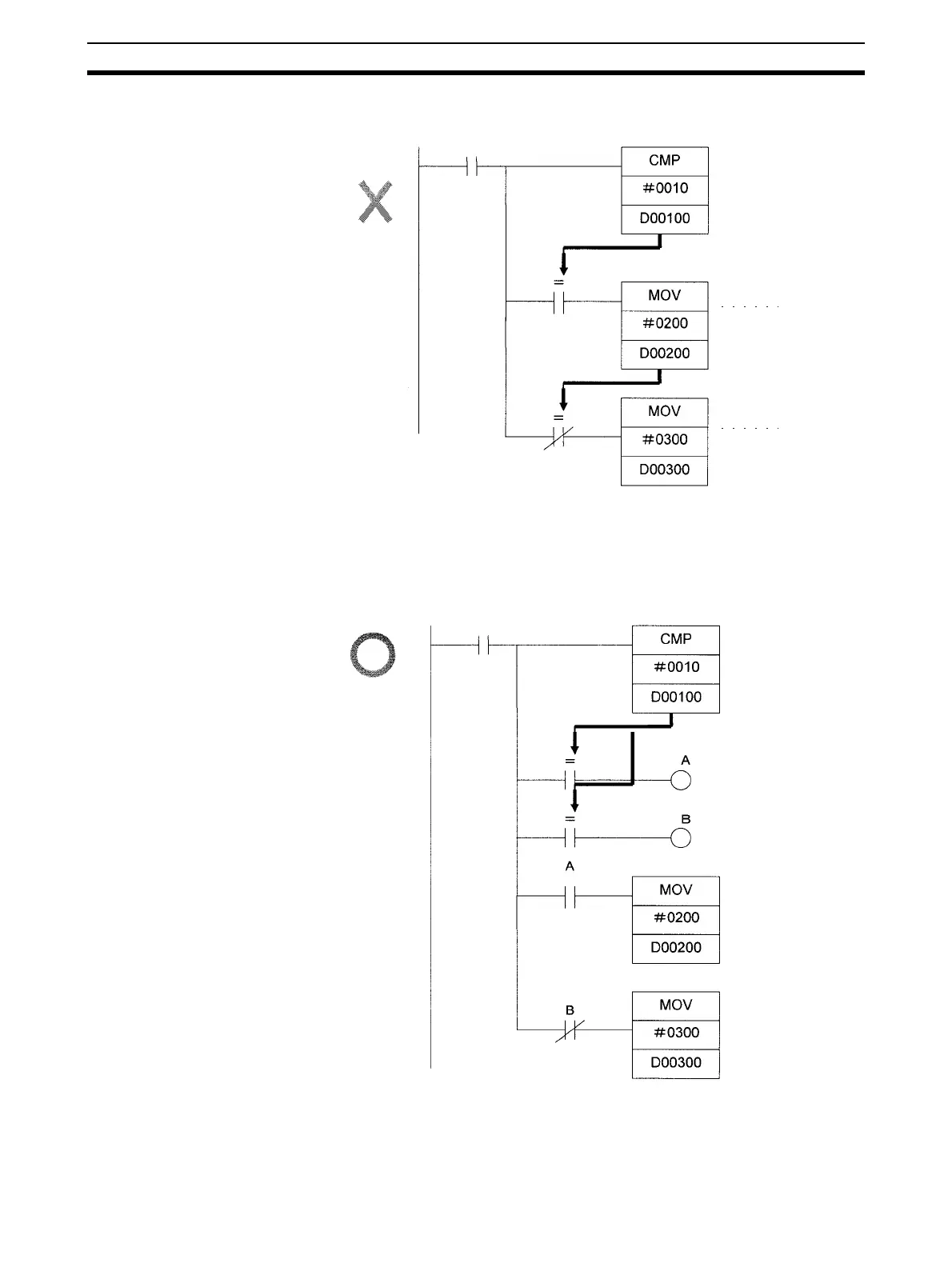
Example: The following example will move #0200 to D00200 if D00100 con-
tains #0010 and move #0300 to D00300 if D00100 does not contain #0010.
The Equals Flag will turn ON if D00100 in the rung above contains #0010.
#0200 will be moved to D00200 for instruction (1), but then the Equals Flag
will be turned OFF because the #0200 source data is not 0000 Hex. The MOV
instruction at (2) will then be executed and #0300 will be moved to D0300. A
rung will therefore have to be inserted as shown below to prevent execution
results for the first MOVE instruction from being picked up.
Reflects CMP execution results.
Reflects MOV execution results.
(1)
(2)
Incorrect
Use
Reflects CMP execution results.
Correct
Use

Table of Contents

Related product manuals