EasyManua.ls Logo

Panasonic DMR-ES40VP

Panasonic DMR-ES40VP
123 pages
To Next Page IconTo Next Page
To Next Page IconTo Next Page
To Previous Page IconTo Previous Page
To Previous Page IconTo Previous Page
Loading...
34
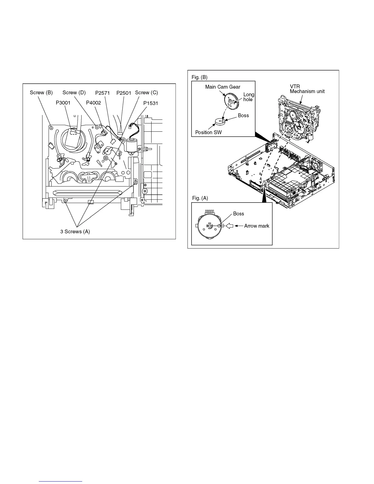
10.8. VTR Mechanism Unit
1. Disconnect 3 Connectors (P1531, P2501 and P4002).
2. Remove 3 Black Screws (A), Screw (B) , Screw (C) and
Screw (D).
3. Lift up VTR Mechanism Unit perpendicularly so to discon-
nect Connectors (P2571 and P3001).
Note:
Pay attention to stiff connections of P2571 and P3001,
when removing VTR Mechanism Unit.
10.8.1. Caution for attaching VTR Mecha-
nism Unit
1. Because Position SW should be set to "Eject Position",
refer to fig.(A) and set the position switch so that the boss
and arrow mark come on a straight line.
1.Attach VTR Mechanism Unit so that Boss of Position SW
is put into long hole of Main Cam Gear, refer to Fig. (B).

Table of Contents

Related product manuals