EasyManua.ls Logo

Panasonic KX-FLB802CX - Page 291

Panasonic KX-FLB802CX
323 pages
Print Icon
To Next Page IconTo Next Page
To Next Page IconTo Next Page
To Previous Page IconTo Previous Page
To Previous Page IconTo Previous Page
Loading...
291
KX-FLB802CX/KX-FLB812CX/KX-FLB802CXS/KX-FLB812CXS
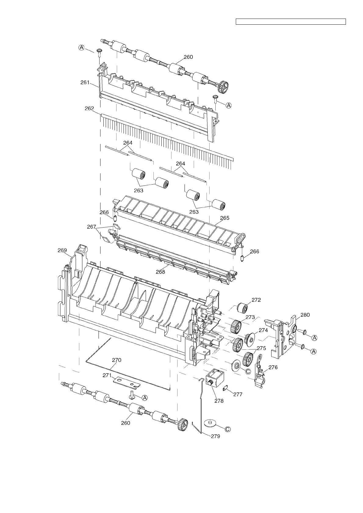
19.1.7. SEPARATION ROLLER SECTION (KX-FLB802only)

Table of Contents