EasyManua.ls Logo

Panasonic KX-TG4221N

Panasonic KX-TG4221N
87 pages
To Next Page IconTo Next Page
To Next Page IconTo Next Page
To Previous Page IconTo Previous Page
To Previous Page IconTo Previous Page
Loading...
19
KX-TG4221N/KX-TG4222N/KX-TG4223N/KX-TG313SK/KX-TG4224N/KX-TG4225N/KX-TGA421N
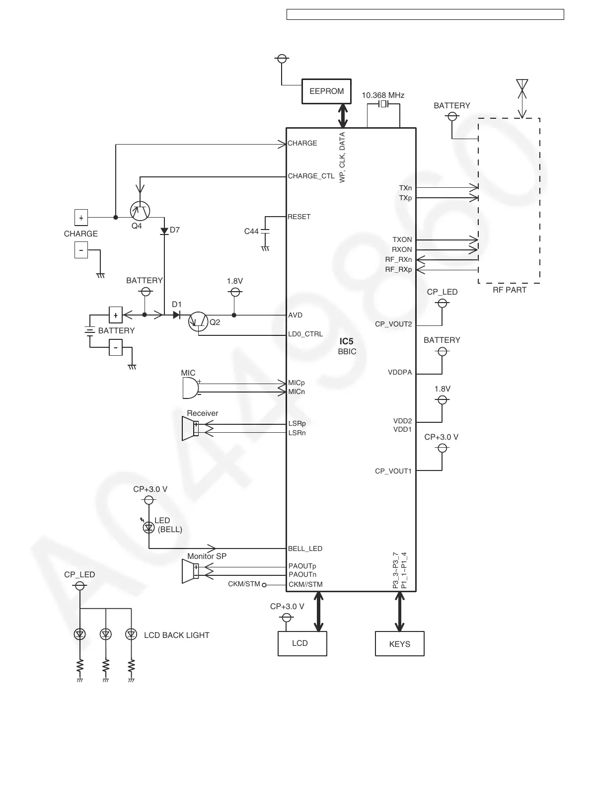
4.5. Block Diagram (Handset)
KX-TGA421 BLOCK DIAGRAM (Handset)
IC5
IC3
MICp
AVD
LD0_CTRL
MICn
LSRp
LSRn
BELL_LED
PAOUTp
PAOUTn
CKM//STM
CKM/STM
BBIC
RESET
CHARGE_CTL
CHARGE
W
P
, C
L
K
, D
ATA
P3_3~P3_7
P1_1~P1_4
CHARGE
Q4
D7
MIC
Receiver
LED
CP+3.0 V
Monitor SP
LCD
KEYS
RF PART
ANT1
X1
10.368 MHz
EEPROM
CP+3.0 V
BATTERY
(BELL)
BATTERY
CP_LED
BATTERY
TXn
TXp
TXON
RXON
RF_RXn
RF_RXp
CP_VOUT2
BATTERY
VDDPA
CP_VOUT1
1.8V
VDD2
VDD1
CP+3.0 V
Q2
1.8V
C44
D1
CP+3.0 V
LCD BACK LIGHT
CP_LED

Table of Contents

Related product manuals