EasyManua.ls Logo

Panasonic KX-TG4221N

Panasonic KX-TG4221N
87 pages
To Next Page IconTo Next Page
To Next Page IconTo Next Page
To Previous Page IconTo Previous Page
To Previous Page IconTo Previous Page
Loading...
62
KX-TG4221N/KX-TG4222N/KX-TG4223N/KX-TG313SK/KX-TG4224N/KX-TG4225N/KX-TGA421N
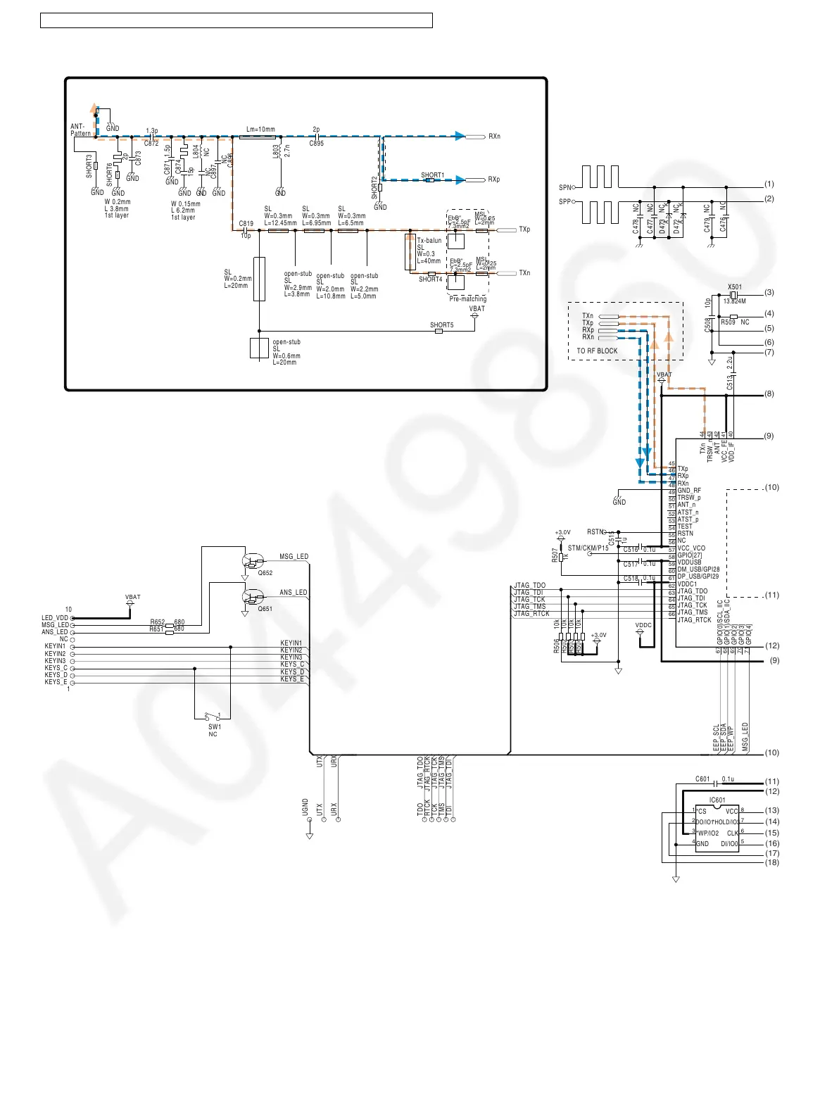
14.2. Schematic Diagram (Base Unit_Main)
NC: No Components
(1)
(2)
(3)
(4)
(5)
(6)
(7)
(8)
(9)
(10)
(11)
(12)
(9)
(10)
(11)
(12)
(13)
(14)
(15)
(16)
(17)
(18)
SHORT
URX
EEP_WP
EEP_SDA
EEP_SCL
JTAG_RTCK
ANS_LED
MSG_LED
MSG_LED
KEYS_E
JTAG_TDO
KEYS_D
KEYS_C
KEYIN3
KEYIN2
KEYIN1
JTAG_TDI
JTAG_TCK
JTAG_TMS
UTX
JTAG_TCK
JTAG_RTCK
JTAG_TDO
JTAG_TMS
JTAG_TDI
TXp
+3.0V
C517
0.1u
UGND
RSTN
C601 0.1u
TXn
RTCK
STM/CKM/P15
RXp
C518
0.1u
GND
VBAT
C508 10p
RXn
X501
13.824M
VDDC
C516
0.1u
R507
1k
+3.0V
LED_VDD
NC
R652
680
KEYS_C
KEYIN2
ANS_LED
KEYIN1
VBAT
KEYIN3
KEYS_E
KEYS_D
R651
680
MSG_LED
Q652
Q651
IC601
1
*CS
2
DO/IO1
6
CLK
7
*HOLD/IO3
3
*WP/IO2
8
VCC
4
GND
5
DI/IO0
D472
NC
AK
D473
NC
AK
C478
NC
C476 NC
C479
NC
C477
NC
C515
1u
R509 NC
C513
2.2u
D
N
GDN
G
VBAT
RXp
RXn
TXn
L803
2.7n
TXp
C895
2p
C897
NC
GND
GND
C819
10p
L804
NC
C896
NC
R506 10k
R502 10k
R503 10k
R504 10k
TCK
TMS
TDI
TDO
UTX
URX
SW1
NC
1
2
SHORT1
SHORT2
SHORT4
SHORT5
45
TXp
46
RXp
47
RXn
48
GND_RF
49
TRSW_p
50
ANT_n
51
ATST_n
52
ATST_p
40
VDD_IF
41
VCC_FE
42
ANT
43
TRSW_n
44
TXn
53
TEST
54
RSTN
55
NC
56
VCC_VCO
57
GPIO[27]
58
VDDUSB
59
DM_USB/GPI28
60
DP_USB/GPI29
61
VDDC1
62
JTAG_TDO
63
JTAG_TDI
64
JTAG_TCK
65
JTAG_TMS
66
JTAG_RTCK
67
GPIO[0]/SCL_IIC
68
GPIO[1]/SDA_IIC
69
GPIO[2]
70
GPIO[3]
71
GPIO[4]
GND
GND
SHORT6
GND
ANT1
12
GND
GND
SHORT3
GND
C871
1.5p
C872
1.3p
C873
2p
C874
15p
TO RF BLOCK
1
10
open-stub
SL
W=2.0mm
L=10.8mm
SL
W=0.3mm
L=6.5mm
Tx-balun
SL
W=0.3
L=40mm
MSL
Wm=0.4mm
Lm=10mm
FbB"
C=2.5pF
7.3mm2
open-stub
SL
W=0.6mm
L=20mm
open-stub
SL
W=2.9mm
L=3.8mm
SL
W=0.3mm
L=12.45mm
Pre-matching
MSL
W=0.25
L=2mm
SL
W=0.3mm
L=6.95mm
SL
W=0.2mm
L=20mm
open-stub
SL
W=2.2mm
L=5.0mm
FbB"
C=2.5pF
7.3mm2
MSL
W=0.25
L=2mm
RF Block
SPP
SPN
W 0.15mm
L 6.2mm
1st layer
ANT-
Pattern
W 0.2mm
L 3.8mm
1st layer
SHORT
SHORT
SHORT
SHORT
SHORT

Table of Contents

Related product manuals