EasyManua.ls Logo

Panasonic KX-TGE240B

Panasonic KX-TGE240B
126 pages
To Next Page IconTo Next Page
To Next Page IconTo Next Page
To Previous Page IconTo Previous Page
To Previous Page IconTo Previous Page
Loading...
12
KX-TGE240/242/243/244/245/260/262/263/264/270/272/273/274/275/TG454/TG465/TGEA20/TGA20
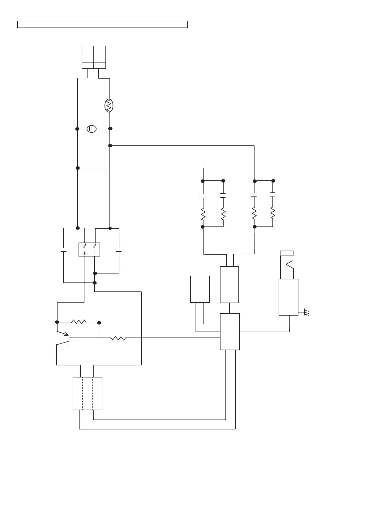
4.4. Tel Interface Circuit
TX AMP
SIDE TONE
RX AMP
CONTROL
CIRCUIT
CALLER ID
DETECT
BELL
DETECT
P101
R142
3
4
2
1
C101
Q141
C102
SA101
TIP
RING
R141
REGULATOR
C104
R102
C106
R104
C103
R101
C105
R103
D101

Table of Contents

Related product manuals