EasyManua.ls Logo

Panasonic KX-TGE240B

Panasonic KX-TGE240B
126 pages
To Next Page IconTo Next Page
To Next Page IconTo Next Page
To Previous Page IconTo Previous Page
To Previous Page IconTo Previous Page
Loading...
81
KX-TGE240/242/243/244/245/260/262/263/264/270/272/273/274/275/TG454/TG465/TGEA20/TGA20
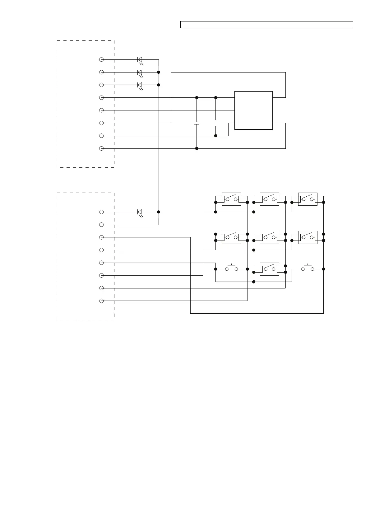
14.4.2. KX-TGE260
KX-TGE260/262/263/264/TG454 SCHEMATIC DIAGRAM (Base Unit_Operation)
KEYIN3
KEYS_D
KEYIN1
KEYS_C
KEYS_E
KEYIN2
DA901
1
*RESET
2
SDA
4
GND
5
SCL
3
VDD
HS_LOCAT
12
CELL_LOCAT
12
LED901
RED
AK
*LED904
GREEN
AK
*LED905
GREEN
AK
*LED906
GREEN
AK
SW903
ERASE
2
4
1
3
SW901
UP
2
4
1
3
SW907
ANS
2
4
1
3
SW905
RPT
2
4
1
3
SW906
PLAY/STOP
2
4
1
3
SW904
SKIP
2
4
1
3
SW902
DOWN
2
4
1
3
HS_LED
CELL1_LED
CELL2_LED
CNT_RST
I2C_SDA
I2C_SCL
CNT_VDD
CNT_GND
MSG_LED
LED_VDD
KEYIN1
KEYS_D
KEYS_C
KEYS_E
KEYIN2
KEYIN3
C901
NC
R901
NC
1
8
1
8

Table of Contents

Related product manuals