EasyManua.ls Logo

Panasonic KX-TGE240B

Panasonic KX-TGE240B
126 pages
To Next Page IconTo Next Page
To Next Page IconTo Next Page
To Previous Page IconTo Previous Page
To Previous Page IconTo Previous Page
Loading...
13
KX-TGE240/242/243/244/245/260/262/263/264/270/272/273/274/275/TG454/TG465/TGEA20/TGA20
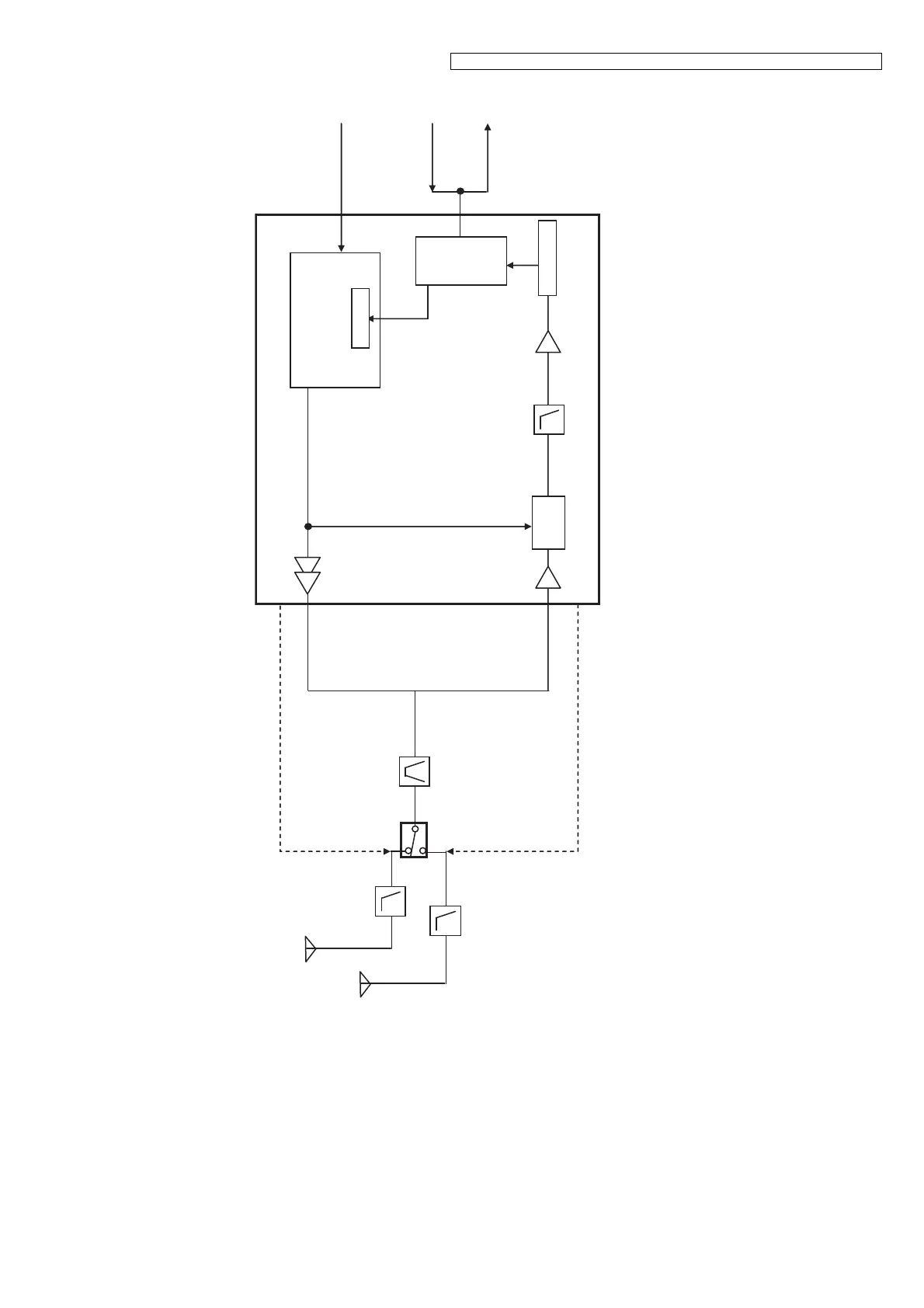
4.5. Block Diagram (Base Unit_RF Part)
10.368
MHz
IC501 RF block
TXDATA
ANT1
ANT1
RF_TXp
RF_TXn
RF_RXp
RF_RXn
ANT2
ANT2
Control
Logic
RXDATA
Mixer
Demodulator
PLL
3856-3843MHz
/3859-3845MHz
Modulator
DA802
KX-TGE240/242/243/244/245/260/262/263/264/270/272/273/274/TG454/TG465 BLOCK DIAGRAM (Base Unit_RF Part)

Table of Contents

Related product manuals