EasyManua.ls Logo

Panasonic KX-TGE240B

Panasonic KX-TGE240B
126 pages
To Next Page IconTo Next Page
To Next Page IconTo Next Page
To Previous Page IconTo Previous Page
To Previous Page IconTo Previous Page
Loading...
8
KX-TGE240/242/243/244/245/260/262/263/264/270/272/273/274/275/TG454/TG465/TGEA20/TGA20
4 Technical Descriptions
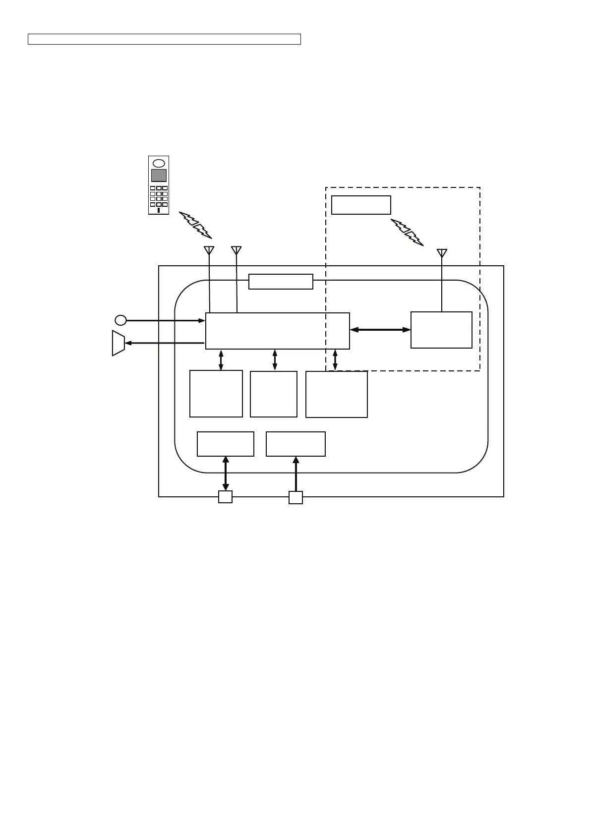
4.1. Circuit Configuration of TGE24x/26x/27x Series Phones
TGE24x/26x/27x Series consists of DECT cordless telephone and Bluetooth Module.
Both voices of transmission and reception are transferred by PCM.
BBIC on DECT side controls the cordless telephone system, which makes control data communication with BT_IC on BT
Module in serial data.
Note:
*TGE24x : Unsupported Bluetooth
*TGE26x : Supported Bluetooth
*TGE27x : Supported Bluetooth
DECT6.0
BT devices
TGEA20
Handset
PSTN
DC
5.5V
BBIC
FLASH
IC601
(TAM)
EEPROM
IC611
(Data)
TEL I/F
POWER
QSPI FLASH
IC502
(Program)
Main PCB
pin79~82
BT_Module
(IC721)
(IC501)
MIC
SPEAKER
pin2~3
pin31~32
BT Interface
pin19

Table of Contents

Related product manuals