EasyManua.ls Logo

Panasonic NV-SD440EG/ - Page 64

Panasonic NV-SD440EG/
192 pages
Print Icon
To Next Page IconTo Next Page
To Next Page IconTo Next Page
To Previous Page IconTo Previous Page
To Previous Page IconTo Previous Page
Loading...
H
H
H
H
NONE
1
1
2
2
1
1
2
2
15
NONE
13
12
13
12
13
12
13
12
14
*
H
L
H
L
H
L
H
L
11
*
H
H
L
L
H
H
L
L
10
*
H
H
H
H
L
L
L
L
9
(IC4901,IC4902)
TRUTH TABLE
INPUT
OUTPUT
(IC4904)
TRUTH TABLE
NONE
11
15
14
12
NONE
4
2
5
1
*
H
L
H
L
*
H
H
L
L
13
3
10
9
OUTPUT
INPUT
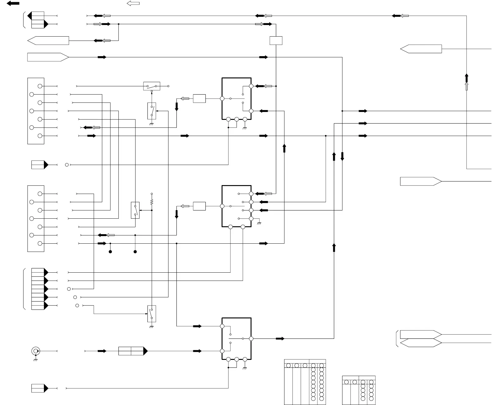
CONTROL
SYSTEM
TO
HSS
TW3002TW3003
MAIN SIGNAL PATH IN REC MODE
MAIN SIGNAL PATH IN PLAYBACK MODE
SYS IIC DATA
CONTROL
SYSTEM
TO/FROM
SYS IIC CLOCK
CONTROL
SYSTEM
FROM
ART V/H/N
VA
OSD PACK
FROM
7
PK7701
IN
VIDEO
FRONT VIDEO
54
P7502P6501
11 10
9
13
14
12
IC4901
9
10
15
14
12
11
13
IC4904
AMP
Q4909
Q4908,
Q4911
AMP
9
1011
IC4902
2
1
15
AMP
Q4907
Q4906,
QR4902
14V
UNREG
QR4901
QR4903
OSD PACK
FROM
OSD PACK
FROM
AV1 PB
RGB OFF
CPB
DEB
DEA
2
PK7701
4
PK7701
3
PK7701
15
PK7701
14
PK7701
14V
UNREG
Q4905
RED
VIDEO IN
VIDEO OUT
BLANKING
GREEN
BLUE
PB +12V
11
7
8
15
16
19
(DECODER/EXT)
AV2
20
TV
13
PK7701
VIDEO IN
VIDEO OUT
BLANKING
RED
GREEN
BLUE
PB +12V
(TV)
AV1
20
19
16
15
11
7
8
DEMODULATOR
FROM TV
TUNER VIDEO
TO TUNER
RFC VIDEO OUT
OSD VIDEO IN
OSD VIDEO OUT
OSD PACK
TO/FROM
15
PK7702
13
PK7702

Table of Contents

Related product manuals