EasyManua.ls Logo

Panasonic PT-AE7000U PT-AT5000E PT-AE700EA PT-AE7000EH

Panasonic PT-AE7000U PT-AT5000E PT-AE700EA PT-AE7000EH
65 pages
To Next Page IconTo Next Page
To Next Page IconTo Next Page
To Previous Page IconTo Previous Page
To Previous Page IconTo Previous Page
Loading...
9
5
6
7 81 2
3
4
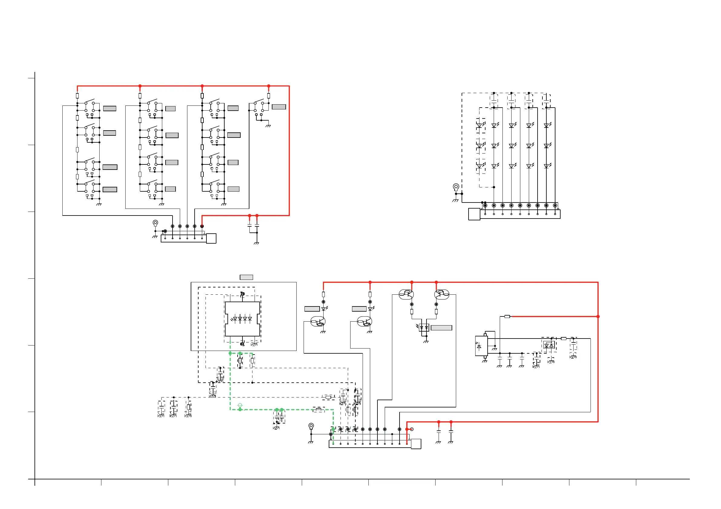
3. 4. S-P.C.Board / L-P.C.Board / V-P.C.Board
3. SCHEMATIC DIAGRAM
A
B
E
F
D
C
DIA-7
G
R
B IRGR
C2105
50V
100p
*C2113
10V
10u
*C2112
16V
0.1u
+3.3V
*C2110
22p
50V
*C2111
22p
50V
R2104
2.2k
R2105
2.2k
R2107
4.7k
C2108
10u
16V
R2106
100
C2109
16V
0.1u
D2104
DA3X101F0L
C2104
10u
10V
*L2101
J0JHC0000078
*L2102
J0JHC0000078
*SN2101
C9ZB00000604
1
Vdd
4
SCL
2
NC
3
GND
5
NC
6
SDA
*L2103
J0JYC0000024
*C2114
470p
50V
*C2115
470p
50V
D2101
B3AAB0000038
R2108
330
D2102
B3AAB0000038
R2111
1.8k
D2103
B3AGB0000051
R2109
330
C2102
10u
10V
C2103
10u
10V
C2101
16V 0.1u
R2102
1k
C2107
0.1u
16V
Q2103
B1GDCFJJ0008
Q2101
B1GBCFJJ0007
C2106
10u
10V
R2110
180
Q2104
B1GDCFJJ0008
Q2102
B1GBCFJJ0007
R2101
47
RM2101
B3RAD0000176
ZA2101
K4CD01000013
V1
1
2
3
4
5
6
7
8
9
10
11
STB3.3V
TEMP LED
POWER
LAMP
POWER LED G
POWER LED R
TEMP
LAMP LED
K1KA11A00178
DGND
REMOCON1
3.3V
LUMI
SDA3
SCL3
DLV SENSE
DLV
VOUT
VCC
GND
SW2007
EVQPLHA15
*SW2004
EVQPLHA15
SW2006
EVQPLHA15
*R2004
11.3k
R2012
3.74k
R2010
5.6k
SW2005
EVQPLHA15
SW2011
EVQPLHA15
*SW2001
EVQPLHA15
R2007
1.87k
SW2008
EVQPLHA15
R2009
11.3k
R2008
3.74k
*R2002
1.87k
R2011
1.87k
SW2012
EVQPLHA15
*R2001
5.6k
*SW2003
EVQPLHA15
SW2010
EVQPLHA15
SW2009
EVQPLHA15
R2005
1k
*R2003
3.74k
R2006
5.6k
*SW2002
EVQPLHA15
SW2013
EVQPLHA15
R2013
11.3k
C2002
0.1u
16V
S1
1
2
3
4
5
6
C2001
10u
10V
ZA2001
K4CD01000013
0.83V
0V
1.65V
0.83V
POWER
MENU
2.48V
INPUT
0V
LEFT
UP
DOWN
1.65V
ENTER
RIGHT
0V
1.65V
0.83V
2.48V
ZOOM+
2.48V
BACK
K1KA06A00508
ZOOM-
FOCUS+
FOCUS-
ON/OFF
STB3.3V
KEY1
KEY2
KEY3
DGND
C3001
50V
1000p
C3002
50V
1000p
C3003
50V
1000p
C3004
50V
1000p
B3EA00000200 B3EA00000200
B3EA00000200
D3007
B3EA00000200
B3EA00000200
D3005
B3EA00000200
D3016
B3EA00000200
D3006
B3EA00000200
B3EA00000200
ZA3001
K4CD01000013
D3008
B3EA00000200
D3012
B3EA00000200
D3013
B3EA00000200
L1
K1KA09A00220
1
2
3
4
5
6
7
8
9
D3014
B3EA00000200
D3009
B3EA00000200
B3EA00000200
D3017
D3000
D3001
D3002
D3003
D3004
< S-P.C.Board >
< L-P.C.Board >
< V-P.C.Board >

Table of Contents

Related product manuals