EasyManua.ls Logo

Panasonic TH-42PV60H

Panasonic TH-42PV60H
149 pages
To Next Page IconTo Next Page
To Next Page IconTo Next Page
To Previous Page IconTo Previous Page
To Previous Page IconTo Previous Page
Loading...
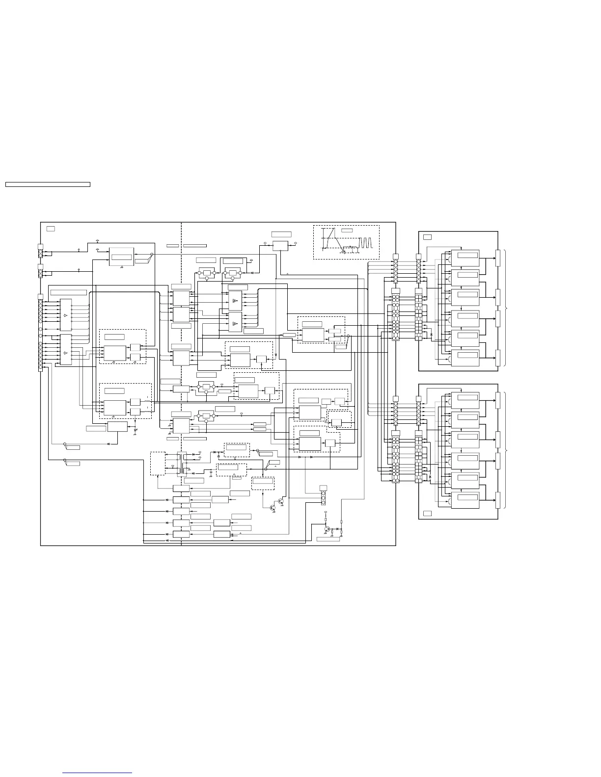
14.44. SC, SU and SD-Board Block Diagram
+
+
CLK
FSIU
SCSU
CEL2
FCLD
CEL2
CEL
CLK
CPH1
CEL
FSID
CPH1
SCSU
SID
PROD
CL
PROU
SIU
CL
CPH2
SIU
FCLKD
FCLU
SID
CPH2
FCLKU
D6620
D6806
D6804
R6838
D6583
Q6743
Q6742
T6602
TP15V
VSET
15V
5V
R6839
16V_F
VSUS
TPVSUS
16V_F
D6862
VSET
D6860
15V_F
VSUS
D6841
Q6824
R6837
D6872
15V
D6760
15V
D6585
D6825
D6859
D6421
D6480
D6826
SO
B34
A6
13
Q6681
Q6804
CML
Q6401-Q6403
2
CL
CLK
96
BUFFER
B40
IC6951
VCC
Q6691
GND
Q6762
GND
A11
Q6531,Q6532
BUFFER
VCC
C39
HO
64bit
C34
CLK
SI
5
SD4
LO
A47
PRO
1
CL
(Vscn)
Vf
OUTFET
SCAN
9
VDD
Q6644,Q6645
CL
32
IC6521
64
7
IC6901
Q6601,Q6602
PROU
VDD
IC6904
VDDH
ENERGY RECOVERY
AVR
A40
8
VDD
DRIVER
64bit
VCC
32
PRO
BUFFER
CLK
(SC3)
VSUS
AVR
3
20
GND
IC6955
A33
S/P
HIN
64bit
+5V
3
SU SCAN OUT (UPPER)
GND
C76
GND
VDD
POWER OSC
GND
VDDH
PRO
CLK
Vsus
IC6903
LO
GND
FET
SI
(Vf+5V)
+5V(SC3)
GND
TO P2
B31
IC6751
(+260V)
CL
SU3
2
Vad(
105V)
VDD
1
CLK
B2
PROD
FCLD
A46
IN
2
C10
18
+15V
A7
CMH
IC6724
8
+5V
PC6702
Vfo
C35
CLK
AVR
PRO
COUPLER
64bit
SID
VDD
4
A30
VSETSOS DET
PHOTO
SD3
64
11
VSCN SUPERIMEPOSED
2
GND
CSL
(LOWER)
9
IC6953
IC6802
45
A32
A33
Adj.
C36
VDD
FCLKD
2
SO
A45
VSCN Gen.
A71
TPSC1 SIGNAL WAVE
Q6551,Q6552
CLK
VDDH
B1
HIN
SI
IC6841
Vf
IC6561,6562
CLK
Q6841,Q6842
PRO
SO
S/P
VDD
COM
Q6821,Q6822
C11
SC2
B8
Vf+5V
96
VDDH
32
VIN
64bit
SI
Vf+5V
B36
VOUT
GND
(Vad
105V)
A40
(UPPER)
A8
64
IC6791
A8
PC6861
Vscn
PRO
C9
GND
S/P
VDDH
SC
A35
VDD
PRO
Vscn
SC41
B8
7
PC6480
SO
DRIVEB
20
COUPLER
(SC3)
64bit
96
IC6954
PC6703
PHOTO
PRO
3
CLK
SU41
Q6802
Vscn
GND
C1
CMH
A2
64
SI
Vf
(+140V)
IC6752
IC6821
+5V(SC3)
C79
CML
64bit
OUTFET
VSET SEPARATE
IC6753
CSH
S/P
CL
Q6616,Q6617
L6401
CLK
CPH
6
SO
Vsus
CSL
Q6641,Q6642
7
Vf+5V
L6403
(SC2)
Vf+5V
IN
B32
TPSCI
CL
Vfo
SCAN
PANEL
A8
GND
CL
L6413
CL
A36
SC SCAN DRIVE
R6833
B35
GND
LINE
VDD
64bit
L6411
SU4
C75
VCC
R6834
1
FCLU
A34
Vfo
23
GND
A39
IC6681
Q6661-Q6663
Vf
LINE
R6835
SO
FSID
GND
A31
Vf
Q6671,Q6672
B11
IC6725
R6836
IC6905
VCC
S/P
IC6501
46
12
COMPARATOR
3
B9
VSET
GND
VDD
VDDH
SD42
PRO
32
ELECTRODES
IC6871
(SC1)
TO P23
IC6906
TPVSCN
IC6671
IC6721
HO
DRIVER
PROU
9
SCSU
TPVAD
C8
5
Q6801
LINE
PRO
384LINE
SIU
2
1
VDD
SO
SC
IC6956
VCC
7
VSET
VDDH
8
PC6760
C50
5
A48
A32
Vf
SI
VDDH
3
Q6421-Q6423
A2
8
C74
PANEL
Vf
SI
LINE
SD2
FET
+5V
CL
VDDH
IC6581
VDD
VAD SLOPE
Vfo
CSH
64
IC6601
B30 C51
VAD CONT
Q6511,Q6512
A6
A5
SI
VR6600
A73
ELECTRODES
SU2
(Vfo)
LINE
SD1
PROD
Q6803
LED(G)
CLK
32
96
(+8V)
32
S/P
A1
TPVSET
VSET Gen.
1
Vf
B33
IC6801
SI
GND
FSIU
GND
SC_SOS7
CEL
VAD Gen.( 105V )
384LINE
Q6680
VDDH
SID
DRIVER
SIU
CL
A33
VSET2 Gen.
FET
SI
C41
IN
46
VDD
CL
A72
64bit
+5V(SC2)
64bit
IC6902
96
B7
CL
VCC
FCLKD
A7
PHOTO
BUFFER
GND
64
VSET2
VAD
C33
COUPLER
FCLD
VDDH
S/P
A30
Vsus Gen.
A5
HO
Vscn(VAD+140V)
PRO
B6
PC6801
VSET SLOPE
Q6581
1
SC
IC6771
IC6861
S/P
64bit
DRIVER
SC
1
32
SU1
COMPA-
FET
LINE
Vf+5V
LO
2
B39
+15V
FET
Q6451,Q6452
IC6722
+5V
64
Vf+5V
FCLKU
1
9
OUTFET
8
IC6773
SO
DC/DC CONV.
S/P
1
VDD
Vscn
IN
FSID
COUPLER
OUTFET
IC6774
LIN
PC6701
3
PHOTO
Vad 105V
Q6441,Q6442
DRIVER
SC30
COUPLER
LINE
P+5V
SU
CL
+5V(SC3)
SI
HO
4
CLK
RATOR
A80
96
VSCN
S/P
PHOTO
PC6871
FAC TORY
32
RATOR
FSIU
COUPLER
3
Vf+5V
USE
COMPA-
SC42
COUPLER
CEL2
B33
45
A31
1
16V_F
VCC
PHOTO
3
GND
PC6705
FOR
96
19
IC6682
PHOTO
LIN
LO
17
64
9
B10
B5
FCLU
+5V(SC1)
PHOTO
C73
5
FET
LO
64bit
COUPLER
1
A9
Q6647,Q6648
SO
COUPLER
VCC
SC_SOS6
7
BUFFER
PHOTO
AVR
8
SI
LINE
IC6952
SD
GND
COUPLER
A10
3
A70
C48
VDDH
S/P
PHOTO
CEL2
CLK
1
CLK
PC6704
C49
Vf+5V
Q6682
96
TO D20
VCC
S/P
SO
CL
FCLKU
A42
PRO
TPSOS6
TPSOS7
D6623,D6624
OUT
FET
FET
OUT
FET
OUT
FET
OUT
FET OUT
FET OUT
VCC
FET
HO
GND
FET
VAD SEPARATE
IN
DRIVER
OUT
Q6781
IC6772
LO
Q6782
D6904
D6953
D6903
D6954
Q6621
Q6622,D6621
IC6610
RATOR
COMPA-
15Vf
SD SCAN OUT (LOWER)
FLOATING GNDCOLD
ENERGY RECOVERY SOS DET
LED BLINKING : 6 TIMES
SC FLOATING PART SOS DET
LED BLINKING : 7 TIMES
FLOATING GNDCOLD
TH-42PV60A/H/M/MT
SC, SU and SD-Board Block Diagram
TH-42PV60A/H/M/MT
SC, SU and SD-Board Block Diagram
TH-42PV60A / TH-42PV60H / TH-42PV60M / TH-42PV60MT
108

Table of Contents

Related product manuals