EasyManua.ls Logo

Panasonic TH-42PV60H

Panasonic TH-42PV60H
149 pages
To Next Page IconTo Next Page
To Next Page IconTo Next Page
To Previous Page IconTo Previous Page
To Previous Page IconTo Previous Page
Loading...
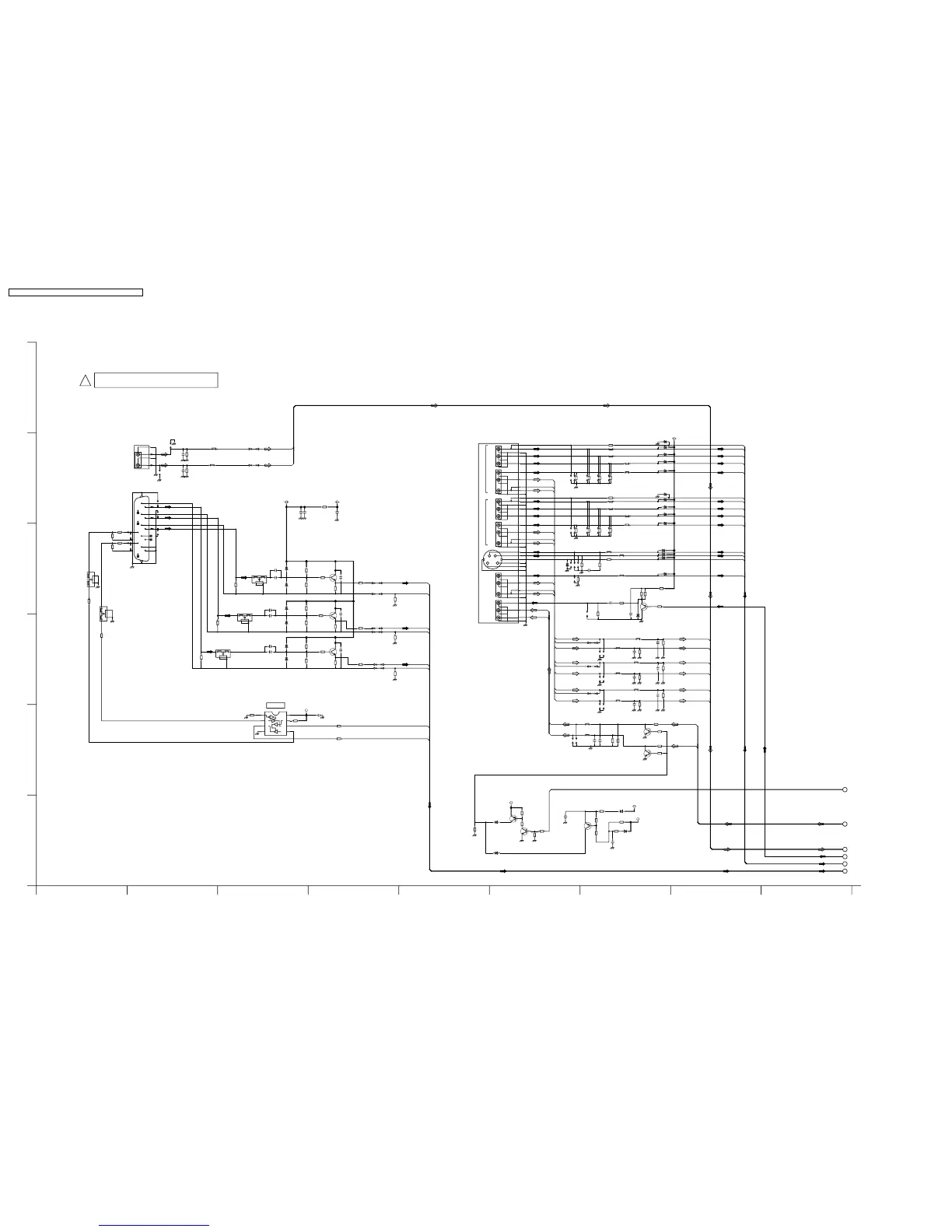
14.16. H-Board (1 of 3)Schematic Diagram
NP
NP
RED
WHITE
NP
+
+
PR
PB
Y
PR
AV2
V
L
C
R
R
L
Y
R
L
V
AV4
R
V
V
AV1
L
MONITOR OUT
PB
Y
+
+
PC_R
PC_B
PC_GND_R
PC_GND_G
PC_RIN
PC_G
PC_GND_B
AUDIO_MUTE
A_AV3_L
A_AV2_L
A_AV1_L
AV3_R
AV2C_Y
A_AV2_R
AV2C_YSW
A_AV1_RSW
AV3_L
AV3_V
AV1_R
A_LOUT
A_AV3_L
AV3C_PR
AV1_V
A_ROUT
A_AV3_R
AV3C_PB
AV3C_YSW
A_AV1_L
AV3C_Y
A_AV2_L
A_AV1_R
A_AV3_RSW
AV1_S
A_AV2_RSW
A_AV2_R
AV1_Y
AV2_V
AV1_L
A_LOUT
A_AV3_R
AV1_C
AV2_R
A_AV3_RSW
AV2C_PR
A_AV2_RSW
A_AV1_R
AV2_L
A_AV1_RSW
AV2C_PB
A_ROUT
AUDIOOUT_L
AUDIOOUT_R
PC_LIN
PC_H
PC_V
NET0011725
R2006
22k
D3043
MAZ81400ML
L2016
J0JCC0000100
MAIN3.3V
JS2022
Q2002
B1ABDF000034
R2049
10k
C3060
16V
1u
R2042
1M
R3323
0
C2022
560p
50V
*FL3305
J0HABB000004
1
2
3
4
D3049
MAZ81400ML
SUB5V
JS3011
0
L2001
J0JCC0000364
*C3339
16V
0.1u
R3408
360
Q3002
2SA207700L
1%
R3002
75
R2046
10k
C0JBAZ002205
*IC3301
1/1OE
21A
32Y
4GND 5
2A
6
1Y
7
2OE
8
Vcc
Q2013
2SA207700L
MAIN9V_PC
*C3342
50V
0.1u
*Q3333
2SC24800VL
C2010
50V
560p
D3017
MAZ81400ML
L2012
J0JCC0000100
L3001
J0JCC0000100
L2015
J0JCC0000100
*JS3309
0
L2008
J0JCC0000100
1%
R3012
75
JS3010
0
R2054
10k
*C3338
47u
16V
*JS3307
0
*R3302
100
D2011
MA2J11100L
C2005
50V
560p
*C3334
47u
16V
R2012
100k
JS3014
0
*R3350
51
*R3312
10k
C2014
50V
560p
*Q3332
2SC24800VL
JS2033
*R3342
18k
1%
R3001
75
Q2012
B1ABDF000034
*R3338
100
D2014
MA2J11100L
1%
R3010
75
JK2003
K2HA204A0038
*FL3301
J0HABB000003
1
2
3
4
R2009
22k
JS3015
0
STB+5V
Q2001
B1ABDF000034
R2050
10k
D3042
MAZ81400ML
R2048
470
L2007
J0JCC0000100
*D3335
MA2J11100L
L2004
J0JCC0000100
*R3347
470
1%
*R3310
75
R3022
10k
D2012
MA2J11100L
D3048
MAZ81400ML
D2013
MA2J11100L
JS2021
*R3330
0
*R3349
68
*R3336
47k
D3100
MAZ81400ML
D3006
MAZ81400ML
*R3308
0
*R3351
51
R2043
47k
R2044
1k
1%
R3007
75
JS2032
L3003
J0JCC0000100
R2051
180k
L2003
J0JCC0000100
L2002
J0JCC0000364
*D3334
MA2J11100L
STB+5V
1%
R3008
75
MAIN9V
C2016
50V
560p
R2045
10k
*R3343
470
*Q3331
2SC24800VL
*R3337
18k
C2006
50V
560p
R2014
2.2k
R3409
360
D3047
MAZ81400ML
R2015
330
C2021
560p
50V
*R3341
47k
R2016
330
R3039
220
*R3346
47k
R2005
100k
D3040
MAZ81400ML
*R3309
0
1%
R3004
75
D3046
MAZ81400ML
R2007
22k
*C3340
50V
0.1u
1%
*R3318
75
1%
*R3313
75
*FL3304
J0HABB000004
1
2
3
4
*JS3310
0
*R3345
18k
*JS3308
0
1%
R3020
22k
SUB9V_VIDEO
R3320
0
D3005
MAZ81400ML
*C3336
47u
16V
JS3013
0
*JK3001
K1FB315A0005
1
2
3
4
5
6
7
8
9
10
11
12
13
14
15
1%
R3005
75
*C3341
50V
0.1u
*R3305
100
*C3330
16V
47u
*FL3302
J0HABB000003
1
2
3
4
C2013
50V
560p
D3003
MAZ81400ML
*D3336
MA2J11100L
*R3317
10k
C2017
50V
560p
1%
R3027
75
L3013
J0JCC0000100
1%
R3003
75
D3041
MAZ81400ML
R2010
22k
L3002
J0JCC0000100
D3039
MAZ81400ML
C3005
50V
0.1u
JS3012
0
L3010
J0JCC0000100
D3045
MAZ81400ML
*C3331
50V
0.01u
*C3335
16V
0.1u
*C3305
16V
0.1u
Q2011
2SA207700L
R3011
0
*R3344
100
*R3340
100
1%
R3006
75
R2011
22k
R2008
22k
*C3337
16V
0.1u
*D3339
MA2J11100L
R2013
2.2k
JS2031
C2019
16V
220u
*JS3312
0
R3021
10k
JK3100
TJB0A639
Y-S W
Y
G
PB
PR
V
L
R-SW
R
G
Y-S W
Y
G
PB
PR
V
L
R-SW
R
G
C
Y
G
Y-G
C-G
G
V
L
R-SW
R
G
V
L
R
G
*R3348
68
C2020
50V
22u
C2011
50V
560p
D3038
MAZ81400ML
*D3337
MA2J11100L
R3134
100k
L2011
J0JCC0000100
C3069
25V
470u
R2053
470
R2052
180k
*R3339
470
1%
R3009
75
*C3332
50V
0.1u
*D3338
MA2J11100L
R3324
0
*JS3311
0
*R3352
51
*FL3303
J0HABB000004
1
2
3
4
B
VD
HD
PC IN
R
G
BUFFER
AUDIO IN
H-BOARD TNPA3760AD (1/3)
!
96873
A
D
E
F
5
B
421
C
4
1
3
5
2
6
*R3306
4.7k
*R3307
4.7k
TH-42PV60A/H/M/MT H-Board (1 of 3) Schematic Diagram TH-42PV60A/H/M/MT H-Board (1 of 3) Schematic Diagram
TH-42PV60A / TH-42PV60H / TH-42PV60M / TH-42PV60MT
80

Table of Contents

Related product manuals