EasyManua.ls Logo

Paradox SPECTRA SP5500 - SP6000 PCB Layout

Paradox SPECTRA SP5500
64 pages
Print Icon
To Next Page IconTo Next Page
To Next Page IconTo Next Page
To Previous Page IconTo Previous Page
To Previous Page IconTo Previous Page
Loading...
60 Programming Guide
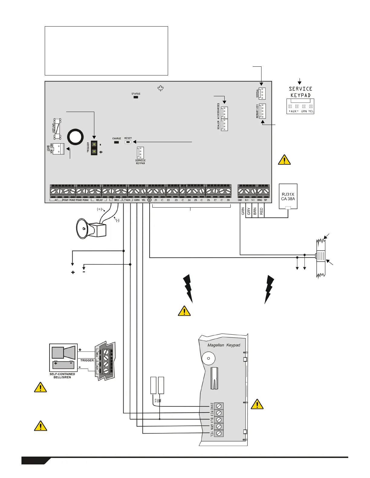
SP6000 PCB Layout
LEDs
Charge LED:
Charging and battery test LED
Status LED:
Flash once every second = Normal
Flashes ON 1 second and OFF 1 second = Any trouble
Always ON = Panel is using phone line
Fast flash 6 seconds after power up = Installer lock enabled
Four pin connector can
be used for quick
installation of a keypad.
Coming soon: VDMP3 plug-
in voice module for voice
reporting
Used for In-Field Firmware
upgrade through a 306USB
Direct Connect Interface. See
Connecting to WinLoad on
page 54 for details.
Paradox Memory Key
(PMC-3, PMC-4)
Refer to AC Power
& Backup Battery
Connections on
page 53.
The "
BELL" output will
shutdown if the current
exceeds 3A.
AUX Power
Refer to transformer requirements on page 53 for
Aux. Power Output. To connect additional wiring to
auxiliary power, use the red (+) and black (-)
keypad connectors. Auxiliary power will shut down
if current exceeds 1.1A. If the auxiliary output is
overloaded and is shut down, you must
disconnect all loads from the output for at least 10
seconds before reconnecting any load back to the
auxiliary output.
This equipment must be installed and
maintained by qualified service
personnel only.
For UL and C-UL warnings, refer to the
UL and C-UL Warnings section at the
back of the Reference & Installation
Manual.
The sum of the current drawn
from the BELL and AUX must be
limited to 1.3A (40VA transformer
strongly recommended).
Exceeding this limit will overload
the panel power supply and lead
to complete system shutdown.
Connection for Self-Contained Bell/Siren
To provide maximum lightning
protection we strongly recommend
having separate earth connections
for the dialer and zone ground
terminals.
Max. amount of keypads = 15 keypads
Max. current = 700 mA
Max. distance of keypad from panel = 76m (250 feet)
Max. total run of wire = 230m (750 feet)
Disconnect telephone
line before servicing.
To metallic
enclosure
Ground
clamp
AWG#14 single
conductor solid
copper wire
Cold water
pipe
grounding
For the keypad’s zone configurations, refer to the
Installer Quick Menu. If EOL is enabled: see
section [706] option [2]. Also refer to Keypad Zone
Connections on page 51.
Refer to
Single Zone
Inputs
on page 51
PGM Trigger: This
jumper allows you to
choose whether the solid
state relay PGMs are
grounded (-), or give out
12V (+).
Press and hold the
RESET button for five
seconds. The STATUS
LED will start flashing.
Within 2 seconds of
this flashing, press the
reset switch again. The
panel will reset to
default and restart.
When using an SP6000 panel in
conjunction with an MG-RTX3, all
MG32LED and MG10LEDV/H
keypads must be versions 2.0 or
higher.

Related product manuals