EasyManua.ls Logo

Paradox SPECTRA SP5500 - SP7000 PCB Layout

Paradox SPECTRA SP5500
64 pages
Print Icon
To Next Page IconTo Next Page
To Next Page IconTo Next Page
To Previous Page IconTo Previous Page
To Previous Page IconTo Previous Page
Loading...
Magellan / Spectra SP 61
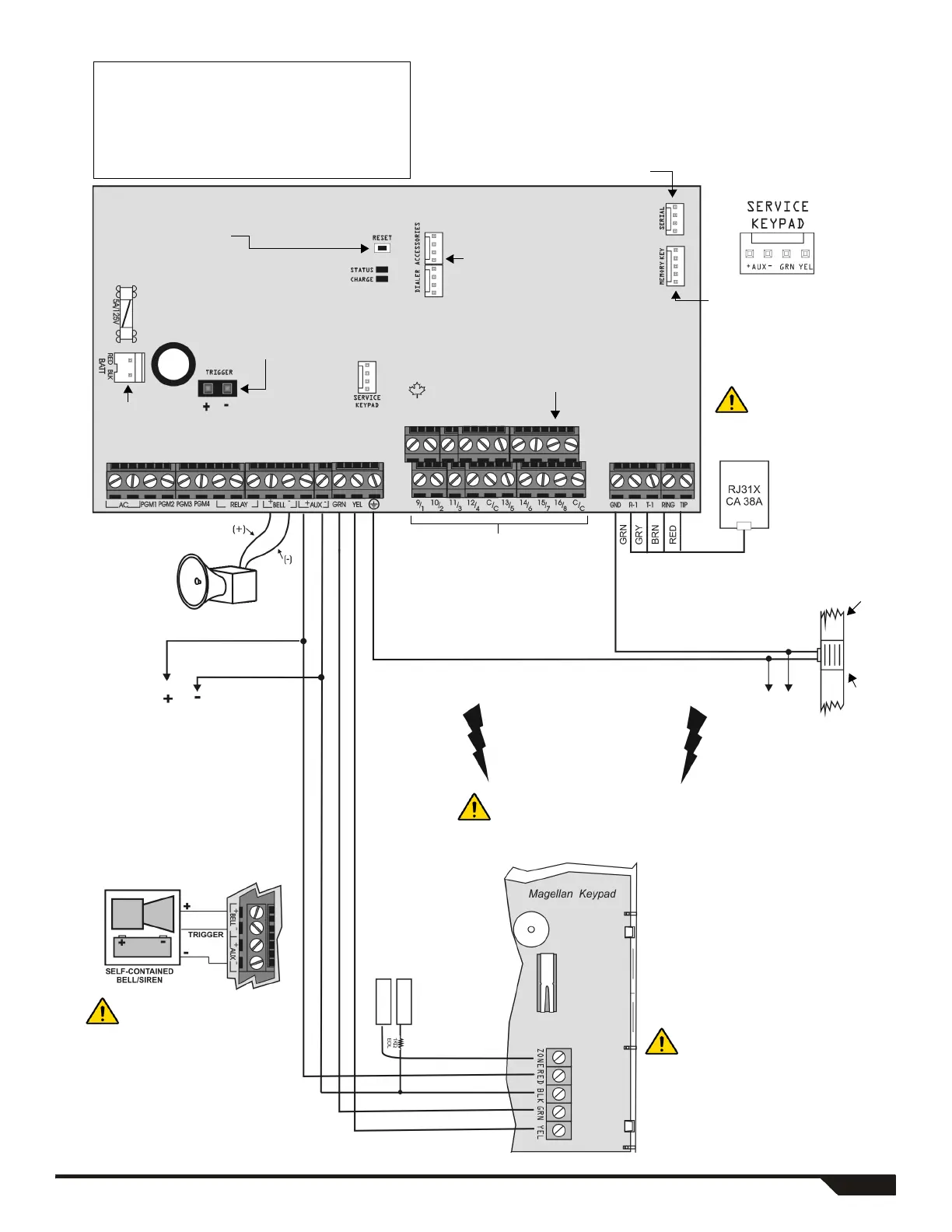
SP7000 PCB Layout
LEDs
Charge LED:
Charging and battery test LED
Status LED:
Flash once every second = Normal
Flashes ON 1 second and OFF 1 second = Any trouble
Always ON = Panel is using phone line
Fast flash 6 seconds after power up = Installer lock enabled
Four pin connector can
be used for quick
installation of a keypad.
Coming soon: VDMP3 plug-
in voice module for voice
reporting
Used for In-Field Firmware
upgrade through a 306USB
Direct Connect Interface. See
Connecting to WinLoad on
page 54 for details.
Paradox Memory Key
(PMC-3, PMC-4)
Refer to AC Power
& Backup Battery
Connections on
page 53.
The "
BELL" output will
shutdown if the current
exceeds 3A.
AUX Power
Refer to transformer requirements on page 53
for Aux. Power Output. To connect additional
wiring to auxiliary power, use the red (+) and
black (-) keypad connectors. Auxiliary power
will shut down if current exceeds 1.1A. If the
auxiliary output is overloaded and is shut down,
you must disconnect all loads from the output
for at least 10 seconds before reconnecting any
load back to the auxiliary output.
This equipment must be installed and
maintained by qualified service
personnel only.
For UL and C-UL warnings, refer to the
UL and C-UL Warnings section at the
back of the Reference & Installation
Manual.
The sum of the current drawn from
the BELL and AUX must be limited
to 1.3A (40VA transformer strongly
recommended). Exceeding this
limit will overload the panel power
supply and lead to complete
system shutdown.
Connection for Self-Contained Bell/Siren
To provide maximum lightning
protection we strongly recommend
having separate earth connections
for the dialer and zone ground
terminals.
Max. amount of keypads = 15 keypads
Max. current = 700 mA
Max. distance of keypad from panel = 76m (250 feet)
Max. total run of wire = 230m (750 feet)
Disconnect telephone
line before servicing.
To metallic
enclosure
Ground
clamp
AWG#14 single
conductor solid
copper wire
Cold water
pipe
grounding
For the keypad’s zone configurations, refer to the
Installer Quick Menu. If EOL is enabled: see
section [706] option [2]. Also refer to Keypad Zone
Connections on page 51.
Refer to
Single Zone
Inputs
on page 51
PGM Trigger: This jumper allows you
to choose whether the solid state
relay PGMs are grounded (-), or give
out 12V (+).
Upper Inputs = Zones 9 to 16
Lower Inputs = Zones 1 to 8
Press and hold the RESET button for five seconds. The
STATUS LED will start flashing. Within 2 seconds of this
flashing, press the reset switch again. The panel will
reset to default and restart.

Related product manuals