EasyManua.ls Logo

Parker 512C - Chapter 10 Block Diagram; Block Diagram

Parker 512C
37 pages
Print Icon
To Next Page IconTo Next Page
To Next Page IconTo Next Page
To Previous Page IconTo Previous Page
To Previous Page IconTo Previous Page
Loading...
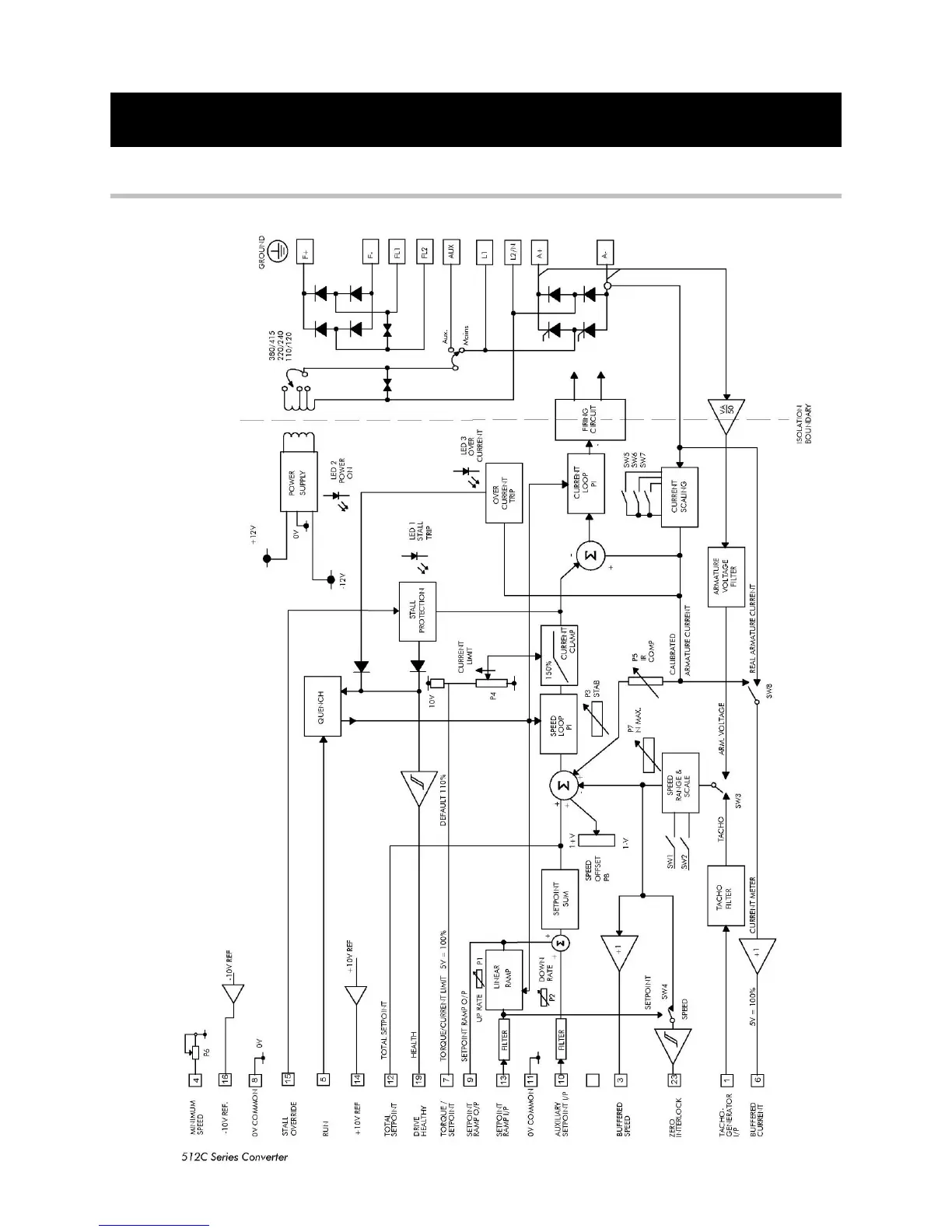
Block Diagram 10-1
512C Series Converter
Chapter 10 BLOCK DIAGRAM
Block Diagram
This manual was downloaded on www.sdsdrives.com
+44 (0)117 938 1800 - info@sdsdrives.com

Related product manuals