EasyManua.ls Logo

Parker HPD16N - Control Cubicle Layout Example

Parker HPD16N
125 pages
To Next Page IconTo Next Page
To Next Page IconTo Next Page
To Previous Page IconTo Previous Page
To Previous Page IconTo Previous Page
Loading...
Parker Hannifin S.p.A. - S.B.C. Division HPD N User’s Manual
12
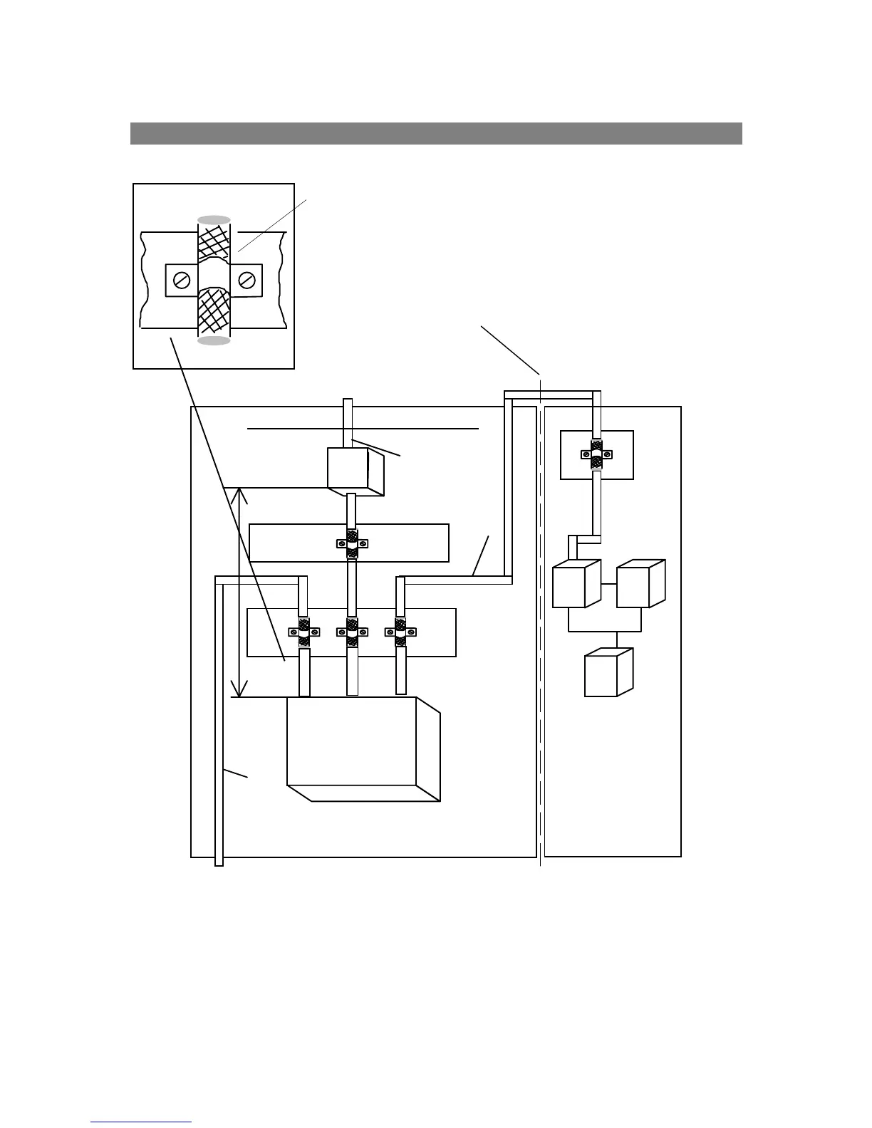
3.4. Control cubicle layout example
All conductors down-line of the mains filter must be
shielded and mounted to a copper bar with large contact area. Also
the copper bar must present an ample area of contact with the
cubicle mounting plate.
Large surface area partition shield with generous contact
area around perimeter. Remove paint from contact points in the
cubicle.
POWER CONTROL
filter
drive
Cubicle interior or mounting plate
control
cable
mains
cable
max.
30 cm
cable
motor
keep separate as far as possible

Table of Contents

Related product manuals