EasyManua.ls Logo

Parker Hyperchill Plus-E ICEP 080E - Installation Diagram

Parker Hyperchill Plus-E ICEP 080E
Print Icon
To Next Page IconTo Next Page
To Next Page IconTo Next Page
To Previous Page IconTo Previous Page
To Previous Page IconTo Previous Page
Loading...
10
,
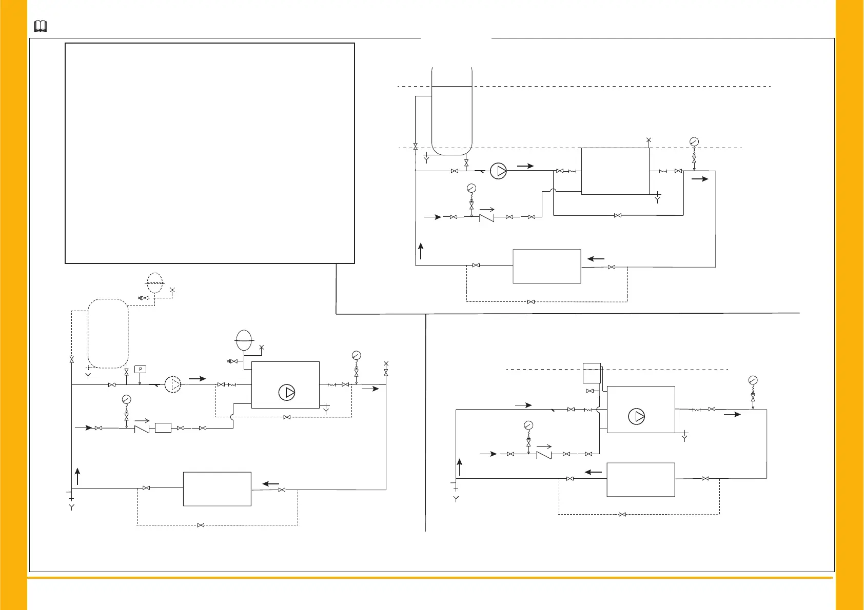
7.3 Installation diagram
ICEP080E-ICEP120E
Pos. DESCRIPTION DENOMINAZIONE
1 Ball valves Valvole di intercettazione
2 External pump * Pompa esterna
2.1 Pump (chiller) Pompa (chiller)
3 Gauges Manometri
4 Water lter Filtro a rete
5 Air bleed valve ** Sato
5.1 Air bleed valve (chiller) Sato (chiller)
6 Water drain valve Valvola di scarico acqua
7 Charge group Gruppo di carica
7.1 Gauge manometro
7.2 Non return valve valvola di non ritorno
7.3 Water ll hose tubo di alimentazione scollegabile
7.4 Pressure reducer riduttore di pressione
8 Tank Serbatoio
9 Expansion Tank Vaso espansione
10 Safety valve Valvola disicurezza
11 Flexible union Giunto essibile
12 Pressure switch Pressostato
* The pump must be installed near the tank
** It must be installed at the highest point of the circuit
TANK
USER
USER
CHILLER
1
1
7.1
7.2
7.3
8
4
4
6
6
2
3
3
1
1
1
1
1
1
11
1
1
water chiller level
water tank level
OPEN circuit
Close circuit pressured
TANK
USER
1
1
7.1
7.2
7.4
7.3
8
12
4
5
6
2
3
1
1
1
1
1
1
11
CHILLER
CHILLER
no pump
6
5.1
Close circuit not pressured
1
6
8
water chiller level
1
TANK
9
10
5.1
6
11 11
11
11
11
11
7.1
7.2
7.3
1
9
10
5
6
1
2.1
2.1
1
1
1
5.1
Use 2 or 2.1

Table of Contents

Related product manuals