EasyManua.ls Logo

Parker Hyperchill Plus-E ICEP 080E - Circuit Diagram (Air Cond. A)

Parker Hyperchill Plus-E ICEP 080E
Print Icon
To Next Page IconTo Next Page
To Next Page IconTo Next Page
To Previous Page IconTo Previous Page
To Previous Page IconTo Previous Page
Loading...
24
,
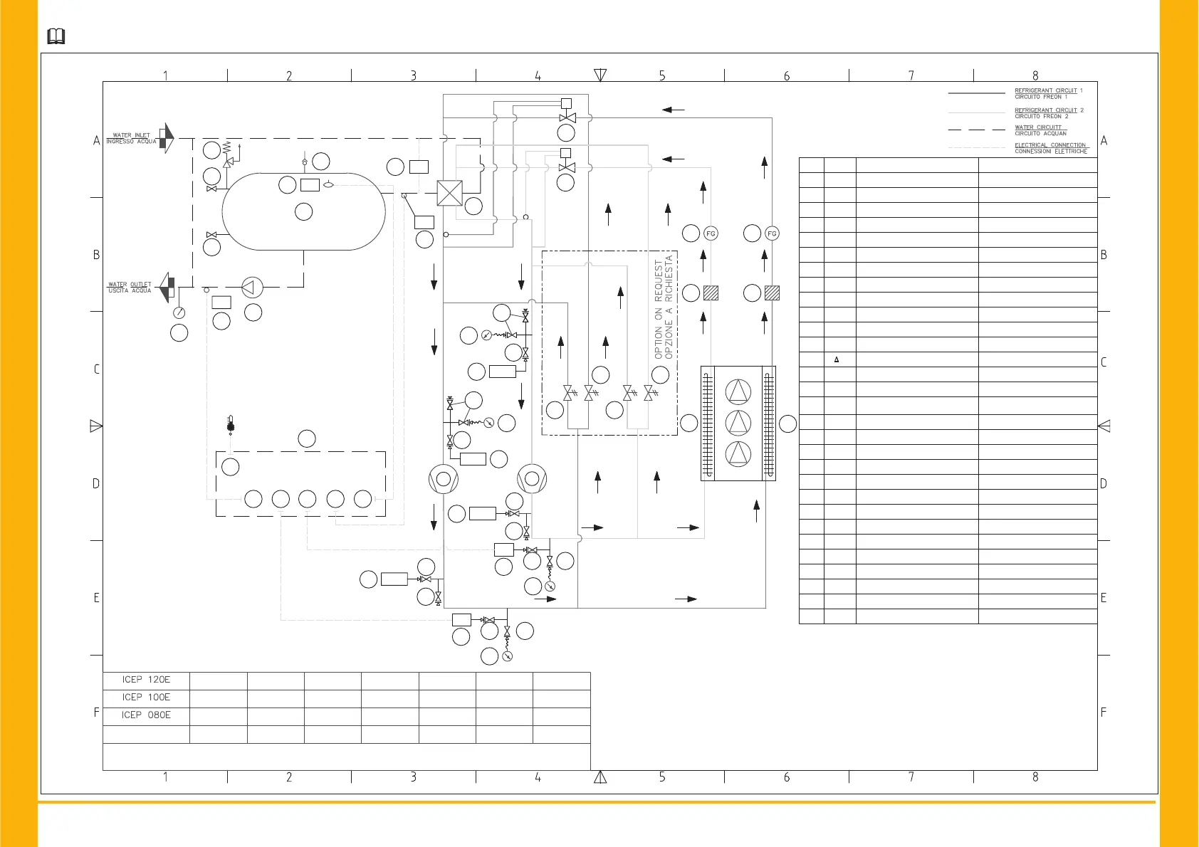
7.8 Circuit diagram (air cond. A)
ICEP080E-ICEP120E
1
ØD
ØB
ØD
12
ØC
ØC
12
12
ØB
25
21
ØD
22
25
16
ØA
ØD
ØF(int.)
ØG
ØG
8
5
7
11
6
17
4
24
ELECTRONIC CONTROL
CONTROLLO ELETTRONICO
13 25 14 15
1
12
2
2
ØD
ØE
ØD
ØC
12
19
12
20
ØC
ØC
4
24
ØC
3
3
3
ØB
ØB
5
ØA
12
19
12
20
12
18
12
ØF
ØD
22
23
ØD
ØD
ØD
ØD
ØA
ØD
ØD
ØD
ØD
ØC
ØC
ØD
CIRCUIT 1
CIRCUITO 1
CIRCUIT 2
CIRCUITO 2
SF1
ƩP
SHP1
SLP1
BP1
BT2
BT1
13
15
14
SLP1
18
SHP1
12
25
21
12
BP1
ØE
23
ØA
ØB
ØB
ØD
30
SAFETY VALVE (CLOSED CIRC.ONLY)
VALV.DI SICUREZZA (SOLO CIRC.CHIUSO)
29
28 NON-RETURN VALVE VALVOLA DI NON RITORNO
27
26 BT3 AMBIENT TEMPERATURE SENSOR SONDA TEMPERATURA AMBIENTE
25
BP1-2
HIGH PRESSURE TRANSMITTER
TRASMETTITORE ALTA PRESSIONE
24
SIGHT GLASS
SPIA DI FLUSSO
23
YV2
HOT GAS SOLENOID VALVE 2 ELETTROVALVOLA GAS CALDO 2
22
YV1
HOT GAS SOLENOID VALVE 1 ELETTROVALVOLA GAS CALDO 1
21
HIGH PRESS.SIDE REFRIG.GAUGE
MANOMETRO ALTA PRESSIONE
20 LOW PRESS. SIDE REFRIG GAUGE MANOMETRO BASSA PRESSIONE
19 SLP1 LOW PRESSURE SWITCH PRESSOSTATO BASSA PRESSIONE
18 SHP1
HIGH PRESSURE SWITCH
PRESSOSTATO ALTA PRESSIONE
17
P1
WATER DIFF.PRESSURE SWITCH
PRESS. DIFFERENZIALE ACQUA
16
A1
ELECTRONIC CONTROL CONTROLLO ELETTRONICO
15
SF1 WATER LEVEL SENSOR
SENSORE LIVELLO ACQUA
14
BT2
TEMPERATURE SENSOR
ANTI-FREEZE
SONDA TEMPERATURA ANTIGELO
13
BT1
WATER OUTLET TEMP.SENSOR
SONDA TEMP.ACQUA IN USCITA
12
SCHRADER VALVE VALVOLA SCHRADER
11
WATER MANOMETER
MANOMETRO ACQUA
OTAIFSELOH-RIA01
9
WATER DRAIN VALVE
VALVOLA DI SCARICO ACQUA
8 WATER TANK
SERBATOIO ACQUA
7MA9-10
PUMP
POMPA
6
HEAT EXCHANGER SCAMBIATORE DI CALORE
5
EXPANSION VALVE VALVOLA ESPANSIONE
4 REFRIGERANT FILTER FILTRO REFRIGERANTE
3
MA5-6-7
EROTALITNEVNAF
2
REFRIGERANT CONDENSER CONDENSATORE REFRIGERANTE
1
MA1-2
EROSSERPMOCROSSERPMOC
Pos.
Ref.
DESCRIPTION DENOMINAZIONE
26
°C/F
28
OUTSIDE PIPING DIAMETER - DIAMETRO ESTERNO TUBAZIONI [mm]
MODEL
ØA ØB ØC ØD ØE ØF ØG
35 22
18
16 6
8
2"
42
28 18
16 6
8
2"
42
28 18
16 6
8
2"
10
9
30

Table of Contents

Related product manuals